Capacoratori di Tantalum Tantalum High Energy|CBEA
Casu di tantalu, Sigillatu ermeticamente, Cilindricu cylindricu, Piombu radiale, Eteropolarità
Misturatu da u condensatore elettroliticu di tantalu è u condensatore elettrochimicu, Small size, Super Capacità.
Stabile in Prestazioni Elettriche, Alta affidabilità, Longa vita, Massimu in a Densità di Capacità è Energia Incorporata cum'è a batteria in un circuitu di energia cunversata & Circuitu à impulsi di putenza, hà funzionatu cum'è filtrazione, energia di almacenamentu, circuitu di ritardu di tempu.
Specificazioni
Temperature di funziunamentu: -55℃ à + 125 ℃ (à + 125 ℃, cun declassamentu di tensione nominale)
Temperature di almacenamiento: -62℃ ~ + 130 ℃
TALLERIAZIONE DI CAPIENTIANZA:Q: (-10%~ + 30%), K: (± 10%), M: (± 20%)
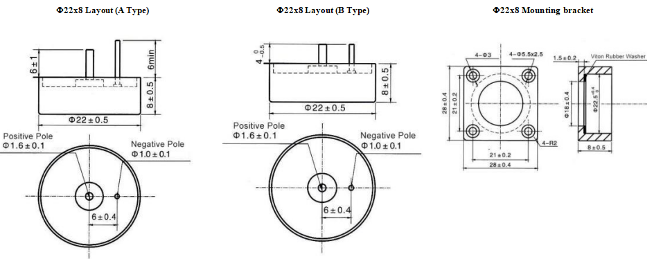
Dimensioni (unità: mm)
Per piacè visitate u nostru situ web per avè più dati d'aghjurnamentu, quelli dati & specificazioni sò sottumessi à cambià senza avvisu.
Esempiu di parte di parte

Dimensioni (unità: mm)
Dimensioni (unità: mm)
Nota:
1.Per piacè ùn aduprate micca u multimetru attraversu e prucedure di misurazione (pò causà danni irreversibili è portanu à scartà).
2.Capacità è DF misurati à 100 Hz, U_=2.200-1.0V, U ~ = 1.00-0.5V Testu applicatu solu in un circuitu equivalente in serie.
3.A riduzione di tensione hè applicata à + 125 ℃. (U paràmetru DCL deve esse lettu dopu 5 minuti quandu hè cunnessu à u circuitu).
4.Taglia è dumanda speciale puderia cunsultà cun noi.
Caratteristiche è Applicazioni
◆ Casu di tantalu, Sigillatu ermeticamente, Cilindricu cylindricu, Piombu radiale, Eteropolarità
◆Commingled da Electrolytic Tantalum Capacitor è Electrochemical Capacitor, Small size, Super Capacità.
◆Stable in Prestazioni Elettriche, Alta affidabilità, Longa vita, Massimu in a Densità di Capacità è Energia
◆Built-in cum'è batterie in Energy-conversed-circuit & Circuitu à impulsi di putenza, hà funzionatu cum'è filtrazione, energia di almacenamentu, circuitu di ritardu di tempu















