Standardowo-promieniowe-lede-super-kapafitory-▏edlc-▏Cecc 2,7 V 3000F
Cechy
•Produkt standardowy
•Zgodny z RoHS
•Elektronika użytkowa
•Moc impulsu
•Moc podtrzymująca
•Produkt standardowy
•Zgodny z RoHS
•Elektronika użytkowa
•Moc impulsu
•Moc podtrzymująca
CECC2R7308M180650E 2,7 V 3000F 20% D*W 18*65mm
Specyfikacja ogólna
| Napięcie znamionowe
(V) |
Pojemność znamionowa
(F) |
ESR(1kHz)
(mΩ) |
Czapka. Tolerancja
(ΔC) |
Temperatura pracy.
(℃ ) |
| 2.7 | 3000 | ≤ 20 | – 20%~+20% | – 40℃ ~ 65 ℃ |
Charakterystyka
| Rzeczy | Specyfikacja/stan | |
| 01 | Zakres napięcia roboczego | 1.5V ~2,7 V |
| 02 | Napięcie udarowe | 2.85V |
| 03 | Cięcie- wyłączone napięcie rozładowania | 1.5V |
| 04 | Znamionowy prąd ładowania/rozładowania | 1A |
| 05 | Prąd upływowy | ≤10mA |
| 06 | Ciągły prąd ładowania/rozładowania | 5A |
| 07 | Równoważna rezystancja szeregowa | 20mΩ |
| 08 | Oczekiwana długość życia cyklu | ≥ 1,000,000 |
| 09 | Waga | 35G |
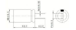
Wymiar
| F D
(mm) |
H
(mm) |
P
(mm) |
Φd
(mm) |
A
(mm) |
| 18 | 65 | 7.5 | 1.0 | 10 |

Cechy
⚫ Produkt standardowy
⚫ Elektronika użytkowa
⚫ Moc impulsu
⚫ Siła podtrzymania
⚫ Zgodność z dyrektywą Rohs







