Hybrydowe kondensatory tantaliczne o wysokiej energii|Cbef
Koperta z tantalu, Hermetycznie zamknięte, Cylindryczny, Przewód promieniowy, Heteropolarność, ze śrubami, wygodny do zamocowania. Połączony z elektrolitycznym kondensatorem tantalowym i kondensatorem elektrochemicznym, Mały rozmiar, Super pojemność
Stabilny w parametrach elektrycznych, Wysoka niezawodność, Długa żywotność, Maksimum w gęstości pojemności i energii, Pojemność nominalna jest wyższa niż w przypadku serii CBEF
Wbudowany jako akumulator w obwodzie przetwarzającym energię & Obwód impulsowy mocy, pełnił funkcję filtrującą, magazynowanie energii, obwód opóźnienia czasowego.
SPECYFIKACJE
Temperatura pracy:-55℃ do +125 ℃ (do +125℃, z oceną
Temperatura przechowywania:-62℃ ~ +130 ℃
Tolerancja pojemności:Q: (-10%~+30%), K: (±10%), M: (±20%)
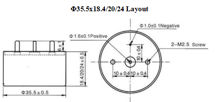
Wymiary (jednostka: mm)
PRZYKŁAD NUMERU CZĘŚCI
Notatka
1.Proszę nie używać multimetru podczas wykonywania procedur pomiarowych (może spowodować nieodwracalne szkody i doprowadzić do wyrzucenia).
2.Pojemność i DF mierzone przy 100 Hz, U_=2,200 V, U = 1,00- Test V stosowany tylko w szeregowym obwodzie równoważnym.
3.Obniżenie wartości znamionowych napięcia następuje przy +125℃. (Następnie należy odczytać parametr DCL 5 minut po podłączeniu do obwodu).
4.Specjalny rozmiar i zapotrzebowanie mogą skonsultować się z nami.
Charakterystyka i zastosowanie
◆Obudowa tantalu, Hermetycznie zamknięte, Cylindryczny, Przewód promieniowy, Heteropolarność, ze śrubami, wygodne do naprawienia
◆Połączone elektrolitycznym kondensatorem tantalowym i kondensatorem elektrochemicznym, Mały rozmiar, Super pojemność
◆Stabilne parametry elektryczne, Wysoka niezawodność, Długa żywotność, Maximum in the Density of Capacitance andEnergy, Pojemność nominalna jest wyższa niż w przypadku serii CBEF
◆Wbudowany jako akumulator w obwodzie przetwarzającym energię & Obwód impulsowy mocy, pełnił funkcję filtrującą, magazynowanie energii,obwód opóźnienia czasowego.













