Organikaj konduktaj polimeraj elektrolitaj kondensiloj ▏125 ℃ ▏CAYC
•125°C, 2,000 horoj certigitaj.
• Ultra Malalta ESR, solid capacitors with large large permissible ripplecurrent
SPECIFICACIONS
| Eroj | Agado |
| Funkcianta Temperaturgamo | -55C ~ +125°C |
| Kapabla toleremo | +20% (je 120 Hz, 20° C) |
| Filma kurento (je 20 ° C) | Less than 0.2CV (µA) post 2 minutoj,
Kie, C=rated capacitance in µF. V=rated DC working voltage inV. |
| Disipa faktoro (Sunbruno je 120Hz, 20° C) | See the Dimension & Permissible Ripple Current |
| ESR (at 100K ~ 300K Hz, M¿, 20°CMAX) | See the Dimension & Permissible Ripple Current |
|
Ŝarĝi Vivo-Testo (125°C with rated voltage applied) |
Testo Tempo 2.5V~4V: 1,000 Hrs; 6.3V~16V: 2,000Hrs Capacitance Change Within +20% of initial value Dissipation Factor Less than 200% de specifita valoro ESR Less than 200% of specified value Leakage Current Within specified value |
| * La supraj specifoj estos kontentigitaj kiam la kondensiloj estas restarigitaj al 20 °C post la taksita tensio aplikita por 2,000 horoj je 125 °C | |
|
Moisture Resistance (Stored at 60°C 90 al 95% R.H)
Normoj |
Testo Tempo 1,000 Hrs Capacitance Change Within +20% of initial value Dissipation Factor Less than 150% de specifita valoro ESR Less than 150% of specified value Leakage Current Within specified value * Leakage current should be tested after voltage treatment. |
| JIS C 5101-1 |
DIMENSIONO & PERMESA RIPPLE KURENTO
| W.V.(V) | Kapacitanco
( F) |
Grandeco
ÖDxL (mm) |
Tanä | L.C. | E.S.R.
(100k~ 300kHz, m¿, 20°C MAX) |
Taksita R.C.
(mArms at100kHz) |
|
| 2.5V(0E) | 680
1,500 |
6.3 x 6.5
8 x 11.5 |
0.18
0.18 |
340
750 |
13
13 |
4,520
5,440 |
1,721
1,430 |
| 4V(0G) | 560
1,200 |
6.3 x 5.5
6.3 x 11 |
0.18
0.18 |
448
960 |
13
12 |
4,520
5,440 |
1,721
1,430 |
| 6.3V(0J) | 470
820 |
6.3 x 5.5
6.3 x 11 |
0.15
0.15 |
592
1,033 |
15
12 |
4,210
5,440 |
1,721
1,430 |
| 10V(1A) | 330
560 |
8 x 11.5
10 x 12.5 |
0.12
0.12 |
660
1,360 |
16
13 |
3,950
5,230 |
1,250
1,655 |
| 16V(1C) | 180
330 100 150 |
6.3 x 5.5
6.3 x 11 8 x 11.5 10 x 12.5 |
0.12
0.12 0.15 0.15 |
576
1,056 400 600 |
18
16 24 20 |
3,640
4,720 3,320 4,320 |
1,151
1,493 1,050 1,367 |
| 20V(1D) | |||||||
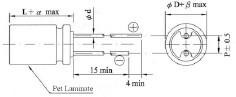
KUSENETO INTERspaco KAJ DIAMETRO
| ØD | 8 | 10 | |
| L | 11.5 | 12.5 | |
| P | 3.5 | 5.0 | |
| Ød | 0.6 | ||
| a | 1.0 | 1.5 | |
| ß | 0.5 | ||
Trajtoj
•125°C,2,000horoj certigitaj.
• Ultra Malalta ESR, solid capacitors with large
permissible ripplecurrent
◆ ROHS -plenumo








