Alta energia hibrida tantala kondensilo|CBEE
Tantala kazo, Hermetike Sigelita, Cilindra, Radiala-plumbo, Heteropoluseco, kun ŝraŭboj, konvene ripari Miksita per Elektroliza Tantala Kondensilo kaj Elektrokemia Kondensilo, Malgranda grandeco, Super Kapacito
Stalo en Elektraj Prezentoj, Alta Fidindeco, Longa vivdaŭro, Maksimumo en la Denso de Kapacitanco kaj Energio, Nominala Kapacitanco estas pli alta ol CBEF-serio
Enkonstruita kiel kuirilaro en Energi-konversaci-cirkvito & Potenco-pulsita-cirkvito, funkciis kiel filtrado, stokado de energio,temp-malfrua cirkvito.
SPECIFICACIONS
Funkcia Temperaturo:-55℃ ĝis +125 ℃ (ĝis +125℃, kun taksita
Tenada Temperaturo:-62℃ ~ +130℃
Kapabla toleremo:Q: (-10%~+30%), K: (± 10%), M: (± 20%)
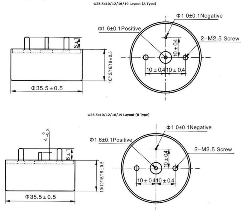
DIMENSIOJ
Notu
1.Bonvolu ne uzi multimetron tra la mezurproceduroj (povas kaŭzi nemaligeblan damaĝon kaj konduki al forĵeto).
2.Kapacitanco kaj DF mezurita je 100Hz, U_=2.200 V, U = 1,00- V Testo nur aplikata en serio ekvivalenta cirkvito.
3.Tensia malpliigo estas aplikata je +125℃. (La DCL-parametro devus esti legita poste 5 minutojn kiam ĝi konektis al la cirkvito).
4.Specialaj grandeco kaj postulo povus konsulti kun ni.
Ekzemplo de Parta Nombro

Karakterizaĵoj kaj Apliko
◆Tantalumkazo, Hermetike Sigelita, Cilindra, Radiala-plumbo, Heteropoluseco
◆Miksita de Elektroliza Tantala Kondensilo kaj Elektrokemia Kondensilo, Malgranda grandeco, Super Kapacito.
◆Stable en Elektraj Prezentoj, Alta Fidindeco, Longa vivdaŭro, Maksimumo en la Denso de Kapacitanco kaj Energio
◆ Enkonstruita kiel kuirilaro en Energi-konversaci-cirkvito & Potenco-pulsita-cirkvito, funkciis kiel filtrado, stokado de energio, temp-malfrua cirkvito













