Metaligita Polipropilena Filma Kondensilo |Malalta DF| CDBC
CDBC-serioj estas konstruitaj kun metaligita polipropilena filmo dielektrika, kuproplumbo kaj flamo retardanta epoksia rezino tegaĵo. Taŭga blokado, de- pasi, kuplado, Decoupling, Filtrado, tempigo, agordado, temperaturkompenso kaj ideala por uzo en balastoj, ŝanĝante elektrofontojn, telekomunika ekipaĵo, industriaj instrumentoj, aŭtomataj kontrolsistemoj kaj aliaj ĝeneralaj elektronikaj ekipaĵoj.
Trajtoj
◆ Malalta disipa faktoro ĉe alta ofteco
◆ Alta kapacitanco kaj disipa faktoro stabileco
◆ Ne-indukta konstruo
◆ Mem-resanigo
◆ Flamo retardanta epoksia rezino tegaĵo (konforma al UL 94V-0)
SPECIFICACIONS
| Eroj | Agado | ||||||
| Funkcia Tensia Gamo | 100Vdc, 250Vdc, 400Vdc, 630Vdc | ||||||
| Taksita Temperaturo | -40 ˚C ~ +85ºC | ||||||
| Uzebla Supera Kategoria Temperaturo | +105ºC
(Degrada proporcio de taksita tensio super +85˚C ~ +110ºC: 1.5% per ºC de Nomina Tensio) |
||||||
| Kapabla gamo | 0.01 µF ~ 10 µF | ||||||
| Kapabla toleremo | +3% (H), +5% (J), +10% (K) | ||||||
|
Disipa faktoro |
KHz | C < 0.1 µF | 0.1 < C < 1.0 µF | 1.0 < C < 3.0 µF | 3.0 < C < 5.0 µF | 5.0 < C < 10 µF | |
| 1 | < 0.10% | ||||||
| 100 | < 0.40% | < 0.70% | < 1.20% | < 1.80% | < 2.80% | ||
|
Izola Rezisto Terminalo al Terminalo |
Tensia Ŝarĝo: 100Vdc x 1 min (je 20˚C + 5˚C)
> 30,000MΩ por C < 0.33µF > 10,000MΩ x µF por C > 0.33µF |
||||||
| Eltena Tensio | Terminalo al Terminalo: (je 20˚C + 5˚C) | ||||||
|
Taksita Tensio Pulso Deklivo dV/dt (V/µs) |
Tonalto
VR |
7.5mm | 10mm | 15mm | 22.5mm | 27.5mm | |
| 100Vdc | 130 | 110 | 100 | 70 | 50 | ||
| 250Vdc | 240 | 220 | 200 | 130 | 100 | ||
| 400Vdc | — | 350 | 300 | 200 | 150 | ||
| 630Vdc | — | 420 | 400 | 250 | 180 | ||
TESTO DE FIDEBLECO
| Ero | Testo Metodoj | Postuloj |
| Rezisto al Lutado Varmo IEC 60068-2-20 | Solda Banejo: 260ºC + 5ºC Merga Tempo: 10sek + 1sek | Kapacita Ŝanĝo ІΔ C/C : <1% DF Ŝanĝo Δ tan d : 0.1% ĉe 1KHz IR: > limvaloro |
| Rezisto al Vibrado IEC 60068-2-6 | Frekvenca Gamo: 10Hz ĝis 55 Hz Amplekso: 1.5mm
Daŭro: 6 horoj |
Ne estos Videbla Damaĝo, Neniu Intermita Kontakto,
Neniu Malferma aŭ Mallonga Cirkvito |
| Malseka Varmo, Konstanta Ŝtata IEC 60068-2-3 | Temperaturo: 40ºC + 2ºC Relativa Humideco: 90% al 95%
Daŭro: 1,000 horoj |
Kapacita Ŝanĝo ІΔC/C І< : 3% DF Ŝanĝo Δ tan d: 0.1% ĉe 1KHz IR: > 50% limvaloro |
| Elektra Eltenivo IEC 60384-17 | Temperaturo: 85ºC + 2ºC Tensio Aplikita: 1.25 x VR(DC) Daŭro: 2,000 horoj | Kapacita Ŝanĝo ІΔC/CІ< : 3% DF Ŝanĝo Δ tan d : 0.1% ĉe 1KHz IR: > 50% limvaloro |
MAKIMUMAJ DIMENSIOJ
| W.V. | 100VDC (2A) | 250VDC (2E) | 400VDC (2G) | 630VDC (2J) | |||||||||||||||||
| (µF) | Kodo | W | H | T | P | d | W | H | T | P | d | W | H | T | P | d | W | H | T | P | d |
| 0.010 | 103 | 10.5 | 7.5 | 4.0 | 7.5 | 0.6 | 10.5 | 9.0 | 5.5 | 7.5 | 0.6 | ||||||||||
| 0.012 | 123 | 10.5 | 8.5 | 4.0 | 7.5 | 0.6 | 10.5 | 9.5 | 6.0 | 7.5 | 0.6 | ||||||||||
| 0.015 | 153 | 10.5 | 9.0 | 4.5 | 7.5 | 0.6 | 10.5 | 10.5 | 6.0 | 7.5 | 0.6 | ||||||||||
| 0.018 | 183 | 10.5 | 9.5 | 4.5 | 7.5 | 0.6 | 10.5 | 11.0 | 6.5 | 7.5 | 0.6 | ||||||||||
| 0.022 | 223 | 10.5 | 7.5 | 4.0 | 7.5 | 0.6 | 10.5 | 10.0 | 5.0 | 7.5 | 0.6 | 13.0 | 10.0 | 6.0 | 10.0 | 0.6 | |||||
| 0.027 | 273 | 10.5 | 8.0 | 4.0 | 7.5 | 0.6 | 10.5 | 10.5 | 5.5 | 7.5 | 0.6 | 13.0 | 11.0 | 6.5 | 10.0 | 0.6 | |||||
| 0.033 | 333 | 10.5 | 8.5 | 4.5 | 7.5 | 0.6 | 10.5 | 11.0 | 6.0 | 7.5 | 0.6 | 13.0 | 11.5 | 7.0 | 10.0 | 0.6 | |||||
| 0.039 | 393 | 10.5 | 9.0 | 4.5 | 7.5 | 0.6 | 13.0 | 11.0 | 5.5 | 10.0 | 0.6 | 13.0 | 12.0 | 8.0 | 10.0 | 0.6 | |||||
| 0.047 | 473 | 10.5 | 7.5 | 4.0 | 7.5 | 0.6 | 10.5 | 10.0 | 4.5 | 7.5 | 0.6 | 13.0 | 11.0 | 5.5 | 10.0 | 0.6 | 13.0 | 13.0 | 8.0 | 10.0 | 0.6 |
| 0.056 | 563 | 10.5 | 8.0 | 4.0 | 7.5 | 0.6 | 10.5 | 10.5 | 5.0 | 7.5 | 0.6 | 13.0 | 11.5 | 6.0 | 10.0 | 0.6 | 13.0 | 14.0 | 9.0 | 10.0 | 0.6 |
| 0.068 | 683 | 10.5 | 9.0 | 4.5 | 7.5 | 0.6 | 10.5 | 11.0 | 5.5 | 7.5 | 0.6 | 13.0 | 12.5 | 6.5 | 10.0 | 0.6 | 18.0 | 12.5 | 7.0 | 15.0 | 0.8 |
| 0.082 | 823 | 10.5 | 9.5 | 4.5 | 7.5 | 0.6 | 10.5 | 11.5 | 6.0 | 7.5 | 0.6 | 13.0 | 13.0 | 7.0 | 10.0 | 0.6 | 18.0 | 13.0 | 7.5 | 15.0 | 0.8 |
| 0.10 | 104 | 10.5 | 10.0 | 5.0 | 7.5 | 0.6 | 10.5 | 12.0 | 6.5 | 7.5 | 0.6 | 13.0 | 13.5 | 8.0 | 10.0 | 0.6 | 18.0 | 14.0 | 8.0 | 15.0 | 0.8 |
| 0.12 | 124 | 10.5 | 10.0 | 5.5 | 7.5 | 0.6 | 13.0 | 11.5 | 6.0 | 10.0 | 0.6 | 18.0 | 12.0 | 6.0 | 15.0 | 0.8 | 18.0 | 15.5 | 8.0 | 15.0 | 0.8 |
| 0.15 | 154 | 10.5 | 11.0 | 6.0 | 7.5 | 0.6 | 13.0 | 12.0 | 6.5 | 10.0 | 0.6 | 18.0 | 12.5 | 7.0 | 15.0 | 0.8 | 18.0 | 16.5 | 9.0 | 15.0 | 0.8 |
| 0.18 | 184 | 10.5 | 11.5 | 6.5 | 7.5 | 0.6 | 13.0 | 12.5 | 7.0 | 10.0 | 0.6 | 18.0 | 13.5 | 8.5 | 15.0 | 0.8 | 18.0 | 17.5 | 10.0 | 15.0 | 0.8 |
| 0.22 | 224 | 13.0 | 11.5 | 6.0 | 10.0 | 0.6 | 13.0 | 13.0 | 7.5 | 10.0 | 0.6 | 18.0 | 15.0 | 8.0 | 15.0 | 0.8 | 18.0 | 18.5 | 11.5 | 15.0 | 0.8 |
| 0.27 | 274 | 13.0 | 12.0 | 6.5 | 10.0 | 0.6 | 18.0 | 13.0 | 6.0 | 15.0 | 0.8 | 18.0 | 16.0 | 8.5 | 15.0 | 0.8 | 25.5 | 18.0 | 9.0 | 22.5 | 0.8 |
| 0.33 | 334 | 13.0 | 13.0 | 7.0 | 10.0 | 0.6 | 18.0 | 14.0 | 6.5 | 15.0 | 0.8 | 18.0 | 17.0 | 9.5 | 15.0 | 0.8 | 25.5 | 19.0 | 10.0 | 22.5 | 0.8 |
| 0.39 | 394 | 13.0 | 13.5 | 7.5 | 10.0 | 0.6 | 18.0 | 14.5 | 7.0 | 15.0 | 0.8 | 18.0 | 18.0 | 10.5 | 15.0 | 0.8 | 25.5 | 20.0 | 11.0 | 22.5 | 0.8 |
| 0.47 | 474 | 13.0 | 14.0 | 8.5 | 10.0 | 0.6 | 18.0 | 15.0 | 8.0 | 15.0 | 0.8 | 25.5 | 16.0 | 9.0 | 22.5 | 0.8 | 20.5 | 20.5 | 12.0 | 17.5 | 0.8 |
| 25.5 | 21.0 | 12.0 | 22.5 | 0.8 | |||||||||||||||||
| 0.56 | 564 | 18.0 | 14.0 | 7.0 | 15.0 | 0.8 | 18.0 | 16.0 | 8.5 | 15.0 | 0.8 | 25.5 | 17.0 | 10.0 | 22.5 | 0.8 | 25.5 | 22.5 | 13.5 | 22.5 | 0.8 |
| 0.68 | 684 | 18.0 | 15.0 | 7.5 | 15.0 | 0.8 | 18.0 | 17.0 | 9.5 | 15.0 | 0.8 | 25.5 | 18.0 | 11.0 | 22.5 | 0.8 | 25.5 | 24.0 | 15.0 | 22.5 | 0.8 |
| 0.82 | 824 | 18.0 | 15.5 | 8.0 | 15.0 | 0.8 | 18.0 | 18.5 | 10.0 | 15.0 | 0.8 | 25.5 | 20.0 | 11.0 | 22.5 | 0.8 | 25.5 | 25.5 | 16.5 | 22.5 | 0.8 |
| 1.00 | 105 | 18.0 | 16.5 | 9.0 | 15.0 | 0.8 | 18.0 | 20.0 | 11.0 | 15.0 | 0.8 | 25.5 | 21.5 | 12.5 | 22.5 | 0.8 | 26.0 | 16.5 | 12.0 | 22.5 | 0.8 |
| 31.5 | 25.0 | 16.0 | 27.5 | 0.8 | |||||||||||||||||
| 1.20 | 125 | 18.0 | 17.5 | 10.0 | 15.0 | 0.8 | 25.5 | 18.0 | 9.0 | 22.5 | 0.8 | 25.5 | 23.0 | 14.0 | 22.5 | 0.8 | 31.5 | 27.0 | 18.0 | 27.5 | 0.8 |
| 1.50 | 155 | 18.0 | 18.5 | 11.5 | 15.0 | 0.8 | 25.5 | 19.5 | 10.5 | 22.5 | 0.8 | 25.5 | 24.5 | 15.5 | 22.5 | 0.8 | |||||
| 1.80 | 185 | 25.5 | 18.0 | 9.0 | 22.5 | 0.8 | 25.5 | 20.5 | 11.5 | 22.5 | 0.8 | ||||||||||
| 2.20 | 225 | 25.5 | 19.0 | 10.0 | 22.5 | 0.8 | 25.5 | 22.0 | 13.0 | 22.5 | 0.8 | ||||||||||
| 2.70 | 275 | 25.5 | 20.0 | 11.5 | 22.5 | 0.8 | 25.5 | 23.5 | 14.5 | 22.5 | 0.8 | ||||||||||
| 3.30 | 335 | 25.5 | 24.5 | 15.5 | 22.5 | 0.8 | 25.5 | 25.5 | 16.0 | 22.5 | 0.8 | ||||||||||
Ekzemplo de Parta Nombro – VRACO
Ekzemplo de Parta Nombro – RADIALA BENDITA
Kapacito
| µF | 0.01 | 0.047 | 0.1 | 0.47 | 1.0 | 3.3 |
| pF | 10,000 | 47,000 | 100,000 | 470,000 | – | – |
| Kodo | 103 | 473 | 104 | 474 | 105 | 335 |
TOLERANCOKODO
| Kodo | Toleremo |
| J | + 5% |
| K | + 10% |
| M | + 20% |
TASA TENSIO
| W.V. | 100 | 250 | 400 | 630 |
| Kodo | 2A | 2E | 2G | 2J |
BENDOKODO (Vidu Diagramojn)
| Interspacigo | 7.5mm | 10mm | 15mm |
| Pakado | A aŭ R | A | A |
| Kodo | RT2 | RT3 | RT4 |
KLUB STILO EKZEMPLOJ
RADIALA PLOMBO-SPACISMO
* Leadspace estas rekta plumbo ne-formita origina gvidspaco.
| mm | 7.5 | 10 | 15 | 22.5 | 27.5 |
| Kodo | 075 | 100 | 150 | 225 | 275 |
PLUBLONONGO DE SIDIGA aviadilo (se pogranda pako)
| mm | 5 | 10 | 15 | 20 | 25 |
| Kodo | 050 | 100 | 150 | 200 | 250 |
PAKADO
| Meth | od | Pogranda | Municio | Bobeno |
| Kodo | B | A | R | |
PLUB-STILO
| Kodo | Stilo |
| S | Rekte |
| K | Kink-In (Stariĝu) |
| F | Formu El |
| I | Formo En |
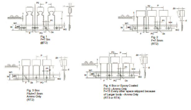
RADIALA TAPING KODA DIAGRAMA
SPECIFICACIONS
| Priskribo |
Letero |
Dimensio (mm) |
Priskribo |
Letero |
Dimensio (mm) | ||||||||
| RT1 | RT2 | RT3 | RT4 | Tol. | RT1 | RT2 | RT3 | RT4 | Tol. | ||||
| Plumba Drato Diametro | d | 0.5 / 0.6 | 0.5 / 0.6 | 0.6 | 0.6 / 0.8 | + 0.05 | Larĝo de la Bendo de Kondukula | W | 18 | 18 | 18 | 18 | + 1;-0.5 |
| Tape Pitch | P | 12.7 | 12.7 | 12.7 | 25.4 | + 1 | Tenu Malsupren Tape Larĝon | WO | 6 | 6 | 9 | 10 | Min |
| Feed Hole Pitch | PO | 12.7 | 12.87 | 12.7 | 12.7 | + 0.2 | Trua Pozicio | W1 | 9 | 9 | 9 | 9 | + 0.5 |
| Centrado de la Plumbodrato | P1 | 3.85 | 2.6 / 3.75 | 7.7 | 5.2 | + 0.7 | Tenu Subbendan Pozicion | W2 | 3 | 3 | 3 | 3 | Maks |
| Centrado de la Korpo | P2 | 6.35 | 6.35 | 12.7 | 12.7 | + 1.3 | Nutra Truo Diametro | Faru | 4 | 4 | 4 | 4 | + 0.2 |
| Plumbo Interspaco (Tonalto) | F | 5 | 7.5 | 10 | 15 | + 0.6;-0.1 | Bendo-Dikeco | t | 0.7 | 0.7 | 0.7 | 0.07 | + 0.2 |
| Komponento vicigo | ∆h | 0 | 0 | 0 | 0 | + 2 | Figuro | fig | 1 aŭ 2 | 1.2 aŭ 3 | 4 | 4 | |
| Alteco de Componenet de Tape Center | H | 18.5 | 18.5 | 18.5 | 18.5 | + 0.5 | |||||||
Rimarko: *Dono de akumulita tonalto malpli ol 1mm je la sumo de 20 tonaltoj.
*Kontinua malplena komponanto malpli ol 3 sinsekvaj pecoj.
*Tute malplena sur unu bobeno malpli ol 1%.
Enkonduko
CDBC-serioj estas konstruitaj kun metaligita polipropilena filmo dielektrika, kuproplumbo kaj flamo retardanta epoksia rezino tegaĵo. Taŭga blokado, de- pasi, kuplado, Decoupling, Filtrado, tempigo, agordado, temperaturkompenso kaj ideala por uzo en balastoj, ŝanĝante elektrofontojn, telekomunika ekipaĵo, industriaj instrumentoj, aŭtomataj kontrolsistemoj kaj aliaj ĝeneralaj elektronikaj ekipaĵoj.













