Tụ điện hybrid năng lượng cao|Cbef
Vỏ tantali, Kín kín, hình trụ, Chì xuyên tâm, dị cực, bằng ốc vít, thuận tiện để sửa chữa Được kết hợp bởi Tụ điện Tantalum và Tụ điện hóa, Kích thước nhỏ, siêu điện dung
Ổn định trong biểu diễn điện, Độ tin cậy cao, Tuổi thọ dài, Tối đa về mật độ điện dung và năng lượng, Nominal Capacitance is higher than CBEF series
Tích hợp dưới dạng pin trong mạch chuyển đổi năng lượng & Mạch xung điện, có chức năng lọc, năng lượng lưu trữ, mạch trễ thời gian.
Thông số kỹ thuật
Nhiệt độ hoạt động:-55oC đến +125oC (đến +125oC, với đánh giá
Nhiệt độ bảo quản:-62℃ ~ +130℃
Dung sai điện dung:Q: (-10%~+30%), K: (± 10%), M: (±20%)
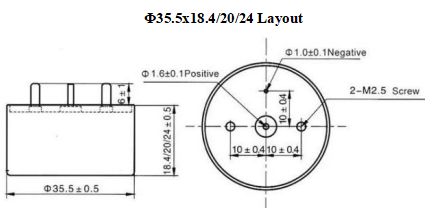
Kích thước (đơn vị: mm)
PHẦN SỐ VÍ DỤ
Ghi chú
1.Vui lòng không sử dụng đồng hồ vạn năng thông qua các quy trình đo (có thể gây ra thiệt hại không thể phục hồi và dẫn đến việc loại bỏ).
2.Điện dung và DF đo ở tần số 100Hz, U_=2.200 V, U = 1,00- Thử nghiệm V chỉ áp dụng trong mạch tương đương nối tiếp.
3.Giảm điện áp được áp dụng ở mức +125oC. (Tham số DCL nên được đọc sau 5 phút khi nó kết nối với mạch).
4.Kích thước và nhu cầu đặc biệt có thể tham khảo ý kiến với chúng tôi.
Đặc điểm và ứng dụng
◆Vỏ tantali, Kín kín, hình trụ, Chì xuyên tâm, dị cực, bằng ốc vít, thuận tiện để sửa chữa
◆Được kết hợp bởi tụ điện tantalum điện phân và tụ điện điện hóa, Kích thước nhỏ, siêu điện dung
◆Ổn định về hiệu suất điện, Độ tin cậy cao, Tuổi thọ dài, Maximum in the Density of Capacitance andEnergy, Nominal Capacitance is higher than CBEF series
◆Được tích hợp dưới dạng pin trong mạch chuyển đổi năng lượng & Mạch xung điện, có chức năng lọc, năng lượng lưu trữ,mạch trễ thời gian.













