Tụ điện polyester kim loại |Kích thước cực nhỏ | CDAD
Dòng CDAD được thiết kế dành riêng cho các mạch lọc tích cực giống như các mạch được sử dụng trong các ứng dụng hiệu chỉnh hệ số công suất.
ĐẶC TRƯNG
◆ Nhiệt độ hoạt động. Phạm vi :-40°C~105°C (V R Giảm giá 1.25% mỗi °C trên 85°C)
◆ Phạm vi điện dung:0.1~10uF
◆ Dung sai điện dung: J=5% K=10% M=20%
◆ Điện áp định mức V R 85°C: 100V 250V 400V 630V
◆ Hệ số tản nhiệt: 1% TỐI ĐA @1KHZ 25oC
PHẦN SỐ VÍ DỤ
Thông số kỹ thuật
| Mặt hàng | Hiệu suất | ||||
| Dải điện áp hoạt động | 450Vdc, 630Vdc | ||||
| Nhiệt độ định mức | -40 °C ~ +85°C | ||||
| Nhiệt độ loại trên có thể sử dụng được | +110°C
(Tỷ lệ giảm tải của điện áp định mức trên +85 °C ~ +110°C: 1.5% trên mỗi °C của điện áp định mức) |
||||
| Phạm vi điện dung | 0.033 µF ~ 3.3 µF | ||||
| Dung sai điện dung | +2% (G), +5% (J), +10% (K) | ||||
| Hệ số tản nhiệt | 1.0% (tối đa.) 1KHz đó 1.6% (tối đa.) ở 10KHz | ||||
| Thiết bị đầu cuối điện trở cách điện đến thiết bị đầu cuối | Điện áp sạc: 100Vdc x 1 phút (Tại 20 °C+5°C)
> 9,000MΏ cho C < 0.33µF > 3,000MΏ x µF cho C >0.33µF |
||||
|
Chịu được điện áp |
Nhà ga đến nhà ga:(Tại 20 °C + 5°C) | ||||
| 1.6 x VR áp dụng trong 2 giây. (cắt dòng điện 10mA) | |||||
| Tốc độ điện áp chậm lại: 100V/giây | |||||
| Độ dốc xung điện áp định mức dV/dt (V/µs) | P
thực tế ảo |
10mm | 15mm | 22.5mm | |
| 450Vdc | 110 | 45 | 20 | ||
| 630Vdc | 160 | 65 | 30 | ||
HIỆU SUẤT
| Mục | Bài kiểm tra phương pháp | Yêu cầu |
| Khả năng chịu nhiệt hàn IEC 60068-2-20″ | Bồn tắm hàn: 260°C+ 5°C Thời gian ngâm: 10giây + 1giây | Thay đổi điện dung |∆C/C| :<2% DF Thay đổi tanδ: 0.5% ở 1KHz IR: > giá trị giới hạn |
| Khả năng chống rung IEC 60068-2-6″ | Dải tần số: 10Biên độ Hz đến 55Hz:
1.5m/m Thời lượng: 6 giờ |
Sẽ không có thiệt hại rõ ràng, Đừng ngắt lời
Liên hệ, Không có mạch hở hoặc ngắn mạch |
| Nhiệt ẩm, Trạng thái ổn định IEC 60068-2-3″ | Nhiệt độ: 40°C + 2°C Độ ẩm tương đối: 90% ĐẾN 95%
Khoảng thời gian: 1,000 giờ |
Thay đổi điện dung |∆C/C |: <5% DF Thay đổi tanδ: 0.5% ở 1KHz IR: > 50% giá trị giới hạn |
| Độ bền điện IEC 60384-2″ | Nhiệt độ: 85°C + 2°C Điện áp áp dụng: 1.10 x Vr(DC) Khoảng thời gian: 1,000 giờ | Thay đổi điện dung |∆C/C |: <5% DF Thay đổi tanδ: 0.5% ở 1KHz IR: > 50% giá trị giới hạn |
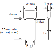
KÍCH THƯỚC TỐI ĐA (mm)
| R.V. | 450Vdc (2W) | ||||||||||
| Bạn
e |
W | H | T | P | dΦ | Bạn
e |
W | H | T | P | dΦ |
| (µF) | (µF) | ||||||||||
| 0.047 | 13.0 | 13 | 5 | 10 | 0.6 |
1.0 |
13 | 19 | 8 | 10 | 0.8 |
| 0.068 | 12.5 | 10 | 5 | 10 | 0.6 | 18.0 | 17 | 7.5 | 15 | 0.8 | |
| 0.1 | 12.5 | 9.5 | 4.5 | 10 | 0.6 | 26.0 | 16 | 7 | 22.5 | 0.8 | |
| 18.0 | 11 | 5 | 15 | 0.8 | 1.2 | 18.0 | 18 | 8 | 15 | 0.8 | |
| 0.15 | 12.5 | 12 | 4.5 | 10 | 0.6 |
1.5 |
13.0 | 21.5 | 9.5 | 10 | 0.8 |
| 0.22 | 12.5 | 12 | 6.5 | 10 | 0.6 | 18.0 | 18.5 | 8.5 | 15 | 0.8 | |
| 18.0 | 11.5 | 6 | 15 | 0.8 | 26.0 | 17.5 | 7 | 22.5 | 0.8 | ||
| 0.33 | 12.5 | 12 | 6 | 10 | 0.6 | 2.2 | 18.0 | 21.5 | 11.5 | 15 | 0.8 |
| 18.0 | 13 | 5 | 15 | 0.8 | 26.0 | 19 | 9 | 22.5 | 0.8 | ||
| 0.47 | 12.5 | 15.5 | 6.5 | 10 | 0.6 | 3.3 | 26.0 | 23.5 | 13 | 22.5 | 0.8 |
| 18.0 | 13 | 5.5 | 15 | 0.8 | |||||||
| 0.68 | 12.5 | 16 | 7.5 | 10 | 0.6 | ||||||
| 18.0 | 15.5 | 5.5 | 15 | 0.8 | |||||||
| R.V. | 630Vdc (2J) | ||||
| Bạn là | W | H | T | P | dΦ |
| (µF) | |||||
| 0.033 | 12.5 | 10.5 | 4.5 | 10 | 0.6 |
| 0.047 | 12.5 | 13 | 5 | 10 | 0.6 |
| 18.0 | 11 | 5 | 15 | 0.8 | |
| 0.068 | 13.0 | 13 | 6 | 10 | 0.6 |
| 18.0 | 11 | 5 | 15 | 0.8 | |
| 0.1 | 12.5 | 16 | 6 | 10 | 0.6 |
| 18.0 | 11 | 5 | 15 | 0.8 | |
| 0.22 | 18.0 | 13 | 5 | 15 | 0.8 |
| 0.33 | 18.0 | 13 | 5 | 15 | 0.8 |
| 0.47 | 18.0 | 17.5 | 9 | 15 | 0.8 |
| 0.68 | 18.0 | 20.5 | 10.5 | 15 | 0.8 |
| 1.0 | 26.0 | 20.5 | 9.5 | 22.5 | 0.8 |
ĐIỆN ÁP định mức (Vrms) VS. TÍNH THƯỜNG XUYÊN
TỐI ĐA. DC & ĐIỆN ÁP AC VÀ NHIỆT ĐỘ
HIỆN TẠI TỐI ĐA, AMPS (rms)
450Vdc / 200Vạc
| mũ (µF) | P | 15.75
KHz |
35
KHz |
45
KHz |
65
KHz |
80
KHz |
100
Khz |
| 0.047 | 10 | 0.18 | 0.20 | 0.21 | 0.23 | 0.24 | 0.25 |
| 0.068 | 10 | 0.20 | 0.22 | 0.23 | 0.24 | 0.25 | 0.26 |
| 0.1 | 10 | 0.36 | 0.46 | 0.50 | 0.56 | 0.60 | 0.64 |
| 15 | 0.15 | 0.17 | 0.19 | 0.20 | 0.21 | 0.22 | |
| 0.15 | 10 | 0.40 | 0.48 | 0.53 | 0.58 | 0.62 | 0.66 |
| 0.22 | 10 | 0.45 | 0.57 | 0.61 | 0.69 | 0.73 | 0.78 |
| 15 | 0.18 | 0.19 | 0.20 | 0.21 | 0.22 | 0.23 | |
| 0.33 | 10 | 0.48 | 0.60 | 0.65 | 0.72 | 0.74 | 0.80 |
| 15 | 0.77 | 0.97 | 1.05 | 1.17 | 1.25 | 1.32 | |
| 0.47 | 10 | 0.50 | 0.70 | 0.80 | 0.90 | 1.00 | 1.10 |
| 15 | 0.67 | 0.88 | 0.99 | 1.06 | 1.17 | 1.31 | |
| 0.68 | 10 | 0.60 | 0.90 | 1.00 | 1.10 | 1.20 | 1.30 |
| 15 | 0.88 | 1.13 | 1.24 | 1.41 | 1.48 | 1.63 | |
| 1.0 | 10 | 0.80 | 1.20 | 1.30 | 1.50 | 1.60 | 1.80 |
| 15 | 1.06 | 1.38 | 1.59 | 1.77 | 1.84 | 1.91 | |
| 1.2 | 15 | 1.20 | 1.50 | 1.65 | 1.85 | 2.00 | 2.20 |
|
1.5 |
10 | 0.98 | 1.30 | 1.40 | 1.60 | 1.70 | 1.90 |
| 15 | 1.40 | 1.70 | 1.80 | 2.00 | 2.20 | 2.40 | |
| 22.5 | 1.38 | 1.68 | 1.78 | 1.96 | 2.00 | 2.04 | |
| 2.2 | 15 | 1.70 | 2.00 | 2.20 | 2.35 | 2.50 | 2.70 |
| 22.5 | 2.30 | 2.37 | 2.43 | 2.52 | 2.55 | 2.60 | |
| 3.3 | 22.5 | 2.65 | 2.69 | 2.80 | 2.81 | 2.82 | 2.90 |
HIỆN TẠI TỐI ĐA, AMPS (rms)
630Vdc / 250Vạc
| mũ (µF) | P | 15.75
KHz |
35
KHz |
45
KHz |
65
KHz |
80
KHz |
100
KHz |
| 0.033 | 10 | 0.14 | 0.20 | 0.22 | 0.25 | 0.27 | 0.30 |
| 0.047 | 10 | 0.18 | 0.24 | 0.30 | 0.35 | 0.39 | 0.42 |
| 0.068 | 10 | 0.21 | 0.29 | 0.32 | 0.37 | 0.41 | 0.44 |
| 0.1 | 10 | 0.25 | 0.37 | 0.45 | 0.50 | 0.55 | 0.63 |
| 0.047 | 15 | 0.16 | 0.22 | 0.24 | 0.27 | 0.30 | 0.32 |
| 0.068 | 15 | 0.23 | 0.26 | 0.32 | 0.35 | 0.40 | 0.44 |
| 0.1 | 15 | 0.42 | 0.55 | 0.58 | 0.65 | 0.69 | 0.73 |
| 0.22 | 15 | 0.58 | 0.62 | 0.67 | 0.78 | 0.80 | 0.85 |
| 0.33 | 15 | 0.91 | 1.15 | 1.25 | 1.40 | 1.48 | 1.58 |
| 0.5 | 15 | 0.85 | 1.08 | 1.18 | 1.30 | 1.40 | 1.49 |
| 0.68 | 15 | 1.16 | 1.48 | 1.60 | 1.80 | 1.90 | 2.05 |
| 1.0 | 22.5 | 1.85 | 2.25 | 2.36 | 2.60 | 2.70 | 2.85 |
MÃ BAO BÌ
| phương pháp d | số lượng lớn | đạn | cuộn |
| Mã số | B | MỘT | R |
CHIỀU DÀI DẪN TỪ MÁY BAY CHỖ NGỒI
| mm | 5 | 10 | 15 | 20 | 25 |
| Mã số | 050 | 100 | 150 | 200 | 250 |
MÃ BĂNG (Khoảng cách chì của băng, nếu được ghi âm)
| Khoảng cách | 10mm | 15mm |
| đóng gói | MỘT | MỘT |
| Mã số | RT3 | RT4 |
VÍ DỤ MÃ KIỂU DẪN ĐẦU
GIỚI THIỆU
Dòng CDAC được chế tạo bằng chất điện môi màng polyester kim loại hóa, lớp phủ đồng chì và nhựa epoxy. Chúng thích hợp để chặn, khớp nối, tách rời, lọc, bỏ qua mạch thời gian và lý tưởng để sử dụng trong dữ liệu / thiết bị viễn thông, dụng cụ công nghiệp, hệ thống điều khiển tự động và ứng dụng điện tử nói chung khác.
















