Augstas enerģijas hibrīdu tantaluma kondensatori|Cidbeds
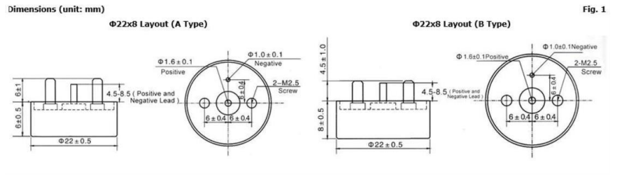
Tantala futrālis, Hermētiski noslēgts, Cilindrisks, Radiālais svins, Heteropolaritāte, ar skrūvēm, ērti salabot, sajaucot ar elektrolītiskā tantala kondensatoru un elektroķīmisko kondensatoru, Mazs izmērs, Super kapacitāte
Stabils elektriskajā darbībā, Augsta uzticamība, Ilgs kalpošanas laiks, Maksimums kapacitātes un enerģijas blīvumā, Nominālā kapacitāte ir augstāka nekā CBEF sērija
Iebūvēts kā akumulators enerģijas pārveidošanas shēmā & Jaudas impulsa ķēde, darbojās kā filtrēšana, uzglabāšanas enerģija,laika aizkaves ķēde.
SPECIFIKĀCIJAS
Darba temperatūra:-55℃ līdz +125 ℃ (līdz +125 ℃, ar vērtējumu
Uzglabāšanas temperatūra:-62℃ ~ +130℃
Kapacitātes tolerance:J: (-10%~+30%), Kandids: (± 10%), M: (± 20%)
DAĻAS NUMURA PIEMĒRS
Piezīme
1.Lūdzu, neizmantojiet multimetru mērīšanas procedūrām (var radīt neatgriezeniskus bojājumus un novest pie izmešanas).
2.Kapacitāte un DF mērīts pie 100 Hz, U_=2,200 V, U = 1,00- V Tests tiek izmantots tikai virknē līdzvērtīgā ķēdē.
3.Sprieguma samazināšana tiek piemērota pie +125 ℃. (DCL parametrs jālasa pēc tam 5 minūtes, kad tas ir pievienots ķēdei).
4.Īpašs izmērs un pieprasījums varētu konsultēties ar mums.
Raksturojums un pielietojums
◆Tantala futrālis, Hermētiski noslēgts, Cilindrisks, Radiālais svins, Heteropolaritāte
◆Sajaukts ar elektrolītiskā tantala kondensatoru un elektroķīmisko kondensatoru, Mazs izmērs, Super kapacitāte.
◆Stabils elektriskās veiktspējas ziņā, Augsta uzticamība, Ilgs kalpošanas laiks, Maksimums kapacitātes un enerģijas blīvumā
◆Iebūvēts kā akumulators enerģijas pārveidošanas shēmā & Jaudas impulsa ķēde, darbojās kā filtrēšana, uzglabāšanas enerģija, laika aizkaves ķēde
















