Larga vida útil de aluminio de los condensadores electrolíticos SMD 105℃ CAJA
CARACTERÍSTICAS
105° C, 3000 Horas aseguradas.
Cumple con RoHS
105° C, 3000 Horas aseguradas.
Cumple con RoHS
PRESUPUESTO
| Artículo | Actuación | ||||||||||
| Temperatura de funcionamiento. Rango | -40°C ~ + 105° C | ||||||||||
| Tolerancia a la capacitancia | ± 20% (120Hz, 20° C) | ||||||||||
| Corriente de fuga (a las 20 • c) | I=0,01CV o 3 µA (lo que sea mayor) después 2 minutos, donde C=capacitancia nominal en µF y V= tensión de trabajo nominal | ||||||||||
| Factor de disipación
tanδ en 120 Hz, 20° C |
Voltaje nominal | 6.3 | 10 | 16 | 25 | 35 | 50 | ||||
| tanδ (máximo) | 0.30 | 0.26 | 0.20 | 0.16 | 0.13 | 0.12 | |||||
|
Características de baja temperatura (a 120Hz) |
Voltaje nominal | 6.3 | 10 | 16 | 25 | 35 | 50 | ||||
| Relación de impedancia
Máximo |
Z(-25° C) /Z(+20° C) | 4 | 3 | 2 | 2 | 2 | 2 | ||||
| Z(-40° C) /Z(+20° C) | 10 | 7 | 5 | 3 | 3 | 3 | |||||
|
Prueba de vida |
Tiempo de prueba |
Vida útil de carga Vida útil | |||||||||
| 3000 Horas | 1000 Horas | ||||||||||
| Cambio de capacitancia | Dentro de ±30% del valor inicial | Dentro de ± 20% de valor inicial | |||||||||
| Factor de disipación | Menos que 200% de valor especificado | Menos que 200% de valor especificado | |||||||||
| Corriente de fuga | Dentro del valor especificado | Dentro del valor especificado | |||||||||
| Condiciones de prueba | 20° C (después de aplicar la tensión nominal 3000 horas en
105° C |
20°C (después del almacenamiento para 1000 horas a 105°C
sin voltaje) |
|||||||||
| Corriente de ondulación & Multiplicadores de frecuencia | VDC(V) frecuencia. (Hz) | 50 | 120 | 1K | 10k arriba | ||||||
| 6.3 ~ 50 | 0.70 | 1.00 | 1.36 | 1.50 | |||||||
| Estándares | JIS C 5101-1-18 | ||||||||||
DIMENSIÓN & PERMISIBLE ONDA ACTUAL
Dimensión: φDxL (mm)
Corriente de ondulación mA/rms a 120 Hz, 105° C
| VDC
μF Contenido |
6.3 (0J) | 10 (1A) | 16 (1do) | 25V (1mi) | 35V (1V) | 50V (1H) | |||||||
| φDxL | mamá | φDxL | mamá | φDxL | mamá | φDxL | mamá | φDxL | mamá | φDxL | mamá | ||
| 0.1 | 0R1 | 4 incógnita 5.7 | 1 | ||||||||||
| 0.22 | R22 | 4 incógnita 5.7 | 2.6 | ||||||||||
| 0.33 | R33 | 4 incógnita 5.7 | 3.2 | ||||||||||
| 0.47 | R47 | 4 incógnita 5.7 | 5 | ||||||||||
| 1 | 010 | 4 incógnita 5.7 | 8 | ||||||||||
| 2.2 | 2R2 | 4 incógnita 5.7 | 12 | ||||||||||
| 3.3 | 3R3 | 4 incógnita 5.7 | 17 | ||||||||||
| 4.7 | 4R7 | 4 incógnita 5.7 | 16 | 5 incógnita 5.7 | 22 | ||||||||
| 10 | 100 | 4 incógnita 5.7 | 18 | 5 incógnita 5.7 | 27 | 5 incógnita 5.7 | 27 | 6.3 incógnita 5.7 | 32 | ||||
| 22 | 220 | 4 incógnita 5.7 | 22 | 5 incógnita 5.7 | 30 | 5 incógnita 5.7 | 30 | 6.3 incógnita 5.7 | 44 | 6.3 incógnita 5.7 | 44 | 6.3 incógnita 7.7 | 58 |
| 33 | 330 | 5 incógnita 5.7 | 35 | 5 incógnita 5.7 | 35 | 6.3 incógnita 5.7 | 48 | 6.3 incógnita 5.7 | 50 | 6.3 incógnita 7.7 | 57 | 8 incógnita 10 | 140 |
| 47 | 470 | 5 incógnita 5.7 | 38 | 6.3 incógnita 5.7 | 50 | 6.3 incógnita 5.7 | 50 | 6.3 incógnita 7.7 | 63 | 8 incógnita 10 | 92 | 8 incógnita 10 | 170 |
| 100 | 101 | 6.3 incógnita 5.7 | 69 | 6.3 incógnita 7.7 | 81 | 6.3 incógnita 7.7 | 81 | 8 incógnita 10 | 116 | 10 incógnita 10 | 151 | 10 incógnita 10 | 310 |
| 220 | 221 | 6.3 incógnita 7.7 | 120 | 8 incógnita 10 | 141 | 10 incógnita 10 | 216 | 10 incógnita 10 | 320 | 10 incógnita 10 | 375 | ||
| 330 | 331 | 8 incógnita 10 | 290 | 10 incógnita 10 | 290 | 10 incógnita 10 | 290 | 10 incógnita 10 | 450 | ||||
| 470 | 471 | 10 incógnita 10 | 320 | 10 incógnita 10 | 320 | 10 incógnita 10 | 320 | ||||||
| 1000 | 102 | 10 incógnita 10 | 410 | ||||||||||
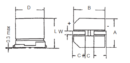
ESPACIO Y DIÁMETRO DE LAS ALMOHADILLAS
| φD±0,5 | l | ±0,2 | B±0,2 | C±0,2 | W | P±0,2 |
| 4 | 5.7±0,3 | 4.3 | 4.3 | 2.0 | 0.5 a 0.8 | 1.0 |
| 5 | 5.7±0,3 | 5.3 | 5.3 | 2.3 | 0.5 a 0.8 | 1.5 |
| 6.3 | 5.7±0,3 | 6.6 | 6.6 | 2.7 | 0.5 a 0.8 | 2.0 |
| 6.3 | 7.7±0,3 | 6.6 | 6.6 | 2.7 | 0.5 a 0.8 | 2.0 |
| 8 | 10±0,5 | 8.4 | 8.4 | 3.0 | 0.7 a 1.1 | 3.1 |
| 10 | 10±0,5 | 10.4 | 10.4 | 3.3 | 0.7 a 1.1 | 4.7 |
Ejemplo de número de pieza
CAJA 100 METRO 1mi TR 050 057
CARACTERÍSTICAS
◆105°C, 3000 Horas aseguradas.
◆ Cumple con RoHS













