Condensador de película de polipropileno metalizado | Doble | CDBB
CARACTERÍSTICAS
◆Alta resistencia a la humedad
◆Tensión nominal : 250~2000Vcc (180~700 VCA)
◆Rango de capacitancia : 0.00022 ~3,9 uF
◆Resina epoxi ignífuga (Cumple con UL 94V-0)
◆Terminaciones sin plomo y compatibles con RoHS
Para aplicaciones de alto dv/dt
CARACTERÍSTICAS
◆ Alta resistencia a la humedad
◆ Voltaje nominal : 250~2000Vcc(180~700 VCA)
◆ Rango de capacitancia : 0.00022 ~3.9uF
◆ Resina epoxi retardante de llama (Cumple con UL 94V-0)
◆ ROHS Cumplante y freeterminaciones de plomo
◆ Para aplicaciones de alto dv/dt
Ejemplo de número de pieza
Características eléctricas
| Elementos | Actuación | ||||||||||||
| Rango de voltaje de funcionamiento | 250VDC ~ 2,000VDC | ||||||||||||
| Temperatura nominal | -40° C ~ +105 ° C (Reduce la potencia por encima de 85 °C a 1.25% por °C) | ||||||||||||
| Categoría climática | 40 / 105 / 56 | ||||||||||||
| Rango de capacitancia | 0.00022 µF ~ 3,9 µF | ||||||||||||
| Tolerancia a la capacitancia | ± 5% (J), ± 10% (K), otras tolerancias bajo pedido | ||||||||||||
|
Factor de disipación (bronceado fiÅ |
do ≤0.1µF | 0.1µF < do ≤ 1.0µF | do > 1.0µF | ||||||||||
| 1Khz, 20° C | 0.0003 | 0.0003 | 0.0003 | ||||||||||
| 1Khz, 20° C | 0.0004 | 0.0006 | — | ||||||||||
| 100Khz, 20° C | 0.0015 | — | — | ||||||||||
|
Resistencia a aislamiento |
Medido a 20°C, 100Vcc para 1 minuto | ||||||||||||
|
|||||||||||||
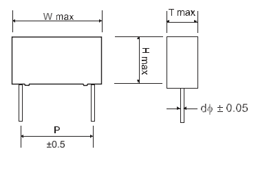
Calificaciones & DIMENSIONES (mm)

Recomendaciones de soldadura de olas
|
(μF) |
Laboral
Voltaje |
250VDC (2mi) | 400VDC (2GRAMO) | 630VDC (2J) | |||||||||||||||
| 180Vacaciones | 250Vacaciones | 400Vacaciones | |||||||||||||||||
| Código | W | H | T | PAG | morir | dv/dt | W | H | T | PAG | morir | dv/dt | W | H | T | PAG | morir | dv/dt | |
| 0.01 | 103 | 13.0 | 11.0 | 5.0 | 10.0 | 0.6 | 3,000 | ||||||||||||
| 0.012 | 123 | 13.0 | 11.0 | 5.0 | 10.0 | 0.6 | 3,000 | ||||||||||||
| 0.015 | 153 | 13.0 | 12.0 | 6.0 | 10.0 | 0.6 | 3,000 | ||||||||||||
| 0.018 | 183 | 18.0 | 11.0 | 5.0 | 15.0 | 0.8 | 2,500 | ||||||||||||
| 0.022 | 223 | 18.0 | 11.0 | 5.0 | 15.0 | 0.8 | 2,500 | ||||||||||||
| 0.027 | 273 | 13.0 | 11.0 | 5.0 | 10.0 | 0.6 | 1,400 | 18.0 | 11.0 | 5.0 | 15.0 | 0.8 | 2,500 | ||||||
| 0.033 | 333 | 13.0 | 11.0 | 5.0 | 10.0 | 0.6 | 1,400 | 18.0 | 12.0 | 6.0 | 15.0 | 0.8 | 2,500 | ||||||
| 0.039 | 393 | 13.0 | 12.0 | 6.0 | 10.0 | 0.6 | 1,400 | 18.0 | 12.0 | 6.0 | 15.0 | 0.8 | 2,500 | ||||||
| 0.047 | 473 | 13.0 | 11.0 | 5.0 | 10.0 | 0.6 | 1,000 | 18.0 | 11.0 | 5.0 | 15.0 | 0.8 | 1,000 | 18.0 | 12.0 | 6.0 | 15.0 | 0.8 | 2,500 |
| 0.056 | 563 | 13.0 | 11.0 | 5.0 | 10.0 | 0.6 | 1,000 | 18.0 | 11.0 | 5.0 | 15.0 | 0.8 | 1,000 | 26.5 | 15.0 | 6.0 | 22.5 | 0.8 | 1,800 |
| 0.068 | 683 | 13.0 | 12.0 | 6.0 | 10.0 | 0.6 | 1,000 | 18.0 | 12.0 | 6.0 | 15.0 | 0.8 | 1,000 | 26.5 | 15.0 | 6.0 | 22.5 | 0.8 | 1,800 |
| 0.082 | 823 | 18.0 | 11.0 | 5.0 | 15.0 | 0.8 | 600 | 18.0 | 12.0 | 6.0 | 15.0 | 0.8 | 1,000 | 26.5 | 15.0 | 6.0 | 22.5 | 0.8 | 1,800 |
| 0.1 | 104 | 18.0 | 11.0 | 5.0 | 15.0 | 0.8 | 600 | 18.0 | 13.5 | 7.5 | 15.0 | 0.8 | 1,000 | 26.5 | 15.0 | 6.0 | 22.5 | 0.8 | 1,800 |
| 0.12 | 124 | 18.0 | 12.0 | 6.0 | 15.0 | 0.8 | 600 | 18.0 | 13.5 | 7.5 | 15.0 | 0.8 | 1,000 | 26.5 | 16.0 | 7.0 | 22.5 | 0.8 | 1,800 |
| 0.15 | 154 | 18.0 | 12.0 | 6.0 | 15.0 | 0.8 | 600 | 26.5 | 15.0 | 6.0 | 22.5 | 0.8 | 600 | 26.5 | 17.0 | 8.5 | 22.5 | 0.8 | 1,800 |
| 0.18 | 184 | 18.0 | 13.5 | 7.5 | 15.0 | 0.8 | 600 | 26.5 | 15.0 | 6.0 | 22.5 | 0.8 | 600 | 32.0 | 18.0 | 9.0 | 27.5 | 0.8 | 1,100 |
| 0.22 | 224 | 18.0 | 13.5 | 7.5 | 15.0 | 0.8 | 600 | 26.5 | 16.0 | 7.0 | 22.5 | 0.8 | 600 | 32.0 | 18.0 | 9.0 | 27.5 | 0.8 | 1,100 |
| 0.27 | 274 | 18.0 | 14.5 | 8.5 | 15.0 | 0.8 | 600 | 26.5 | 17.0 | 8.5 | 22.5 | 0.8 | 600 | 32.0 | 18.0 | 9.0 | 27.5 | 0.8 | 1,100 |
| 0.33 | 334 | 18.0 | 16.0 | 10.0 | 15.0 | 0.8 | 600 | 26.5 | 17.0 | 8.5 | 22.5 | 0.8 | 600 | 32.0 | 20.0 | 11.0 | 27.5 | 0.8 | 1,100 |
| 0.39 | 394 | 26.5 | 16.0 | 7.0 | 22.5 | 0.8 | 400 | 26.5 | 18.5 | 10.0 | 22.5 | 0.8 | 600 | 32.0 | 20.0 | 11.0 | 27.5 | 0.8 | 1,100 |
| 0.47 | 474 | 26.5 | 16.0 | 7.0 | 22.5 | 0.8 | 400 | 32.0 | 18.0 | 9.0 | 27.5 | 0.8 | 500 | 32.0 | 22.0 | 13.0 | 27.5 | 0.8 | 1,100 |
| 0.56 | 564 | 26.5 | 17.0 | 8.5 | 22.5 | 0.8 | 400 | 32.0 | 20.0 | 11.0 | 27.5 | 0.8 | 500 | 32.0 | 22.0 | 13.0 | 27.5 | 0.8 | 1,100 |
| 0.68 | 684 | 26.5 | 18.5 | 10.0 | 22.5 | 0.8 | 400 | 32.0 | 20.0 | 11.0 | 27.5 | 0.8 | 500 | 32.0 | 24.5 | 15.0 | 27.5 | 0.8 | 1,100 |
| 0.82 | 824 | 26.5 | 18.5 | 10.0 | 22.5 | 0.8 | 400 | 32.0 | 22.0 | 13.0 | 27.5 | 0.8 | 500 | 32.0 | 28.0 | 14.0 | 27.5 | 0.8 | 1,100 |
| 1 | 105 | 32.0 | 20.0 | 11.0 | 27.5 | 0.8 | 300 | 32.0 | 24.5 | 15.0 | 27.5 | 0.8 | 500 | 32.0 | 33.0 | 18.0 | 27.5 | 0.8 | 1,100 |
| 1.2 | 125 | 32.0 | 20.0 | 11.0 | 27.5 | 0.8 | 300 | 32.0 | 24.5 | 15.0 | 27.5 | 0.8 | 500 | 32.0 | 33.0 | 18.0 | 27.5 | 0.8 | 1,100 |
| 1.5 | 155 | 32.0 | 22.0 | 13.0 | 27.5 | 0.8 | 300 | 32.0 | 33.0 | 18.0 | 27.5 | 0.8 | 500 |
continuar …… |
|||||
| 1.8 | 185 | 32.0 | 24.5 | 15.0 | 27.5 | 0.8 | 300 | 32.0 | 33.0 | 18.0 | 27.5 | 0.8 | 500 | ||||||
| 2.2 | 225 | 32.0 | 24.5 | 15.0 | 27.5 | 0.8 | 300 |
|
|||||||||||
| 2.7 | 275 | 32.0 | 33.0 | 18.0 | 27.5 | 0.8 | 300 | ||||||||||||
| 3.3 | 335 | 32.0 | 33.0 | 18.0 | 27.5 | 0.8 | 300 | ||||||||||||
| 3.9 | 395 | 32.0 | 33.0 | 18.0 | 27.5 | 0.8 | 300 | ||||||||||||
Calificaciones & DIMENSIONES (mm)
| ( F) | Laboral
Voltaje |
1000VDC(3A) | 1600VDC (3do) | 2000VDC (3D) | |||||||||||||||
| 600Vacaciones | 650Vacaciones | 700Vacaciones | |||||||||||||||||
|
Código |
W | H | T | PAG | morir | dv/dt | W | H | T | PAG | morir | dv/dt | W | H | T | PAG | morir | dv/dt | |
| 0.00022 | 221 | 18.0 | 11.0 | 5.0 | 15.0 | 0.8 | 10,000 | ||||||||||||
| 0.00027 | 271 | 18.0 | 11.0 | 5.0 | 15.0 | 0.8 | 10,000 | ||||||||||||
| 0.00033 | 331 | 18.0 | 11.0 | 5.0 | 15.0 | 0.8 | 10,000 | ||||||||||||
| 0.00047 | 471 | 18.0 | 11.0 | 5.0 | 15.0 | 0.8 | 10,000 | ||||||||||||
| 0.00056 | 561 | 18.0 | 11.0 | 5.0 | 15.0 | 0.8 | 10,000 | ||||||||||||
| 0.00068 | 681 | 18.0 | 11.0 | 5.0 | 15.0 | 0.8 | 6,000 | 18.0 | 11.0 | 5.0 | 15.0 | 0.8 | 10,000 | ||||||
| 0.00082 | 821 | 18.0 | 11.0 | 5.0 | 15.0 | 0.8 | 6,000 | 18.0 | 11.0 | 5.0 | 15.0 | 0.8 | 10,000 | ||||||
| 0.001 | 102 | 18.0 | 11.0 | 5.0 | 15.0 | 0.8 | 6,000 | 18.0 | 11.0 | 5.0 | 15.0 | 0.8 | 10,000 | ||||||
| 0.0012 | 122 | 18.0 | 11.0 | 5.0 | 15.0 | 0.8 | 6,000 | 18.0 | 11.0 | 5.0 | 15.0 | 0.8 | 10,000 | ||||||
| 0.0015 | 152 | 18.0 | 11.0 | 5.0 | 15.0 | 0.8 | 6,000 | 18.0 | 11.0 | 5.0 | 15.0 | 0.8 | 10,000 | ||||||
| 0.0018 | 182 | 18.0 | 11.0 | 5.0 | 15.0 | 0.8 | 6,000 | 18.0 | 11.0 | 5.0 | 15.0 | 0.8 | 10,000 | ||||||
| 0.0022 | 222 | 18.0 | 11.0 | 5.0 | 15.0 | 0.8 | 6,000 | 18.0 | 11.0 | 5.0 | 15.0 | 0.8 | 10,000 | ||||||
| 0.0027 | 272 | 18.0 | 11.0 | 5.0 | 15.0 | 0.8 | 6,000 | 18.0 | 11.0 | 5.0 | 15.0 | 0.8 | 10,000 | ||||||
| 0.0033 | 332 | 18.0 | 11.0 | 5.0 | 15.0 | 0.8 | 6,000 | 18.0 | 11.0 | 5.0 | 15.0 | 0.8 | 10,000 | ||||||
| 0.0039 | 392 | 13.0 | 11.0 | 5.0 | 10.0 | 0.6 | 6,000 | 18.0 | 11.0 | 5.0 | 15.0 | 0.8 | 6,000 | 18.0 | 11.0 | 5.0 | 15.0 | 0.8 | 10,000 |
| 0.0047 | 472 | 13.0 | 11.0 | 5.0 | 10.0 | 0.6 | 6,000 | 18.0 | 11.0 | 5.0 | 15.0 | 0.8 | 6,000 | 18.0 | 11.0 | 5.0 | 15.0 | 0.8 | 10,000 |
| 0.0056 | 562 | 13.0 | 12.0 | 6.0 | 10.0 | 0.6 | 6,000 | 18.0 | 11.0 | 5.0 | 15.0 | 0.8 | 6,000 | 18.0 | 13.5 | 7.5 | 15.0 | 0.8 | 10,000 |
| 0.0068 | 682 | 13.0 | 12.0 | 6.0 | 10.0 | 0.6 | 6,000 | 18.0 | 11.0 | 5.0 | 15.0 | 0.8 | 6,000 | 18.0 | 13.5 | 7.5 | 15.0 | 0.8 | 10,000 |
| 0.0082 | 822 | 18.0 | 11.0 | 5.0 | 15.0 | 0.8 | 3,300 | 18.0 | 12.0 | 6.0 | 15.0 | 0.8 | 6,000 | 26.5 | 15.0 | 6.0 | 22.5 | 0.8 | 5,000 |
| 0.01 | 103 | 18.0 | 11.0 | 5.0 | 15.0 | 0.8 | 3,300 | 18.0 | 12.0 | 6.0 | 15.0 | 0.8 | 6,000 | 26.5 | 15.0 | 6.0 | 22.5 | 0.8 | 5,000 |
| 0.012 | 123 | 18.0 | 11.0 | 5.0 | 15.0 | 0.8 | 3,300 | 18.0 | 13.5 | 7.5 | 15.0 | 0.8 | 6,000 | 26.5 | 15.0 | 6.0 | 22.5 | 0.8 | 5,000 |
| 0.015 | 153 | 18.0 | 11.0 | 5.0 | 15.0 | 0.8 | 3,300 | 18.0 | 13.5 | 7.5 | 15.0 | 0.8 | 6,000 | 26.5 | 16.0 | 7.0 | 22.5 | 0.8 | 5,000 |
| 0.018 | 183 | 18.0 | 13.5 | 7.5 | 15.0 | 0.8 | 3,300 | 18.0 | 14.5 | 8.5 | 15.0 | 0.8 | 6,000 | 26.5 | 16.0 | 7.0 | 22.5 | 0.8 | 5,000 |
| 0.022 | 223 | 18.0 | 13.5 | 7.5 | 15.0 | 0.8 | 3,300 | 18.0 | 14.5 | 8.5 | 15.0 | 0.8 | 6,000 | 26.5 | 17.0 | 8.5 | 22.5 | 0.8 | 5,000 |
| 0.027 | 273 | 18.0 | 14.5 | 8.5 | 15.0 | 0.8 | 3,300 | 26.5 | 15.0 | 6.0 | 22.5 | 0.8 | 3,000 | 26.5 | 18.5 | 10.0 | 22.5 | 0.8 | 5,000 |
| 0.033 | 333 | 26.5 | 15.0 | 6.0 | 22.5 | 0.8 | 2,100 | 26.5 | 16.0 | 7.0 | 22.5 | 0.8 | 3,000 | 26.5 | 18.5 | 10.0 | 22.5 | 0.8 | 5,000 |
| 0.039 | 393 | 26.5 | 15.0 | 6.0 | 22.5 | 0.8 | 2,100 | 26.5 | 17.0 | 8.5 | 22.5 | 0.8 | 3,000 | 26.5 | 22.0 | 12.0 | 22.5 | 0.8 | 5,000 |
| 0.047 | 473 | 26.5 | 16.0 | 7.0 | 22.5 | 0.8 | 2,100 | 26.5 | 18.5 | 10.0 | 22.5 | 0.8 | 3,000 | 32.0 | 20.0 | 11.0 | 27.5 | 0.8 | 2,200 |
| 0.056 | 563 | 26.5 | 16.0 | 7.0 | 22.5 | 0.8 | 2,100 | 26.5 | 18.5 | 10.0 | 22.5 | 0.8 | 3,000 | 32.0 | 22.0 | 13.0 | 27.5 | 0.8 | 2,200 |
| 0.068 | 683 | 26.5 | 17.0 | 8.5 | 22.5 | 0.8 | 2,100 | 26.5 | 22.0 | 12.0 | 22.5 | 0.8 | 3,000 | 32.0 | 22.0 | 13.0 | 27.5 | 0.8 | 2,200 |
| 0.082 | 823 | 26.5 | 18.5 | 10.0 | 22.5 | 0.8 | 2,100 | 32.0 | 20.0 | 11.0 | 27.5 | 0.8 | 2,000 | 32.0 | 24.5 | 15.0 | 27.5 | 0.8 | 2,200 |
| 0.1 | 104 | 26.5 | 18.5 | 10.0 | 22.5 | 0.8 | 2,100 | 32.0 | 20.0 | 11.0 | 27.5 | 0.8 | 2,000 | 32.0 | 28.0 | 14.0 | 27.5 | 0.8 | 2,200 |
| 0.12 | 124 | 32.0 | 20.0 | 11.0 | 27.5 | 0.8 | 1,300 | 32.0 | 22.0 | 13.0 | 27.5 | 0.8 | 2,000 | 32.0 | 33.0 | 18.0 | 27.5 | 0.8 | 2,200 |
| 0.15 | 154 | 32.0 | 20.0 | 11.0 | 27.5 | 0.8 | 1,300 | 32.0 | 24.5 | 15.0 | 27.5 | 0.8 | 2,000 | 32.0 | 33.0 | 18.0 | 27.5 | 0.8 | 2,200 |
| 0.18 | 184 | 32.0 | 22.0 | 13.0 | 27.5 | 0.8 | 1,300 | 32.0 | 24.5 | 15.0 | 27.5 | 0.8 | 2,000 |
|
|||||
| 0.22 | 224 | 32.0 | 22.0 | 13.0 | 27.5 | 0.8 | 1,300 | 32.0 | 33.0 | 18.0 | 27.5 | 0.8 | 2,000 | ||||||
| 0.27 | 274 | 32.0 | 24.5 | 15.0 | 27.5 | 0.8 | 1,300 | 32.0 | 33.0 | 18.0 | 27.5 | 0.8 | 2,000 | ||||||
| 0.33 | 334 | 32.0 | 28.0 | 14.0 | 27.5 | 0.8 | 1,300 | 32.0 | 33.0 | 18.0 | 27.5 | 0.8 | 2,000 | ||||||
| 0.39 | 394 | 32.0 | 33.0 | 18.0 | 27.5 | 0.8 | 1,300 | ||||||||||||
| 0.47 | 474 | 32.0 | 33.0 | 18.0 | 27.5 | 0.8 | 1,300 | ||||||||||||
VRMS VS. Frecuencia, valor típico

DIAGRAMA DE CÓDIGOS DE CINTA RADIAL

Higo. 4 Caja o recubierto de epoxi.
F=10 = Sólo munición
F=15 Cada dos espacios omitidos porque
de cuerpo más grande – Sólo munición
(RT3 o RT4)
| Descripción |
Carta |
Dimensión (mm) | |
| RT4 | Tol. | ||
| Diámetro del alambre de plomo | d | 0.6 / 0.8 | ± 0.05 |
| Tono de cinta | PAG | 25.4 | ± 1 |
| Tono de orificio de alimentación | Después | 12.7 | ± 0.2 |
| Centrado del cable de plomo | P1 | 5.2 | ± 0.7 |
| Centrado del cuerpo | P2 | 12.7 | ± 1.3 |
| Espaciado de plomo (Paso) | F | 15 | + 0.6; -0.1 |
| Alineación de componentes | ΔH | 0 | ± 2 |
| Altura del componente desde el centro de la cinta | H | 18.5 | ± 0.5 |
| Ancho de la cinta portadora | W | 18 | + 1; -0.5 |
| Mantenga presionado el ancho de la cinta | Wo | 10 | Mínimo |
| Posición de orificio | W1 | 9 | ± 0.5 |
| Mantenga presionada la posición de la cinta | W2 | 3 | Máximo |
| Diámetro del orificio de alimentación | Hacer | 4 | ± 0.2 |
| Espesor de la cinta | T | 0.5 | ± 0.2 |
| Cifra | higo | 4 | |
Observación: *Subsidio de tono acumulado menos de 1 mm a la suma de 20 lanzamiento.
*Componente vacío continuo menos que 3 piezas consecutivas.
*Total vacío en un carrete menos que 1%.
INTRODUCCIÓN
La serie CDBB está construida específicamente para la corrección del factor de potencia. (PFC) aplicaciones. Se seleccionó la película y se aplicó la metalización específicamente para aplicaciones de alto dv/dt.










