Screw Electrolytic Capacitors ▏105℃ 5,000Hrs ▏CAWE
विशेषताएँ
Endurance with ripple current: 105℃,5,000 घंटे
Used for air conditioner、सामान्य प्रयोजन इन्वर्टर、Power Supplies
RoHS Complian
Endurance with ripple current: 105℃,5,000 घंटे
Used for air conditioner、सामान्य प्रयोजन इन्वर्टर、Power Supplies
RoHS Complian
विशेष विवरण
| वस्तु | प्रदर्शन | |||||||
| संचालन तापमान. | -40°C ~+105°C | |||||||
| कैपेसिटेंस टॉलरेंस | ± 20% (120हर्ट्ज, 20° C) | |||||||
| लीकेज करंट (20°C पर) | मैं = 0.01सीवी या 5 (एमए) जो भी छोटा हो (बाद 5 मिनट) कहाँ, C=
rated capacitance in F. वी = वी में रेटेड डीसी कार्यशील वोल्टेज. |
|||||||
| अपव्यय कारक तन
120Hz पर, 20° C |
टैन(अधिकतम) | 0.15 | ||||||
| कम तापमान के लक्षण (120Hz पर) | धारिता परिवर्तन: सी(-25° C)/ सी(+20° C) 0.7 | |||||||
|
लोड लाइफ टेस्ट पर 20 रेटेड रिपल करंट के साथ डीसी वोल्टेज के अधीन करने के बाद डिग्री सेल्सियस लागू किया जाता है 5000 105°C पर घंटे |
परीक्षण समय | 5000 घंटे | ||||||
| धारिता परिवर्तन | प्रारंभिक मूल्य के ±15% के भीतर | |||||||
| अपव्यय कारक | से कम 175% निर्दिष्ट मूल्य का | |||||||
| रिसाव वर्तमान | निर्दिष्ट मूल्य के भीतर | |||||||
| शेल्फ जीवन परीक्षण पर 20 उन्हें उजागर करने के बाद डिग्री सेल्सियस 1000 वोल्टेज लागू किए बिना 105°C पर घंटे. माप से पहले रेटेड वोल्टेज कैपेसिटर पर लागू किया जाएगा.
(जेआईएस का संदर्भ लें 5102) |
परीक्षण समय | 1000 घंटे | ||||||
| धारिता परिवर्तन | प्रारंभिक मूल्य के ±20% के भीतर | |||||||
| अपव्यय कारक | से कम 200% निर्दिष्ट मूल्य का | |||||||
| रिसाव वर्तमान | निर्दिष्ट मूल्य के भीतर | |||||||
| वर्तमान लहर & आवृत्ति गुणक | आवृत्ति | य (हर्ट्ज) | 50 / 60 | 120 | 300 | 1के | 10कप | |
| गुणक | 0.7 | 1.0 | 1.1 | 1.3 | 1.4 | |||
| वर्तमान लहर & तापमान गुणक | तापमान (° C) | 40 | 60 | 85 | 105 | |||
| मल्टीप्लायर | 2.44 | 2.16 | 2.00 | 1.00 | ||||
| मानकों | JIS C की विशेषता W को संतुष्ट करता है 5101-4 | |||||||
भाग संख्या उदाहरण
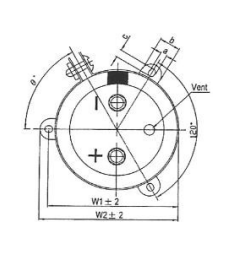
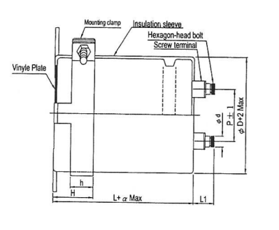
DIMENSIONS
| डी | पी | L1 | W1 | डब्ल्यू 2 | एच | एच | ए | बी | सी | ° | |
| 51 | 22.0 | 2 | 10 | 61.0 | 65.5 | 21.0 | 15.0 | 7.0 | 12.0 | 4.5 | 60 |
| 64 | 28.6 | 2 | 10 | 72.5 | 78.0 | 25.0 | 20.0 | 7.0 | 14.0 | 4.5 | 60 |
| 77 | 32.0 | 2 | 10 | 85.5 | 91.0 | 35.0 | 20.0 | 8.0 | 16.0 | 4.5 | 60 |
| 90 | 32.0 | 2 | 10 | 101 | 106 | 34.5 | 20.0 | 8.0 | 16.0 | 5.0 | 60 |
पेंच विशिष्टताएँ:
साथ ही षट्कोण-प्रधान पेंच: एम5 एक्स 0.8 एक्स 10 अधिकतम. पेंच कसने वाला टॉर्क: 3.23एनएम
DIMENSIONS & अनुमेय तरंग धारा
| V.D C वस्तु
यूएफ |
350वी (2वी) | 400वी (2जी) | 450वी (2डब्ल्यू) | |||||||||
| आकार कोड | डीएक्सएल | टैन | वर्तमान लहर | आकार कोड | डीएक्सएल | टैन | वर्तमान लहर | आकार कोड | डीएक्सएल | टैन | वर्तमान लहर | |
| 1000 | बी075 | 51×75 | 0.15 | 3.9 | बी075 | 51X75 | 0.15 | 3.9 | बी096 | 51X96 | 0.15 | 4.2 |
| 1200 | बी075 | 51×75 | 0.15 | 4.2 | बी096 | 51X96 | 0.15 | 4.6 | बी115 | 51X115 | 0.15 | 5.0 |
| 1500 | बी096 | 51×96 | 0.15 | 5.2 | बी115 | 51X115 | 0.15 | 5.6 | बी130 | 51X130 | 0.15 | 5.9 |
| 1800 | बी096 | 51×96 | 0.15 | 5.7 | बी130 | 51X130 | 0.15 | 6.4 | सी096 | 64X96 | 0.15 | 6.3 |
| 2200 | बी130 | 51×130 | 0.15 | 7.1 | सी096 | 64X96 | 0.15 | 6.9 | सी115 | 64X115 | 0.15 | 7.4 |
| 2700 | सी096 | 64×96 | 0.15 | 7.7 | सी115 | 64X115 | 0.15 | 8.2 | सी130 | 64X130 | 0.15 | 8.6 |
| डी115 | 77X115 | 0.15 | 8.7 | |||||||||
| 3300 | सी115 | 64×115 | 0.15 | 9.1 | सी130 | 64X130 | 0.15 | 9.5 | सी155 | 64×155 | 0.15 | 10.2 |
| डी130 | 77X130 | 0.15 | 10.1 | |||||||||
| 3900 | सी130 | 64×130 | 0.15 | 10.4 | सी155 | 64×155 | 0.15 | 11.1 | डी155 | 77X155 | 0.15 | 11.7 |
| डी115 | 77X115 | 0.15 | 10.4 | |||||||||
| 4700 | सी155 | 64×155 | 0.15 | 12.2 | डी130 | 77X130 | 0.15 | 12.0 | डी155 | 77×155 | 0.15 | 12.9 |
| डी115 | 77×115 | 0.15 | 11.5 | |||||||||
| 5600 | डी130 | 77×130 | 0.15 | 13.1 | डी155 | 77X155 | 0.15 | 14.0 | E157 | 90X157 | 0.15 | 14.9 |
| 6800 | डी155 | 77×155 | 0.15 | 15.5 | E157 | 90X157 | 0.15 | 16.5 | ||||
| 8200 | E157 | 90×157 | 0.15 | 18.1 | E157 | 90X157 | 0.15 | 18.1 | ||||
| 10000 | E157 | 90×157 | 0.15 | 19.9 | ||||||||
विशेषताएँ
◆ तरंग धारा के साथ सहनशक्ति: 105℃,5,000 घंटे
◆ एयर कंडीशनर के लिए उपयोग किया जाता है, general purpose inverter and Power Supplies
◆ RoHS अनुरूप











