मेटालाइज्ड पॉलीप्रोपाइलीन फिल्म संधारित्र |कम डीएफ| सीडीबीसी
सीडीबीसी श्रृंखला का निर्माण धातुकृत पॉलीप्रोपाइलीन फिल्म ढांकता हुआ के साथ किया गया है, कॉपरप्लाई लेड और फ्लेम रिटार्डेंट एपॉक्सी रेज़िन कोटिंग. उपयुक्त अवरोधन, द्वारा- उत्तीर्ण, युग्मन, decoupling, छनन, समय, ट्यूनिंग, तापमान क्षतिपूर्ति और गिट्टी में उपयोग के लिए आदर्श, बिजली की आपूर्ति स्विच करना, दूरसंचार उपकरण, औद्योगिक उपकरण, स्वचालित नियंत्रण प्रणाली और अन्य सामान्य इलेक्ट्रॉनिक उपकरण.
विशेषताएँ
◆ उच्च आवृत्ति पर कम अपव्यय कारक
◆ उच्च समाई और अपव्यय कारक स्थिरता
◆ गैर-प्रेरक निर्माण
◆ स्व-उपचार
◆ ज्वाला मंदक एपॉक्सी राल कोटिंग (UL 94V के अनुरूप-0)
विशेष विवरण
| सामान | प्रदर्शन | ||||||
| ऑपरेटिंग वोल्टेज रेंज | 100ग्राम रक्षा समिति, 250ग्राम रक्षा समिति, 400ग्राम रक्षा समिति, 630ग्राम रक्षा समिति | ||||||
| रेटेड तापमान | -40 ˚C ~ +85ºC | ||||||
| प्रयोग करने योग्य ऊपरी श्रेणी का तापमान | +105ºसी
(+85˚C ~ +110ºC से अधिक रेटेड वोल्टेज का व्युत्पन्न अनुपात: 1.5% रेटेड वोल्टेज के प्रति ºC) |
||||||
| कैपेसिटेंस रेंज | 0.01 µF ~ 10 μF | ||||||
| कैपेसिटेंस सहनशीलता | +3% (एच), +5% (जे), +10% (के) | ||||||
|
अपव्यय कारक |
KHz | सी < 0.1 μF | 0.1 < सी < 1.0 μF | 1.0 < सी < 3.0 μF | 3.0 < सी < 5.0 μF | 5.0 < सी < 10 μF | |
| 1 | < 0.10% | ||||||
| 100 | < 0.40% | < 0.70% | < 1.20% | < 1.80% | < 2.80% | ||
|
इन्सुलेशन प्रतिरोध टर्मिनल से टर्मिनल तक |
वोल्टेज चार्ज: 100वीडीसी x 1 मिनट (20˚C पर + 5सी)
> 30,000सी के लिए एमΩ < 0.33μF > 10,000C के लिए MΩ x µF > 0.33μF |
||||||
| वोल्टेज का सामना करें | टर्मिनल से टर्मिनल: (20˚C पर + 5सी) | ||||||
|
रेटेड वोल्टेज पल्स स्लोप dV/dt (वी/μs) |
आवाज़ का उतार-चढ़ाव
वी.आर |
7.5मिमी | 10मिमी | 15मिमी | 22.5मिमी | 27.5मिमी | |
| 100ग्राम रक्षा समिति | 130 | 110 | 100 | 70 | 50 | ||
| 250ग्राम रक्षा समिति | 240 | 220 | 200 | 130 | 100 | ||
| 400ग्राम रक्षा समिति | — | 350 | 300 | 200 | 150 | ||
| 630ग्राम रक्षा समिति | — | 420 | 400 | 250 | 180 | ||
विश्वसनीयता परीक्षण
| वस्तु | परीक्षा तरीकों | आवश्यकताएं |
| सोल्डरिंग हीट आईईसी का प्रतिरोध 60068-2-20 | सोल्डर स्नान: 260ºसी + 5ºC विसर्जन का समय: 10सेकंड + 1सेकंड | धारिता परिवर्तन ІΔ C/C : <1% डीएफ परिवर्तन Δ तन डी : 0.1% 1KHz आईआर पर: > सीमा मूल्य |
| कंपन आईईसी का प्रतिरोध 60068-2-6 | आवृति सीमा: 10हर्ट्ज से 55 हर्ट्ज आयाम: 1.5मिमी
अवधि: 6 घंटे |
कोई दृश्यमान क्षति नहीं होगी, कोई रुक-रुक कर संपर्क नहीं,
कोई खुला या शॉर्ट सर्किट नहीं |
| नम गर्मी, स्थिर अवस्था आईईसी 60068-2-3 | तापमान: 40ºसी + 2ºC सापेक्ष आर्द्रता: 90% को 95%
अवधि: 1,000 घंटे |
धारिता परिवर्तन ІΔC/C І< : 3% डीएफ परिवर्तन Δ तन डी: 0.1% 1KHz आईआर पर: > 50% सीमा मूल्य |
| विद्युत सहनशक्ति आईईसी 60384-17 | तापमान: 85ºसी + 2ºC वोल्टेज लागू: 1.25 एक्स वीआर(डीसी) अवधि: 2,000 घंटे | धारिता परिवर्तन ІΔC/CІ< : 3% डीएफ परिवर्तन Δ तन डी : 0.1% 1KHz आईआर पर: > 50% सीमा मूल्य |
अधिकतम आयाम
| डब्ल्यू.वी. | 100ग्राम रक्षा समिति (2ए) | 250ग्राम रक्षा समिति (2ई) | 400ग्राम रक्षा समिति (2जी) | 630ग्राम रक्षा समिति (2जे) | |||||||||||||||||
| (μF) | कोड | डब्ल्यू | एच | टी | पी | डी | डब्ल्यू | एच | टी | पी | डी | डब्ल्यू | एच | टी | पी | डी | डब्ल्यू | एच | टी | पी | डी |
| 0.010 | 103 | 10.5 | 7.5 | 4.0 | 7.5 | 0.6 | 10.5 | 9.0 | 5.5 | 7.5 | 0.6 | ||||||||||
| 0.012 | 123 | 10.5 | 8.5 | 4.0 | 7.5 | 0.6 | 10.5 | 9.5 | 6.0 | 7.5 | 0.6 | ||||||||||
| 0.015 | 153 | 10.5 | 9.0 | 4.5 | 7.5 | 0.6 | 10.5 | 10.5 | 6.0 | 7.5 | 0.6 | ||||||||||
| 0.018 | 183 | 10.5 | 9.5 | 4.5 | 7.5 | 0.6 | 10.5 | 11.0 | 6.5 | 7.5 | 0.6 | ||||||||||
| 0.022 | 223 | 10.5 | 7.5 | 4.0 | 7.5 | 0.6 | 10.5 | 10.0 | 5.0 | 7.5 | 0.6 | 13.0 | 10.0 | 6.0 | 10.0 | 0.6 | |||||
| 0.027 | 273 | 10.5 | 8.0 | 4.0 | 7.5 | 0.6 | 10.5 | 10.5 | 5.5 | 7.5 | 0.6 | 13.0 | 11.0 | 6.5 | 10.0 | 0.6 | |||||
| 0.033 | 333 | 10.5 | 8.5 | 4.5 | 7.5 | 0.6 | 10.5 | 11.0 | 6.0 | 7.5 | 0.6 | 13.0 | 11.5 | 7.0 | 10.0 | 0.6 | |||||
| 0.039 | 393 | 10.5 | 9.0 | 4.5 | 7.5 | 0.6 | 13.0 | 11.0 | 5.5 | 10.0 | 0.6 | 13.0 | 12.0 | 8.0 | 10.0 | 0.6 | |||||
| 0.047 | 473 | 10.5 | 7.5 | 4.0 | 7.5 | 0.6 | 10.5 | 10.0 | 4.5 | 7.5 | 0.6 | 13.0 | 11.0 | 5.5 | 10.0 | 0.6 | 13.0 | 13.0 | 8.0 | 10.0 | 0.6 |
| 0.056 | 563 | 10.5 | 8.0 | 4.0 | 7.5 | 0.6 | 10.5 | 10.5 | 5.0 | 7.5 | 0.6 | 13.0 | 11.5 | 6.0 | 10.0 | 0.6 | 13.0 | 14.0 | 9.0 | 10.0 | 0.6 |
| 0.068 | 683 | 10.5 | 9.0 | 4.5 | 7.5 | 0.6 | 10.5 | 11.0 | 5.5 | 7.5 | 0.6 | 13.0 | 12.5 | 6.5 | 10.0 | 0.6 | 18.0 | 12.5 | 7.0 | 15.0 | 0.8 |
| 0.082 | 823 | 10.5 | 9.5 | 4.5 | 7.5 | 0.6 | 10.5 | 11.5 | 6.0 | 7.5 | 0.6 | 13.0 | 13.0 | 7.0 | 10.0 | 0.6 | 18.0 | 13.0 | 7.5 | 15.0 | 0.8 |
| 0.10 | 104 | 10.5 | 10.0 | 5.0 | 7.5 | 0.6 | 10.5 | 12.0 | 6.5 | 7.5 | 0.6 | 13.0 | 13.5 | 8.0 | 10.0 | 0.6 | 18.0 | 14.0 | 8.0 | 15.0 | 0.8 |
| 0.12 | 124 | 10.5 | 10.0 | 5.5 | 7.5 | 0.6 | 13.0 | 11.5 | 6.0 | 10.0 | 0.6 | 18.0 | 12.0 | 6.0 | 15.0 | 0.8 | 18.0 | 15.5 | 8.0 | 15.0 | 0.8 |
| 0.15 | 154 | 10.5 | 11.0 | 6.0 | 7.5 | 0.6 | 13.0 | 12.0 | 6.5 | 10.0 | 0.6 | 18.0 | 12.5 | 7.0 | 15.0 | 0.8 | 18.0 | 16.5 | 9.0 | 15.0 | 0.8 |
| 0.18 | 184 | 10.5 | 11.5 | 6.5 | 7.5 | 0.6 | 13.0 | 12.5 | 7.0 | 10.0 | 0.6 | 18.0 | 13.5 | 8.5 | 15.0 | 0.8 | 18.0 | 17.5 | 10.0 | 15.0 | 0.8 |
| 0.22 | 224 | 13.0 | 11.5 | 6.0 | 10.0 | 0.6 | 13.0 | 13.0 | 7.5 | 10.0 | 0.6 | 18.0 | 15.0 | 8.0 | 15.0 | 0.8 | 18.0 | 18.5 | 11.5 | 15.0 | 0.8 |
| 0.27 | 274 | 13.0 | 12.0 | 6.5 | 10.0 | 0.6 | 18.0 | 13.0 | 6.0 | 15.0 | 0.8 | 18.0 | 16.0 | 8.5 | 15.0 | 0.8 | 25.5 | 18.0 | 9.0 | 22.5 | 0.8 |
| 0.33 | 334 | 13.0 | 13.0 | 7.0 | 10.0 | 0.6 | 18.0 | 14.0 | 6.5 | 15.0 | 0.8 | 18.0 | 17.0 | 9.5 | 15.0 | 0.8 | 25.5 | 19.0 | 10.0 | 22.5 | 0.8 |
| 0.39 | 394 | 13.0 | 13.5 | 7.5 | 10.0 | 0.6 | 18.0 | 14.5 | 7.0 | 15.0 | 0.8 | 18.0 | 18.0 | 10.5 | 15.0 | 0.8 | 25.5 | 20.0 | 11.0 | 22.5 | 0.8 |
| 0.47 | 474 | 13.0 | 14.0 | 8.5 | 10.0 | 0.6 | 18.0 | 15.0 | 8.0 | 15.0 | 0.8 | 25.5 | 16.0 | 9.0 | 22.5 | 0.8 | 20.5 | 20.5 | 12.0 | 17.5 | 0.8 |
| 25.5 | 21.0 | 12.0 | 22.5 | 0.8 | |||||||||||||||||
| 0.56 | 564 | 18.0 | 14.0 | 7.0 | 15.0 | 0.8 | 18.0 | 16.0 | 8.5 | 15.0 | 0.8 | 25.5 | 17.0 | 10.0 | 22.5 | 0.8 | 25.5 | 22.5 | 13.5 | 22.5 | 0.8 |
| 0.68 | 684 | 18.0 | 15.0 | 7.5 | 15.0 | 0.8 | 18.0 | 17.0 | 9.5 | 15.0 | 0.8 | 25.5 | 18.0 | 11.0 | 22.5 | 0.8 | 25.5 | 24.0 | 15.0 | 22.5 | 0.8 |
| 0.82 | 824 | 18.0 | 15.5 | 8.0 | 15.0 | 0.8 | 18.0 | 18.5 | 10.0 | 15.0 | 0.8 | 25.5 | 20.0 | 11.0 | 22.5 | 0.8 | 25.5 | 25.5 | 16.5 | 22.5 | 0.8 |
| 1.00 | 105 | 18.0 | 16.5 | 9.0 | 15.0 | 0.8 | 18.0 | 20.0 | 11.0 | 15.0 | 0.8 | 25.5 | 21.5 | 12.5 | 22.5 | 0.8 | 26.0 | 16.5 | 12.0 | 22.5 | 0.8 |
| 31.5 | 25.0 | 16.0 | 27.5 | 0.8 | |||||||||||||||||
| 1.20 | 125 | 18.0 | 17.5 | 10.0 | 15.0 | 0.8 | 25.5 | 18.0 | 9.0 | 22.5 | 0.8 | 25.5 | 23.0 | 14.0 | 22.5 | 0.8 | 31.5 | 27.0 | 18.0 | 27.5 | 0.8 |
| 1.50 | 155 | 18.0 | 18.5 | 11.5 | 15.0 | 0.8 | 25.5 | 19.5 | 10.5 | 22.5 | 0.8 | 25.5 | 24.5 | 15.5 | 22.5 | 0.8 | |||||
| 1.80 | 185 | 25.5 | 18.0 | 9.0 | 22.5 | 0.8 | 25.5 | 20.5 | 11.5 | 22.5 | 0.8 | ||||||||||
| 2.20 | 225 | 25.5 | 19.0 | 10.0 | 22.5 | 0.8 | 25.5 | 22.0 | 13.0 | 22.5 | 0.8 | ||||||||||
| 2.70 | 275 | 25.5 | 20.0 | 11.5 | 22.5 | 0.8 | 25.5 | 23.5 | 14.5 | 22.5 | 0.8 | ||||||||||
| 3.30 | 335 | 25.5 | 24.5 | 15.5 | 22.5 | 0.8 | 25.5 | 25.5 | 16.0 | 22.5 | 0.8 | ||||||||||
भाग संख्या उदाहरण – थोक
भाग संख्या उदाहरण – रेडियल टेप
समाई
| μF | 0.01 | 0.047 | 0.1 | 0.47 | 1.0 | 3.3 |
| पीएफ | 10,000 | 47,000 | 100,000 | 470,000 | – | – |
| कोड | 103 | 473 | 104 | 474 | 105 | 335 |
सहनशीलता संहिता
| कोड | सहनशीलता |
| जे | + 5% |
| के | + 10% |
| एम | + 20% |
रेटेड वोल्टेज
| डब्ल्यू.वी. | 100 | 250 | 400 | 630 |
| कोड | 2ए | 2ई | 2जी | 2जे |
टेप कोड (आरेख देखें)
| अंतर | 7.5मिमी | 10मिमी | 15मिमी |
| पैकिंग | ए या आर | ए | ए |
| कोड | आरटी2 | RT3 | RT4 |
लीड शैली के उदाहरण
रेडियल लीड रिक्ति
* लीडस्पेस सीधा लीड गैर-निर्मित मूल लीडस्पेस है.
| मिमी | 7.5 | 10 | 15 | 22.5 | 27.5 |
| कोड | 075 | 100 | 150 | 225 | 275 |
सीटिंग प्लेन से लीड की लंबाई (यदि थोक पैक)
| मिमी | 5 | 10 | 15 | 20 | 25 |
| कोड | 050 | 100 | 150 | 200 | 250 |
पैकेजिंग
| meth | हेडी | थोक | बारूद | रील |
| कोड | बी | ए | आर | |
मुख्य शैली
| कोड | शैली |
| एस | सीधा |
| के | किंक-इन (खड़े रहो) |
| एफ | फॉर्म आउट |
| मैं | फॉर्म इन |
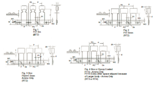
रेडियल टेपिंग कोड आरेख
विशेष विवरण
| विवरण |
पत्र |
आयाम (मिमी) |
विवरण |
पत्र |
आयाम (मिमी) | ||||||||
| RT1 | आरटी2 | RT3 | RT4 | सहने. | RT1 | आरटी2 | RT3 | RT4 | सहने. | ||||
| लीड तार का व्यास | डी | 0.5 / 0.6 | 0.5 / 0.6 | 0.6 | 0.6 / 0.8 | + 0.05 | कैरियर टेप की चौड़ाई | डब्ल्यू | 18 | 18 | 18 | 18 | + 1;-0.5 |
| टेप पिच | पी | 12.7 | 12.7 | 12.7 | 25.4 | + 1 | टेप की चौड़ाई दबाए रखें | WO | 6 | 6 | 9 | 10 | मिन |
| फ़ीड होल पिच | पीओ | 12.7 | 12.87 | 12.7 | 12.7 | + 0.2 | छेद की स्थिति | W1 | 9 | 9 | 9 | 9 | + 0.5 |
| लीड तार का केन्द्रीकरण | पी1 | 3.85 | 2.6 / 3.75 | 7.7 | 5.2 | + 0.7 | टेप की स्थिति को दबाए रखें | डब्ल्यू 2 | 3 | 3 | 3 | 3 | अधिकतम |
| शरीर का केन्द्रीकरण | पी2 | 6.35 | 6.35 | 12.7 | 12.7 | + 1.3 | फ़ीड होल व्यास | करना | 4 | 4 | 4 | 4 | + 0.2 |
| लीड रिक्ति (आवाज़ का उतार-चढ़ाव) | एफ | 5 | 7.5 | 10 | 15 | + 0.6;-0.1 | टेप की मोटाई | टी | 0.7 | 0.7 | 0.7 | 0.07 | + 0.2 |
| घटक संरेखण | ΔH | 0 | 0 | 0 | 0 | + 2 | आकृति | अंजीर | 1 या 2 | 1.2 या 3 | 4 | 4 | |
| टेप सेंटर से कंपोननेट की ऊंचाई | एच | 18.5 | 18.5 | 18.5 | 18.5 | + 0.5 | |||||||
टिप्पणी: *के योग पर 1 मिमी से कम संचित पिच का भत्ता 20 पिच.
*लगातार खाली घटक से कम 3 लगातार टुकड़े.
*एक रील पर कुल खाली से भी कम 1%.
परिचय
सीडीबीसी श्रृंखला का निर्माण धातुकृत पॉलीप्रोपाइलीन फिल्म ढांकता हुआ के साथ किया गया है, कॉपरप्लाई लेड और फ्लेम रिटार्डेंट एपॉक्सी रेज़िन कोटिंग. उपयुक्त अवरोधन, द्वारा- उत्तीर्ण, युग्मन, decoupling, छनन, समय, ट्यूनिंग, तापमान क्षतिपूर्ति और गिट्टी में उपयोग के लिए आदर्श, बिजली की आपूर्ति स्विच करना, दूरसंचार उपकरण, औद्योगिक उपकरण, स्वचालित नियंत्रण प्रणाली और अन्य सामान्य इलेक्ट्रॉनिक उपकरण.













