Metalliserad polypropylenfilm kondensator |Låg df| Cdbc
CDBC series are constructed with metalized polypropylene film dielectric, kopparbly och flamskyddande epoxihartsbeläggning. Lämplig blockering, av- passera, koppling, avkoppling, filtrering, timing, inställning, temperaturkompensation och idealisk för användning i ballaster, byta strömförsörjning, telekommunikationsutrustning, industriella instrument, automatiska styrsystem och annan allmän elektronisk utrustning.
DRAG
◆ Low dissipation factor at high frequency
◆ High capacitance and dissipation factor stability
◆ Non-inductive construction
◆ Self-healing
◆ Flame retardant epoxy resin coating (compliant to UL 94V-0)
SPECIFIKATIONER
| Föremål | Prestanda | ||||||
| Driftspänningsområde | 100Vdc, 250Vdc, 400Vdc, 630Vdc | ||||||
| Nominell temperatur | -40 ˚C ~ +85ºC | ||||||
| Användbar övre kategoritemperatur | +105ºC
(Derating ratio of rated voltage over +85˚C ~ +110º C: 1.5% per ºC of RatedVoltage) |
||||||
| Kapacitansområde | 0.01 µF ~ 10 µF | ||||||
| Kapacitansolerans | +3% (H), +5% (J), +10% (K) | ||||||
|
Spridningsfaktor |
Khz | C < 0.1 µF | 0.1 < C < 1.0 µF | 1.0 < C < 3.0 µF | 3.0 < C < 5.0 µF | 5.0 < C < 10 µF | |
| 1 | < 0.10% | ||||||
| 100 | < 0.40% | < 0.70% | < 1.20% | < 1.80% | < 2.80% | ||
|
Isolationsmotstånd Terminal till terminal |
Spänningsladdning: 100VDC x 1 min (vid 20˚C + 5˚C)
> 30,000MΩ for C < 0.33µF > 10,000MΩ x µF for C > 0.33µF |
||||||
| Tål spänning | Terminal till terminal: (vid 20˚C + 5˚C) | ||||||
|
Nominell spänning Pulslutning dV/dt (V/µs) |
Tonhöjd
VR |
7.5mm | 10mm | 15mm | 22.5mm | 27.5mm | |
| 100Vdc | 130 | 110 | 100 | 70 | 50 | ||
| 250Vdc | 240 | 220 | 200 | 130 | 100 | ||
| 400Vdc | — | 350 | 300 | 200 | 150 | ||
| 630Vdc | — | 420 | 400 | 250 | 180 | ||
RELIABILITY TEST
| Punkt | Testa Metoder | Krav |
| Resistance to Soldering Heat IEC 60068-2-20 | Lödbad: 260ºC + 5ºC Immersion Time: 10sek + 1sek | Capacitance Change ІΔ C/C : <1% DF Change Δ tan δ : 0.1% at 1KHz IR: > gränsvärde |
| Resistance to Vibration IEC 60068-2-6 | Frekvensintervall: 10Hz till 55Hz amplitud: 1.5mm
Varaktighet: 6 timmar |
Det ska inte finnas någon synlig skada, Ingen intermittent kontakt,
Ingen öppen eller kortslutning |
| Fuktig värme, Steady State IEC 60068-2-3 | Temperatur: 40ºC + 2ºC Relative Humidity: 90% till 95%
Varaktighet: 1,000 timmar |
Capacitance Change ІΔC/C І< : 3% DF Change Δ tan δ: 0.1% vid 1KHz IR: > 50% gränsvärde |
| Electrical Endurance IEC 60384-17 | Temperatur: 85ºC + 2ºC Voltage Applied: 1.25 x VR(DC) Varaktighet: 2,000 timmar | Capacitance Change ІΔC/CІ< : 3% DF Change Δ tan δ : 0.1% at 1KHz IR: > 50% gränsvärde |
MAXIMALA DIMENSIONER
| W.V. | 100Vdc (2En) | 250Vdc (2E) | 400Vdc (2G) | 630Vdc (2J) | |||||||||||||||||
| (µF) | Koda | W | H | T | P | d | W | H | T | P | d | W | H | T | P | d | W | H | T | P | d |
| 0.010 | 103 | 10.5 | 7.5 | 4.0 | 7.5 | 0.6 | 10.5 | 9.0 | 5.5 | 7.5 | 0.6 | ||||||||||
| 0.012 | 123 | 10.5 | 8.5 | 4.0 | 7.5 | 0.6 | 10.5 | 9.5 | 6.0 | 7.5 | 0.6 | ||||||||||
| 0.015 | 153 | 10.5 | 9.0 | 4.5 | 7.5 | 0.6 | 10.5 | 10.5 | 6.0 | 7.5 | 0.6 | ||||||||||
| 0.018 | 183 | 10.5 | 9.5 | 4.5 | 7.5 | 0.6 | 10.5 | 11.0 | 6.5 | 7.5 | 0.6 | ||||||||||
| 0.022 | 223 | 10.5 | 7.5 | 4.0 | 7.5 | 0.6 | 10.5 | 10.0 | 5.0 | 7.5 | 0.6 | 13.0 | 10.0 | 6.0 | 10.0 | 0.6 | |||||
| 0.027 | 273 | 10.5 | 8.0 | 4.0 | 7.5 | 0.6 | 10.5 | 10.5 | 5.5 | 7.5 | 0.6 | 13.0 | 11.0 | 6.5 | 10.0 | 0.6 | |||||
| 0.033 | 333 | 10.5 | 8.5 | 4.5 | 7.5 | 0.6 | 10.5 | 11.0 | 6.0 | 7.5 | 0.6 | 13.0 | 11.5 | 7.0 | 10.0 | 0.6 | |||||
| 0.039 | 393 | 10.5 | 9.0 | 4.5 | 7.5 | 0.6 | 13.0 | 11.0 | 5.5 | 10.0 | 0.6 | 13.0 | 12.0 | 8.0 | 10.0 | 0.6 | |||||
| 0.047 | 473 | 10.5 | 7.5 | 4.0 | 7.5 | 0.6 | 10.5 | 10.0 | 4.5 | 7.5 | 0.6 | 13.0 | 11.0 | 5.5 | 10.0 | 0.6 | 13.0 | 13.0 | 8.0 | 10.0 | 0.6 |
| 0.056 | 563 | 10.5 | 8.0 | 4.0 | 7.5 | 0.6 | 10.5 | 10.5 | 5.0 | 7.5 | 0.6 | 13.0 | 11.5 | 6.0 | 10.0 | 0.6 | 13.0 | 14.0 | 9.0 | 10.0 | 0.6 |
| 0.068 | 683 | 10.5 | 9.0 | 4.5 | 7.5 | 0.6 | 10.5 | 11.0 | 5.5 | 7.5 | 0.6 | 13.0 | 12.5 | 6.5 | 10.0 | 0.6 | 18.0 | 12.5 | 7.0 | 15.0 | 0.8 |
| 0.082 | 823 | 10.5 | 9.5 | 4.5 | 7.5 | 0.6 | 10.5 | 11.5 | 6.0 | 7.5 | 0.6 | 13.0 | 13.0 | 7.0 | 10.0 | 0.6 | 18.0 | 13.0 | 7.5 | 15.0 | 0.8 |
| 0.10 | 104 | 10.5 | 10.0 | 5.0 | 7.5 | 0.6 | 10.5 | 12.0 | 6.5 | 7.5 | 0.6 | 13.0 | 13.5 | 8.0 | 10.0 | 0.6 | 18.0 | 14.0 | 8.0 | 15.0 | 0.8 |
| 0.12 | 124 | 10.5 | 10.0 | 5.5 | 7.5 | 0.6 | 13.0 | 11.5 | 6.0 | 10.0 | 0.6 | 18.0 | 12.0 | 6.0 | 15.0 | 0.8 | 18.0 | 15.5 | 8.0 | 15.0 | 0.8 |
| 0.15 | 154 | 10.5 | 11.0 | 6.0 | 7.5 | 0.6 | 13.0 | 12.0 | 6.5 | 10.0 | 0.6 | 18.0 | 12.5 | 7.0 | 15.0 | 0.8 | 18.0 | 16.5 | 9.0 | 15.0 | 0.8 |
| 0.18 | 184 | 10.5 | 11.5 | 6.5 | 7.5 | 0.6 | 13.0 | 12.5 | 7.0 | 10.0 | 0.6 | 18.0 | 13.5 | 8.5 | 15.0 | 0.8 | 18.0 | 17.5 | 10.0 | 15.0 | 0.8 |
| 0.22 | 224 | 13.0 | 11.5 | 6.0 | 10.0 | 0.6 | 13.0 | 13.0 | 7.5 | 10.0 | 0.6 | 18.0 | 15.0 | 8.0 | 15.0 | 0.8 | 18.0 | 18.5 | 11.5 | 15.0 | 0.8 |
| 0.27 | 274 | 13.0 | 12.0 | 6.5 | 10.0 | 0.6 | 18.0 | 13.0 | 6.0 | 15.0 | 0.8 | 18.0 | 16.0 | 8.5 | 15.0 | 0.8 | 25.5 | 18.0 | 9.0 | 22.5 | 0.8 |
| 0.33 | 334 | 13.0 | 13.0 | 7.0 | 10.0 | 0.6 | 18.0 | 14.0 | 6.5 | 15.0 | 0.8 | 18.0 | 17.0 | 9.5 | 15.0 | 0.8 | 25.5 | 19.0 | 10.0 | 22.5 | 0.8 |
| 0.39 | 394 | 13.0 | 13.5 | 7.5 | 10.0 | 0.6 | 18.0 | 14.5 | 7.0 | 15.0 | 0.8 | 18.0 | 18.0 | 10.5 | 15.0 | 0.8 | 25.5 | 20.0 | 11.0 | 22.5 | 0.8 |
| 0.47 | 474 | 13.0 | 14.0 | 8.5 | 10.0 | 0.6 | 18.0 | 15.0 | 8.0 | 15.0 | 0.8 | 25.5 | 16.0 | 9.0 | 22.5 | 0.8 | 20.5 | 20.5 | 12.0 | 17.5 | 0.8 |
| 25.5 | 21.0 | 12.0 | 22.5 | 0.8 | |||||||||||||||||
| 0.56 | 564 | 18.0 | 14.0 | 7.0 | 15.0 | 0.8 | 18.0 | 16.0 | 8.5 | 15.0 | 0.8 | 25.5 | 17.0 | 10.0 | 22.5 | 0.8 | 25.5 | 22.5 | 13.5 | 22.5 | 0.8 |
| 0.68 | 684 | 18.0 | 15.0 | 7.5 | 15.0 | 0.8 | 18.0 | 17.0 | 9.5 | 15.0 | 0.8 | 25.5 | 18.0 | 11.0 | 22.5 | 0.8 | 25.5 | 24.0 | 15.0 | 22.5 | 0.8 |
| 0.82 | 824 | 18.0 | 15.5 | 8.0 | 15.0 | 0.8 | 18.0 | 18.5 | 10.0 | 15.0 | 0.8 | 25.5 | 20.0 | 11.0 | 22.5 | 0.8 | 25.5 | 25.5 | 16.5 | 22.5 | 0.8 |
| 1.00 | 105 | 18.0 | 16.5 | 9.0 | 15.0 | 0.8 | 18.0 | 20.0 | 11.0 | 15.0 | 0.8 | 25.5 | 21.5 | 12.5 | 22.5 | 0.8 | 26.0 | 16.5 | 12.0 | 22.5 | 0.8 |
| 31.5 | 25.0 | 16.0 | 27.5 | 0.8 | |||||||||||||||||
| 1.20 | 125 | 18.0 | 17.5 | 10.0 | 15.0 | 0.8 | 25.5 | 18.0 | 9.0 | 22.5 | 0.8 | 25.5 | 23.0 | 14.0 | 22.5 | 0.8 | 31.5 | 27.0 | 18.0 | 27.5 | 0.8 |
| 1.50 | 155 | 18.0 | 18.5 | 11.5 | 15.0 | 0.8 | 25.5 | 19.5 | 10.5 | 22.5 | 0.8 | 25.5 | 24.5 | 15.5 | 22.5 | 0.8 | |||||
| 1.80 | 185 | 25.5 | 18.0 | 9.0 | 22.5 | 0.8 | 25.5 | 20.5 | 11.5 | 22.5 | 0.8 | ||||||||||
| 2.20 | 225 | 25.5 | 19.0 | 10.0 | 22.5 | 0.8 | 25.5 | 22.0 | 13.0 | 22.5 | 0.8 | ||||||||||
| 2.70 | 275 | 25.5 | 20.0 | 11.5 | 22.5 | 0.8 | 25.5 | 23.5 | 14.5 | 22.5 | 0.8 | ||||||||||
| 3.30 | 335 | 25.5 | 24.5 | 15.5 | 22.5 | 0.8 | 25.5 | 25.5 | 16.0 | 22.5 | 0.8 | ||||||||||
Artikelexempel – BULK
Artikelexempel – RADIAL TAPED
KAPACITANS
| µF | 0.01 | 0.047 | 0.1 | 0.47 | 1.0 | 3.3 |
| pf | 10,000 | 47,000 | 100,000 | 470,000 | – | – |
| Koda | 103 | 473 | 104 | 474 | 105 | 335 |
TOLERANSKOD
| Koda | Tolerans |
| J | + 5% |
| K | + 10% |
| M | + 20% |
MÄRKSPÄNNING
| W.V. | 100 | 250 | 400 | 630 |
| Koda | 2En | 2E | 2G | 2J |
BANDKOD (See Diagrams)
| Mellanrum | 7.5mm | 10mm | 15mm |
| Förpackning | A eller R | En | En |
| Koda | RT2 | RT3 | Rt4 |
LEAD STYLE EXAMPLES
RADIALAVSTÅND
* Leadspace är rakt bly icke-format original leadspace.
| mm | 7.5 | 10 | 15 | 22.5 | 27.5 |
| Koda | 075 | 100 | 150 | 225 | 275 |
BLYLÄNGD FRÅN SITTPLAN (if bulk pack)
| mm | 5 | 10 | 15 | 20 | 25 |
| Koda | 050 | 100 | 150 | 200 | 250 |
FÖRPACKNING
| Meth | od | Bulk | Ammunition | Rulle |
| Koda | B | En | R | |
BLYSTIL
| Koda | Stil |
| S | Rakt |
| K | Kink-In (Stå av) |
| F | Form ut |
| Jag | Form In |
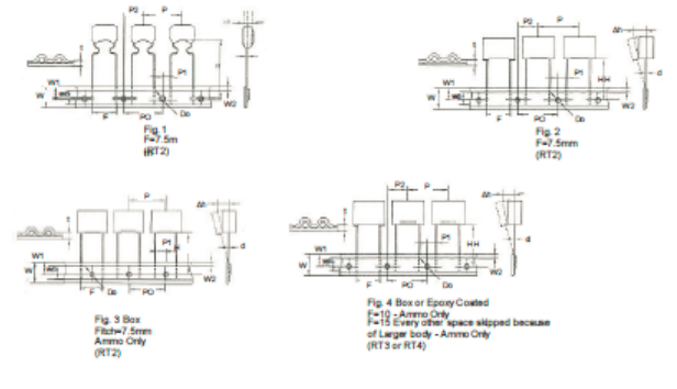
Radiell tejpningskoddiagram
SPECIFIKATIONER
| Beskrivning |
Brev |
Dimensionera (mm) |
Beskrivning |
Brev |
Dimensionera (mm) | ||||||||
| RT1 | RT2 | RT3 | Rt4 | Tol. | RT1 | RT2 | RT3 | Rt4 | Tol. | ||||
| Blytråddiameter | d | 0.5 / 0.6 | 0.5 / 0.6 | 0.6 | 0.6 / 0.8 | + 0.05 | Bärbandsbredd | W | 18 | 18 | 18 | 18 | + 1;-0.5 |
| Bandhöjd | P | 12.7 | 12.7 | 12.7 | 25.4 | + 1 | Håll ner bandbredden | Wo | 6 | 6 | 9 | 10 | Min |
| Foderhålstad | Po | 12.7 | 12.87 | 12.7 | 12.7 | + 0.2 | Hålläge | W1 | 9 | 9 | 9 | 9 | + 0.5 |
| Centrering av ledtråden | P1 | 3.85 | 2.6 / 3.75 | 7.7 | 5.2 | + 0.7 | Håll ner bandposition | W2 | 3 | 3 | 3 | 3 | Max |
| Kroppscentrering | P2 | 6.35 | 6.35 | 12.7 | 12.7 | + 1.3 | Mathåldiameter | Do | 4 | 4 | 4 | 4 | + 0.2 |
| Blyavstånd (Tonhöjd) | F | 5 | 7.5 | 10 | 15 | + 0.6;-0.1 | Bandtjocklek | t | 0.7 | 0.7 | 0.7 | 0.07 | + 0.2 |
| Component Alignment | ∆h | 0 | 0 | 0 | 0 | + 2 | Figur | fikon | 1 eller 2 | 1.2 eller 3 | 4 | 4 | |
| Komponenthöjd från bandcentret | H | 18.5 | 18.5 | 18.5 | 18.5 | + 0.5 | |||||||
Anmärkning: *Tillåtelse av ackumulerad tonhöjd mindre än 1 mm vid summan av 20 ställplatser.
*Kontinuerlig tom komponent mindre än 3 på varandra följande bitar.
*Totalt tomt på en rulle mindre än 1%.
INTRODUKTION
CDBC series are constructed with metalized polypropylene film dielectric, kopparbly och flamskyddande epoxihartsbeläggning. Lämplig blockering, av- passera, koppling, avkoppling, filtrering, timing, inställning, temperaturkompensation och idealisk för användning i ballaster, byta strömförsörjning, telekommunikationsutrustning, industriella instrument, automatiska styrsystem och annan allmän elektronisk utrustning.













