Hybrid Tantalkondensatorer med hög energi|CBEA
Tantalfodral, Hermetiskt förseglad, Cylindrisk, Radiellt bly, Heteropolaritet
Blandas av elektrolytisk tantalkondensator och elektrokemisk kondensator, Liten storlek, Super Kapacitans.
Stabil i elektriska prestanda, Hög tillförlitlighet, Lång livslängd, Maximum in the Density of Capacitance and Energy Built-in as battery in Energy-conversed-circuit & Effektpulsad krets, fungerade som filtrering, lagringsenergi, tidsfördröjningskrets.
SPECIFIKATIONER
Driftstemperatur: -55℃ till +125 ℃ (till +125℃, with rated voltage derating)
Förvaringstemperatur: -62℃ ~ +130℃
Kapacitansolerans:Q: (-10%~+30 %), K: (± 10%), M: (± 20%)
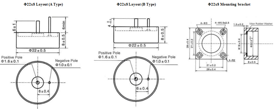
Mått (enhet: mm)
Please visit our website to get more update data, those data & specification are subject to change without notice.
Artikelexempel

Mått (enhet: mm)
Mått (enhet: mm)
Notera:
1.Vänligen använd inte multimeter genom mätprocedurerna (kan orsaka oåterkalleliga skador och leda till kassering).
2.Kapacitans och DF uppmätt vid 100Hz, U_=2.200-1.0V, U~=1.00-0.5V Test only applied in series equivalent circuit.
3.Spänningsnedstämpling tillämpas vid +125℃. (DCL-parametern bör läsas efter 5 minuter när den ansluts till kretsen).
4.Speciell storlek och efterfrågan kan rådfråga oss.
Egenskaper och tillämpning
◆Tantalfodral, Hermetiskt förseglad, Cylindrisk, Radiellt bly, Heteropolaritet
◆ Tillsammans med elektrolytisk tantalkondensator och elektrokemisk kondensator, Liten storlek, Super Kapacitans.
◆ Stabil i elektriska prestanda, Hög tillförlitlighet, Lång livslängd, Maximalt i tätheten av kapacitans och energi
◆Inbyggt som batteri i energiomvandlad krets & Effektpulsad krets, fungerade som filtrering, lagringsenergi, tidsfördröjningskrets















