Hibridni kondenzatori visokih energije Hybrid Tantalum|Cbel
Slučaj tantal, Hermetički zatvoreno, Cilindrične, Radijalni vod, Heteropolarnost, sa zavrtnjima, zgodno za popravljanje Pomiješano elektrolitičkim tantalnim kondenzatorom i elektrohemijskim kondenzatorom, Mala veličina, Super Kapacitet
Stabilan u električnim performansama, Visoka pouzdanost, Dug životni vek, Maksimum u gustoći kapacitivnosti i energije, Nominalni kapacitet je veći od CBEF serije
Ugrađena kao baterija u strujnom krugu & Snaga-pulsno kolo, funkcionisalo kao filtriranje, skladištenje energije,kola sa vremenskim kašnjenjem.
Specifikacije
Radna temperatura:-55℃ do +125 ℃ (do +125℃, sa ocijenjeno
Temperatura skladištenja:-62℃ ~ +130℃
Tolerancija na kapacitet:Q: (-10%~+30%), K: (± 10%), M: (± 20%)
Primjer broja dijelova
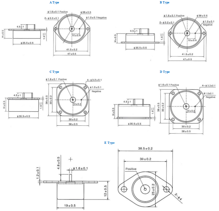
Dimenzije (jedinica: mm)
Zabilježiti
1.Nemojte koristiti multimetar u mjernim procedurama (može uzrokovati nepovratnu štetu i dovesti do odlaganja).
2.Kapacitet i DF izmjereni na 100Hz, U_=2.200 V, U =1,00- V Test se primjenjuje samo u serijskom ekvivalentnom kolu.
3.Smanjenje napona se primjenjuje na +125℃. (Nakon toga treba pročitati DCL parametar 5 minuta kada se spoji na kolo).
4.Posebna veličina i potražnja mogu se posavjetovati s nama.
Karakteristike i primjena
◆ Kućište od tantala, Hermetički zatvoreno, Cilindrične, Radijalni vod, Heteropolarnost, sa montažnom prirubnicom.
◆Pomiješani elektrolitičkim tantalskim kondenzatorom i elektrohemijskim kondenzatorom, Mala veličina, Super Kapacitet
◆Stabilno u električnim performansama, Visoka pouzdanost, Dug životni vek, Maksimum u gustoći kapacitivnosti i energije
◆Ugrađena kao baterija u strujnom krugu & Snaga-pulsno kolo, funkcionisalo kao filtriranje, skladištenje energije,
kola sa vremenskim kašnjenjem.














