Hibridni kondenzatori visokih energije Hybrid Tantalum|CBEA
Slučaj tantal, Hermetički zatvoreno, Cilindrične, Radijalni vod, Heteropolarnost
Pomiješani elektrolitičkim tantalskim kondenzatorom i elektrohemijskim kondenzatorom, Mala veličina, Super Kapacitet.
Stabilan u električnim performansama, Visoka pouzdanost, Dug životni vek, Maksimalna gustoća kapacitivnosti i energije ugrađene kao baterija u energetski konvertovanom kolu & Snaga-pulsno kolo, funkcionisalo kao filtriranje, skladištenje energije, kola sa vremenskim kašnjenjem.
Specifikacije
Radna temperatura: -55℃ do +125 ℃ (do +125℃, sa smanjenjem nazivnog napona)
Temperatura skladištenja: -62℃ ~ +130℃
Tolerancija na kapacitet:Q: (-10%~+30%), K: (± 10%), M: (± 20%)
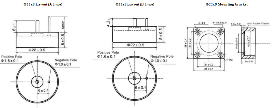
Dimenzije (jedinica: mm)
Posjetite našu web stranicu kako biste dobili više ažuriranih podataka, te podatke & specifikacije su podložne promjenama bez prethodne najave.
Primjer broja dijelova

Dimenzije (jedinica: mm)
Dimenzije (jedinica: mm)
Zabilježiti:
1.Nemojte koristiti multimetar u mjernim procedurama (može uzrokovati nepovratnu štetu i dovesti do odlaganja).
2.Kapacitet i DF izmjereni na 100Hz, U_=2.200-1.0V, U~=1,00-0,5V Test se primjenjuje samo u serijskom ekvivalentnom kolu.
3.Smanjenje napona se primjenjuje na +125℃. (Nakon toga treba pročitati DCL parametar 5 minuta kada se spoji na kolo).
4.Posebna veličina i potražnja mogu se posavjetovati s nama.
Karakteristike i primjena
◆ Kućište od tantala, Hermetički zatvoreno, Cilindrične, Radijalni vod, Heteropolarnost
◆Pomiješani elektrolitičkim tantalskim kondenzatorom i elektrohemijskim kondenzatorom, Mala veličina, Super Kapacitet.
◆Stabilno u električnim performansama, Visoka pouzdanost, Dug životni vek, Maksimum u gustoći kapacitivnosti i energije
◆Ugrađena kao baterija u strujnom krugu & Snaga-pulsno kolo, funkcionisalo kao filtriranje, skladištenje energije, kola sa vremenskim kašnjenjem















