Visoko energetski hibridni tantal kondenzatori|Cbef
Slučaj, Hermetički zapečaćen, Cilindričan, Radijalno-olovni, Heteropolarnost, sa vijcima, pogodan za popravak Pomiješani elektrolitičkim tantalskim kondenzatorom i elektrokemijskim kondenzatorom, Mala veličina, Super kapacitet
Stabilan u električnim performansama, Visoka pouzdanost, Dugi životni vijek, Maksimum u gustoći kapaciteta i energije, Nominalni kapacitet veći je od CBEF serije
Ugrađena kao baterija u strujnom krugu s pretvorbom energije & Strujni impulsni krug, funkcionirao kao filtriranje, skladištenje energije, krug vremenskog kašnjenja.
TEHNIČKI PODACI
Radna temperatura:-55℃ do +125 ℃ (do +125 ℃, s ocijenjenim
Temperatura skladištenja:-62℃ ~ +130 ℃
Tolerancija kapacitivnosti:Q: (-10%~+30%), K: (± 10%), M: (± 20%)
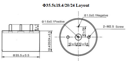
Dimenzije (jedinica: mm)
Primjer broja dijela
Bilješka
1.Nemojte koristiti multimetar u mjernim postupcima (može prouzročiti nepopravljivu štetu i dovesti do odbacivanja).
2.Kapacitivnost i DF izmjereni na 100 Hz, U_=2,200 V, U =1,00- V Test se primjenjuje samo u serijskom ekvivalentnom krugu.
3.Smanjenje napona primjenjuje se na +125 ℃. (Nakon toga treba pročitati DCL parametar 5 minuta kada se spojio na krug).
4.Posebna veličina i potražnja mogu se posavjetovati s nama.
Karakteristike i primjena
◆Kućište od tantala, Hermetički zapečaćen, Cilindričan, Radijalno-olovni, Heteropolarnost, sa vijcima, pogodan za popraviti
◆Kombinirano elektrolitičkim tantalskim kondenzatorom i elektrokemijskim kondenzatorom, Mala veličina, Super kapacitet
◆Stabilne električne performanse, Visoka pouzdanost, Dugi životni vijek, Maksimum u gustoći kapacitivnosti i energije, Nominalni kapacitet veći je od CBEF serije
◆Ugrađena kao baterija u strujnom krugu s pretvorbom energije & Strujni impulsni krug, funkcionirao kao filtriranje, skladištenje energije,krug vremenskog kašnjenja.













