High Energy Hybrid Tantalum kondensatorer|CBEE
Tantal etui, Hermetisk forseglet, Cylindrisk, Radial-føring, Heteropolaritet, med skruer, praktisk at reparere blandet af elektrolytisk tantalkondensator og elektrokemisk kondensator, Lille størrelse, Super Kapacitans
Stabil i elektriske ydelser, Høj pålidelighed, Lang levetid, Maksimum i tætheden af kapacitans og energi, Nominel kapacitans er højere end CBEF-serien
Indbygget som batteri i energikonverteret kredsløb & Strøm-pulseret kredsløb, fungerede som filtrering, lagringsenergi,tidsforsinkelseskredsløb.
Specifikationer
Driftstemperatur:-55℃ til +125 ℃ (til +125℃, med vurderet
Opbevaringstemperatur:-62℃ ~ +130 ℃
Kapacitanstolerance:Q: (-10%~+30 %), K: (±10 %), M: (±20 %)
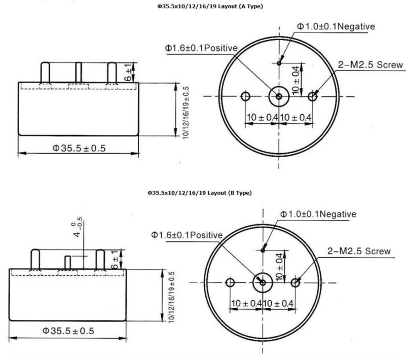
DIMENSIONER
Note
1.Brug venligst ikke multimeter gennem måleprocedurerne (kan forårsage uoprettelig skade og føre til kassering).
2.Kapacitans og DF målt ved 100Hz, U_=2.200 V, U = 1,00- V Test anvendes kun i serieækvivalent kredsløb.
3.Spændingsreduktion anvendes ved +125℃. (DCL-parameteren skal læses efter 5 minutter, når den er tilsluttet kredsløbet).
4.Særlig størrelse og efterspørgsel kunne rådføre sig med os.
Delnummereksempel

Egenskaber og anvendelse
◆Tantaletui, Hermetisk forseglet, Cylindrisk, Radial-føring, Heteropolaritet
◆ Blandet af elektrolytisk tantalkondensator og elektrokemisk kondensator, Lille størrelse, Super Kapacitans.
◆ Stabil i elektriske ydeevner, Høj pålidelighed, Lang levetid, Maksimum i tætheden af kapacitans og energi
◆ Indbygget som batteri i energikonverteret kredsløb & Strøm-pulseret kredsløb, fungerede som filtrering, lagringsenergi, tidsforsinkelseskredsløb













