SMD Aluminum Electrolytic Capacitors 105℃ Long Life CAJA
Piirteet
105° C, 3000 tuntia varmistettu.
RoHS-yhteensopiva
105° C, 3000 tuntia varmistettu.
RoHS-yhteensopiva
Tekniset tiedot
| Esine | Suorituskyky | ||||||||||
| Käyttölämpötila. Etäisyys | -40°C ~ + 105° C | ||||||||||
| Kapasitanssitoleranssi | ± 20% (120Hz, 20° C) | ||||||||||
| Vuotovirta (20°C:ssa) | I = 0,01 CV tai 3 uA (kumpi on suurempi) jälkeen 2 minuuttia, where C=rated capacitance in µF and V= rated working voltage | ||||||||||
| Häviökerroin
Tanδ klo 120 Hz, 20° C |
Nimellisjännite | 6.3 | 10 | 16 | 25 | 35 | 50 | ||||
| Tanδ (max) | 0.30 | 0.26 | 0.20 | 0.16 | 0.13 | 0.12 | |||||
|
Alhaisen lämpötilan ominaisuudet (120 Hz:llä) |
Nimellisjännite | 6.3 | 10 | 16 | 25 | 35 | 50 | ||||
| Impedanssisuhde
Maksimi |
Z(-25° C) /Z(+20° C) | 4 | 3 | 2 | 2 | 2 | 2 | ||||
| Z(-40° C) /Z(+20° C) | 10 | 7 | 5 | 3 | 3 | 3 | |||||
|
Elämäntesti |
Testiaika |
Load Life Shelf Life | |||||||||
| 3000 Hrs | 1000 Hrs | ||||||||||
| Kapasitanssin muutos | Within ±30% of initial value | ± 20% alkuperäisestä arvosta | |||||||||
| Häviökerroin | Vähemmän kuin 200% määritellystä arvosta | Vähemmän kuin 200% määritellystä arvosta | |||||||||
| Vuotovirta | Määritetyn arvon sisällä | Määritetyn arvon sisällä | |||||||||
| Testiolosuhteet | 20° C (haetun nimellisjännitteen jälkeen 3000 tuntia klo
105° C |
20°C (varastoinnin jälkeen 1000 tuntia 105°C:ssa
ilman jännitettä) |
|||||||||
| Ripple Current & Taajuuskertoimet | VDC(V) Taaj. (Hz) | 50 | 120 | 1K -k - | 10K ylös | ||||||
| 6.3 ~ ~ 50 | 0.70 | 1.00 | 1.36 | 1.50 | |||||||
| Standardit | JIS C 5101-1-18 | ||||||||||
ULOTTUVUUS & SALLITTU RIPPLE NYKYINEN
Ulottuvuus: φD x L (mm)
Ripple Current mA/rms at 120 Hz, 105° C
| VDC
μf Sisällys |
6.3 (0J -) | 10 (1Eräs) | 16 (1C) | 25V (1E) | 35V (1V) | 50V (1H) | |||||||
| φD x L | mA | φD x L | mA | φD x L | mA | φD x L | mA | φD x L | mA | φD x L | mA | ||
| 0.1 | 0R1 | 4 x 5.7 | 1 | ||||||||||
| 0.22 | R22 | 4 x 5.7 | 2.6 | ||||||||||
| 0.33 | R33 | 4 x 5.7 | 3.2 | ||||||||||
| 0.47 | R47 | 4 x 5.7 | 5 | ||||||||||
| 1 | 010 | 4 x 5.7 | 8 | ||||||||||
| 2.2 | 2R2 | 4 x 5.7 | 12 | ||||||||||
| 3.3 | 3R3 | 4 x 5.7 | 17 | ||||||||||
| 4.7 | 4R7 | 4 x 5.7 | 16 | 5 x 5.7 | 22 | ||||||||
| 10 | 100 | 4 x 5.7 | 18 | 5 x 5.7 | 27 | 5 x 5.7 | 27 | 6.3 x 5.7 | 32 | ||||
| 22 | 220 | 4 x 5.7 | 22 | 5 x 5.7 | 30 | 5 x 5.7 | 30 | 6.3 x 5.7 | 44 | 6.3 x 5.7 | 44 | 6.3 x 7.7 | 58 |
| 33 | 330 | 5 x 5.7 | 35 | 5 x 5.7 | 35 | 6.3 x 5.7 | 48 | 6.3 x 5.7 | 50 | 6.3 x 7.7 | 57 | 8 x 10 | 140 |
| 47 | 470 | 5 x 5.7 | 38 | 6.3 x 5.7 | 50 | 6.3 x 5.7 | 50 | 6.3 x 7.7 | 63 | 8 x 10 | 92 | 8 x 10 | 170 |
| 100 | 101 | 6.3 x 5.7 | 69 | 6.3 x 7.7 | 81 | 6.3 x 7.7 | 81 | 8 x 10 | 116 | 10 x 10 | 151 | 10 x 10 | 310 |
| 220 | 221 | 6.3 x 7.7 | 120 | 8 x 10 | 141 | 10 x 10 | 216 | 10 x 10 | 320 | 10 x 10 | 375 | ||
| 330 | 331 | 8 x 10 | 290 | 10 x 10 | 290 | 10 x 10 | 290 | 10 x 10 | 450 | ||||
| 470 | 471 | 10 x 10 | 320 | 10 x 10 | 320 | 10 x 10 | 320 | ||||||
| 1000 | 102 | 10 x 10 | 410 | ||||||||||
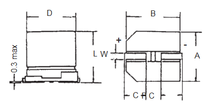
PALJUN VÄLITYS JA HALKAISIJA
| φD±0,5 | Lens | A±0,2 | B±0,2 | C±0,2 | W - | P±0,2 |
| 4 | 5.7± 0,3 | 4.3 | 4.3 | 2.0 | 0.5 -lla 0.8 | 1.0 |
| 5 | 5.7± 0,3 | 5.3 | 5.3 | 2.3 | 0.5 -lla 0.8 | 1.5 |
| 6.3 | 5.7± 0,3 | 6.6 | 6.6 | 2.7 | 0.5 -lla 0.8 | 2.0 |
| 6.3 | 7.7± 0,3 | 6.6 | 6.6 | 2.7 | 0.5 -lla 0.8 | 2.0 |
| 8 | 10± 0,5 | 8.4 | 8.4 | 3.0 | 0.7 -lla 1.1 | 3.1 |
| 10 | 10± 0,5 | 10.4 | 10.4 | 3.3 | 0.7 -lla 1.1 | 4.7 |
Osanumeroesimerkki
CAJA 100 M 1E TR 050 057
Piirteet
◆105°C, 3000 tuntia varmistettu.
◆ RoHS-yhteensopiva













