Korkean energian hybridi tantalumkondensaattorit|CBEC
Tantaalikotelo, Hermeettisesti suljettu, Lieriömäinen, Säteittäinen johto, Heteropolariteetti, ruuveilla, kätevä kiinnittää Yhdistetty elektrolyyttisellä tantaalikondensaattorilla ja sähkökemiallisella kondensaattorilla, Pieni koko, Super kapasitanssi
Vakaa sähköisissä suorituksissa, Korkea luotettavuus, Pitkä käyttöikä, Maksimi kapasitanssin ja energian tiheydessä, Nominal Capacitance is higher than CBEF series
Built-in as battery in Energy-conversed-circuit & Teho-pulssivirtapiiri, toimi suodattimena, varastoitava energia,aikaviivepiiri.
Tekniset tiedot
Käyttölämpötila:-55℃ - +125 ℃ (+125 asteeseen, with rated
Varastointilämpötila:-62℃ ~ +130℃
Kapasitanssitoleranssi:K: (-10%~+30 %), K -k -: (± 10%), M: (± 20%)
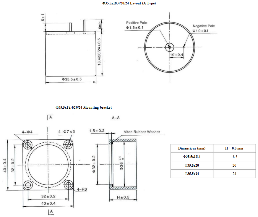
Mitat (yksikkö: mm)
Huomautus
1.Älä käytä yleismittaria mittauksessa (voi aiheuttaa peruuttamattomia vahinkoja ja johtaa hävittämiseen).
2.Kapasitanssi ja DF mitattuna 100 Hz:llä, U_=2.200 V, U =1.00- V Test only applied in series equivalent circuit.
3.Jännitteen vähennys on käytössä +125 ℃. (DCL-parametri tulee lukea jälkeen 5 minuuttia, kun se on kytketty piiriin).
4.Erityinen koko ja kysyntä voisivat neuvotella kanssamme.
Osanumeroesimerkki

Ominaisuudet ja sovellus
◆Tantaalikotelo, Hermeettisesti suljettu, Lieriömäinen, Säteittäinen johto, Heteropolariteetti
◆Yhdistetty elektrolyyttinen tantaalikondensaattori ja sähkökemiallinen kondensaattori, Pieni koko, Super kapasitanssi.
◆Vakaa sähköisissä suorituskyvyissä, Korkea luotettavuus, Pitkä käyttöikä, Maksimi kapasitanssin ja energian tiheydessä
◆Sisäänrakennettu akkuna energiamuunnetussa piirissä & Teho-pulssivirtapiiri, toimi suodattimena, varastoitava energia, aikaviivepiiri













