Korkean energian hybridi tantalumkondensaattorit|CBEA
Tantaalikotelo, Hermeettisesti suljettu, Lieriömäinen, Säteittäinen johto, Heteropolariteetti
Yhdistetty elektrolyyttitantaalikondensaattoriin ja sähkökemialliseen kondensaattoriin, Pieni koko, Super kapasitanssi.
Vakaa sähköisissä suorituksissa, Korkea luotettavuus, Pitkä käyttöikä, Suurin kapasitanssin ja energian tiheys Sisäänrakennettu akkuna energiamuunnetussa piirissä & Teho-pulssivirtapiiri, toimi suodattimena, varastoitava energia, aikaviivepiiri.
Tekniset tiedot
Käyttölämpötila: -55℃ - +125 ℃ (+125 asteeseen, nimellisjännitteen pienentämisellä)
Varastointilämpötila: -62℃ ~ +130 ℃
Kapasitanssitoleranssi:K: (-10%~+30 %), K -k -: (± 10%), M: (± 20%)
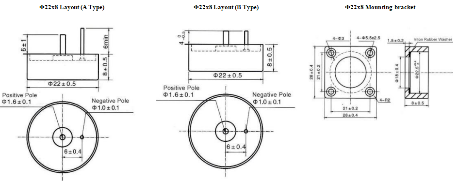
Mitat (yksikkö: mm)
Vieraile verkkosivuillamme saadaksesi lisää päivitystietoja, ne tiedot & spesifikaatioita voidaan muuttaa ilman erillistä ilmoitusta.
Osanumeroesimerkki

Mitat (yksikkö: mm)
Mitat (yksikkö: mm)
Huomautus:
1.Älä käytä yleismittaria mittauksessa (voi aiheuttaa peruuttamattomia vahinkoja ja johtaa hävittämiseen).
2.Kapasitanssi ja DF mitattuna 100 Hz:llä, U_=2.200-1.0V, U~ = 1,00-0,5 V Testiä sovelletaan vain sarjaan vastaavassa piirissä.
3.Jännitteen vähennys on käytössä +125 ℃. (DCL-parametri tulee lukea jälkeen 5 minuuttia, kun se on kytketty piiriin).
4.Erityinen koko ja kysyntä voisivat neuvotella kanssamme.
Ominaisuudet ja sovellus
◆Tantaalikotelo, Hermeettisesti suljettu, Lieriömäinen, Säteittäinen johto, Heteropolariteetti
◆Yhdistetty elektrolyyttinen tantaalikondensaattori ja sähkökemiallinen kondensaattori, Pieni koko, Super kapasitanssi.
◆Vakaa sähköisissä suorituskyvyissä, Korkea luotettavuus, Pitkä käyttöikä, Maksimi kapasitanssin ja energian tiheydessä
◆Sisäänrakennettu akkuna energiamuunnetussa piirissä & Teho-pulssivirtapiiri, toimi suodattimena, varastoitava energia, aikaviivepiiri















