Μεταλλοποιημένος πυκνωτής μεμβράνης πολυπροπυλενίου |Χαμηλό DF| CDBC
Οι σειρές CDBC είναι κατασκευασμένες με επιμεταλλωμένο διηλεκτρικό φιλμ πολυπροπυλενίου, επίστρωση από χαλκό μόλυβδο και επιβραδυντική φλόγα εποξειδικής ρητίνης. Κατάλληλο μπλοκάρισμα, με- πέρασμα, σύζευξη, αποσύνδεση, φιλτράρισμα, συγχρονισμός, κούρδισμα, αντιστάθμιση θερμοκρασίας και ιδανικό για χρήση σε στραγγαλιστικά πηνία, μεταγωγή τροφοδοτικών, τηλεπικοινωνιακό εξοπλισμό, βιομηχανικά όργανα, συστήματα αυτόματου ελέγχου και άλλος γενικός ηλεκτρονικός εξοπλισμός.
Χαρακτηριστικά
◆ Χαμηλός συντελεστής διάχυσης σε υψηλή συχνότητα
◆ Υψηλή χωρητικότητα και σταθερότητα παράγοντα διάχυσης
◆ Μη επαγωγική κατασκευή
◆ Αυτοθεραπεία
◆ Επιβραδυντική φλόγα επίστρωση εποξειδικής ρητίνης (συμβατό με UL 94V-0)
Προδιαγραφές
| Αντικείμενα | Εκτέλεση | ||||||
| Εύρος τάσης λειτουργίας | 100VDC, 250VDC, 400VDC, 630VDC | ||||||
| Ονομαστική θερμοκρασία | -40 ˚C ~ +85ºC | ||||||
| Χρήσιμη θερμοκρασία ανώτερης κατηγορίας | +105ºC
(Λόγος μείωσης της ονομαστικής τάσης πάνω από +85˚C ~ +110º C: 1.5% ανά ºC ονομαστικής τάσης) |
||||||
| Φάσμα χωρητικότητας | 0.01 μF ~ 10 μF | ||||||
| Ανοχή χωρητικότητας | +3% (H), +5% (J), +10% (K) | ||||||
|
Συντελεστής διαρροής |
KHz | ντο < 0.1 μF | 0.1 < ντο < 1.0 μF | 1.0 < ντο < 3.0 μF | 3.0 < ντο < 5.0 μF | 5.0 < ντο < 10 μF | |
| 1 | < 0.10% | ||||||
| 100 | < 0.40% | < 0.70% | < 1.20% | < 1.80% | < 2.80% | ||
|
Ακροδέκτη αντίστασης μόνωσης στο τερματικό |
Φόρτιση τάσης: 100Vdc x 1 λεπτό (στους 20˚C + 5ΝΤΟ)
> 30,000MΩ για C < 0.33μF > 10,000MΩ x µF για C > 0.33μF |
||||||
| Αντοχή στην τάση | Τερματικό σε τερματικό: (στους 20˚C + 5ΝΤΟ) | ||||||
|
Ονομαστική Κλίση Παλμού Τάσης dV/dt (V/μs) |
Πίσσα
VR |
7.5mm | 10mm | 15mm | 22.5mm | 27.5mm | |
| 100VDC | 130 | 110 | 100 | 70 | 50 | ||
| 250VDC | 240 | 220 | 200 | 130 | 100 | ||
| 400VDC | — | 350 | 300 | 200 | 150 | ||
| 630VDC | — | 420 | 400 | 250 | 180 | ||
ΤΕΣΤ ΑΞΙΟΠΙΣΤΙΑΣ
| Είδος | Δοκιμή Μέθοδοι | Απαιτήσεις |
| Αντοχή στη θερμότητα συγκόλλησης IEC 60068-2-20 | Λουτρό συγκόλλησης: 260ºC + 5ºC Χρόνος βύθισης: 10δευτ + 1δευτ | Αλλαγή χωρητικότητας ІΔ C/C : <1% DF Change Δ tan δ : 0.1% στο 1KHz IR: > οριακή τιμή |
| Αντοχή σε κραδασμούς IEC 60068-2-6 | Εύρος Συχνοτήτων: 10Πλάτος Hz έως 55 Hz: 1.5mm
Διάρκεια: 6 ώρες |
Δεν θα υπάρχει ορατή ζημιά, Καμία διακοπτόμενη επαφή,
Χωρίς ανοιχτό ή βραχυκύκλωμα |
| Υγρή Θερμότητα, Σταθερή κατάσταση IEC 60068-2-3 | Θερμοκρασία: 40ºC + 2ºC Σχετική Υγρασία: 90% να 95%
Διάρκεια: 1,000 ώρες |
Αλλαγή χωρητικότητας ІΔC/C І< : 3% DF Change Δ tan δ: 0.1% στο 1KHz IR: > 50% οριακή τιμή |
| Electrical Endurance IEC 60384-17 | Θερμοκρασία: 85ºC + 2Εφαρμοσμένη τάση ºC: 1.25 x VR(ΫΟ) Διάρκεια: 2,000 ώρες | Αλλαγή χωρητικότητας ІΔC/CІ< : 3% DF Change Δ tan δ : 0.1% στο 1KHz IR: > 50% οριακή τιμή |
ΜΕΓΙΣΤΕΣ ΔΙΑΣΤΑΣΕΙΣ
| W.V. | 100VDC (2ΕΝΑ) | 250VDC (2μι) | 400VDC (2σολ) | 630VDC (2J) | |||||||||||||||||
| (μF) | Κώδικας | W | H | Τ | Π | ρε | W | H | Τ | Π | ρε | W | H | Τ | Π | ρε | W | H | Τ | Π | ρε |
| 0.010 | 103 | 10.5 | 7.5 | 4.0 | 7.5 | 0.6 | 10.5 | 9.0 | 5.5 | 7.5 | 0.6 | ||||||||||
| 0.012 | 123 | 10.5 | 8.5 | 4.0 | 7.5 | 0.6 | 10.5 | 9.5 | 6.0 | 7.5 | 0.6 | ||||||||||
| 0.015 | 153 | 10.5 | 9.0 | 4.5 | 7.5 | 0.6 | 10.5 | 10.5 | 6.0 | 7.5 | 0.6 | ||||||||||
| 0.018 | 183 | 10.5 | 9.5 | 4.5 | 7.5 | 0.6 | 10.5 | 11.0 | 6.5 | 7.5 | 0.6 | ||||||||||
| 0.022 | 223 | 10.5 | 7.5 | 4.0 | 7.5 | 0.6 | 10.5 | 10.0 | 5.0 | 7.5 | 0.6 | 13.0 | 10.0 | 6.0 | 10.0 | 0.6 | |||||
| 0.027 | 273 | 10.5 | 8.0 | 4.0 | 7.5 | 0.6 | 10.5 | 10.5 | 5.5 | 7.5 | 0.6 | 13.0 | 11.0 | 6.5 | 10.0 | 0.6 | |||||
| 0.033 | 333 | 10.5 | 8.5 | 4.5 | 7.5 | 0.6 | 10.5 | 11.0 | 6.0 | 7.5 | 0.6 | 13.0 | 11.5 | 7.0 | 10.0 | 0.6 | |||||
| 0.039 | 393 | 10.5 | 9.0 | 4.5 | 7.5 | 0.6 | 13.0 | 11.0 | 5.5 | 10.0 | 0.6 | 13.0 | 12.0 | 8.0 | 10.0 | 0.6 | |||||
| 0.047 | 473 | 10.5 | 7.5 | 4.0 | 7.5 | 0.6 | 10.5 | 10.0 | 4.5 | 7.5 | 0.6 | 13.0 | 11.0 | 5.5 | 10.0 | 0.6 | 13.0 | 13.0 | 8.0 | 10.0 | 0.6 |
| 0.056 | 563 | 10.5 | 8.0 | 4.0 | 7.5 | 0.6 | 10.5 | 10.5 | 5.0 | 7.5 | 0.6 | 13.0 | 11.5 | 6.0 | 10.0 | 0.6 | 13.0 | 14.0 | 9.0 | 10.0 | 0.6 |
| 0.068 | 683 | 10.5 | 9.0 | 4.5 | 7.5 | 0.6 | 10.5 | 11.0 | 5.5 | 7.5 | 0.6 | 13.0 | 12.5 | 6.5 | 10.0 | 0.6 | 18.0 | 12.5 | 7.0 | 15.0 | 0.8 |
| 0.082 | 823 | 10.5 | 9.5 | 4.5 | 7.5 | 0.6 | 10.5 | 11.5 | 6.0 | 7.5 | 0.6 | 13.0 | 13.0 | 7.0 | 10.0 | 0.6 | 18.0 | 13.0 | 7.5 | 15.0 | 0.8 |
| 0.10 | 104 | 10.5 | 10.0 | 5.0 | 7.5 | 0.6 | 10.5 | 12.0 | 6.5 | 7.5 | 0.6 | 13.0 | 13.5 | 8.0 | 10.0 | 0.6 | 18.0 | 14.0 | 8.0 | 15.0 | 0.8 |
| 0.12 | 124 | 10.5 | 10.0 | 5.5 | 7.5 | 0.6 | 13.0 | 11.5 | 6.0 | 10.0 | 0.6 | 18.0 | 12.0 | 6.0 | 15.0 | 0.8 | 18.0 | 15.5 | 8.0 | 15.0 | 0.8 |
| 0.15 | 154 | 10.5 | 11.0 | 6.0 | 7.5 | 0.6 | 13.0 | 12.0 | 6.5 | 10.0 | 0.6 | 18.0 | 12.5 | 7.0 | 15.0 | 0.8 | 18.0 | 16.5 | 9.0 | 15.0 | 0.8 |
| 0.18 | 184 | 10.5 | 11.5 | 6.5 | 7.5 | 0.6 | 13.0 | 12.5 | 7.0 | 10.0 | 0.6 | 18.0 | 13.5 | 8.5 | 15.0 | 0.8 | 18.0 | 17.5 | 10.0 | 15.0 | 0.8 |
| 0.22 | 224 | 13.0 | 11.5 | 6.0 | 10.0 | 0.6 | 13.0 | 13.0 | 7.5 | 10.0 | 0.6 | 18.0 | 15.0 | 8.0 | 15.0 | 0.8 | 18.0 | 18.5 | 11.5 | 15.0 | 0.8 |
| 0.27 | 274 | 13.0 | 12.0 | 6.5 | 10.0 | 0.6 | 18.0 | 13.0 | 6.0 | 15.0 | 0.8 | 18.0 | 16.0 | 8.5 | 15.0 | 0.8 | 25.5 | 18.0 | 9.0 | 22.5 | 0.8 |
| 0.33 | 334 | 13.0 | 13.0 | 7.0 | 10.0 | 0.6 | 18.0 | 14.0 | 6.5 | 15.0 | 0.8 | 18.0 | 17.0 | 9.5 | 15.0 | 0.8 | 25.5 | 19.0 | 10.0 | 22.5 | 0.8 |
| 0.39 | 394 | 13.0 | 13.5 | 7.5 | 10.0 | 0.6 | 18.0 | 14.5 | 7.0 | 15.0 | 0.8 | 18.0 | 18.0 | 10.5 | 15.0 | 0.8 | 25.5 | 20.0 | 11.0 | 22.5 | 0.8 |
| 0.47 | 474 | 13.0 | 14.0 | 8.5 | 10.0 | 0.6 | 18.0 | 15.0 | 8.0 | 15.0 | 0.8 | 25.5 | 16.0 | 9.0 | 22.5 | 0.8 | 20.5 | 20.5 | 12.0 | 17.5 | 0.8 |
| 25.5 | 21.0 | 12.0 | 22.5 | 0.8 | |||||||||||||||||
| 0.56 | 564 | 18.0 | 14.0 | 7.0 | 15.0 | 0.8 | 18.0 | 16.0 | 8.5 | 15.0 | 0.8 | 25.5 | 17.0 | 10.0 | 22.5 | 0.8 | 25.5 | 22.5 | 13.5 | 22.5 | 0.8 |
| 0.68 | 684 | 18.0 | 15.0 | 7.5 | 15.0 | 0.8 | 18.0 | 17.0 | 9.5 | 15.0 | 0.8 | 25.5 | 18.0 | 11.0 | 22.5 | 0.8 | 25.5 | 24.0 | 15.0 | 22.5 | 0.8 |
| 0.82 | 824 | 18.0 | 15.5 | 8.0 | 15.0 | 0.8 | 18.0 | 18.5 | 10.0 | 15.0 | 0.8 | 25.5 | 20.0 | 11.0 | 22.5 | 0.8 | 25.5 | 25.5 | 16.5 | 22.5 | 0.8 |
| 1.00 | 105 | 18.0 | 16.5 | 9.0 | 15.0 | 0.8 | 18.0 | 20.0 | 11.0 | 15.0 | 0.8 | 25.5 | 21.5 | 12.5 | 22.5 | 0.8 | 26.0 | 16.5 | 12.0 | 22.5 | 0.8 |
| 31.5 | 25.0 | 16.0 | 27.5 | 0.8 | |||||||||||||||||
| 1.20 | 125 | 18.0 | 17.5 | 10.0 | 15.0 | 0.8 | 25.5 | 18.0 | 9.0 | 22.5 | 0.8 | 25.5 | 23.0 | 14.0 | 22.5 | 0.8 | 31.5 | 27.0 | 18.0 | 27.5 | 0.8 |
| 1.50 | 155 | 18.0 | 18.5 | 11.5 | 15.0 | 0.8 | 25.5 | 19.5 | 10.5 | 22.5 | 0.8 | 25.5 | 24.5 | 15.5 | 22.5 | 0.8 | |||||
| 1.80 | 185 | 25.5 | 18.0 | 9.0 | 22.5 | 0.8 | 25.5 | 20.5 | 11.5 | 22.5 | 0.8 | ||||||||||
| 2.20 | 225 | 25.5 | 19.0 | 10.0 | 22.5 | 0.8 | 25.5 | 22.0 | 13.0 | 22.5 | 0.8 | ||||||||||
| 2.70 | 275 | 25.5 | 20.0 | 11.5 | 22.5 | 0.8 | 25.5 | 23.5 | 14.5 | 22.5 | 0.8 | ||||||||||
| 3.30 | 335 | 25.5 | 24.5 | 15.5 | 22.5 | 0.8 | 25.5 | 25.5 | 16.0 | 22.5 | 0.8 | ||||||||||
Παράδειγμα αριθμού εξαρτήματος – ΟΓΚΟΣ
Παράδειγμα αριθμού εξαρτήματος – ΑΚΤΙΝΙΚΟΣ ΜΑΓΝΗΤΟΠΟΙΗΣΗ
ΧΩΡΗΤΙΚΟΤΗΤΑ
| μF | 0.01 | 0.047 | 0.1 | 0.47 | 1.0 | 3.3 |
| pF | 10,000 | 47,000 | 100,000 | 470,000 | – | – |
| Κώδικας | 103 | 473 | 104 | 474 | 105 | 335 |
ΚΩΔΙΚΟΣ ΑΝΟΧΗΣ
| Κώδικας | Ανοχή |
| J | + 5% |
| K | + 10% |
| M | + 20% |
ΟΝΟΜΑΣΤΙΚΗ ΤΑΣΗ
| W.V. | 100 | 250 | 400 | 630 |
| Κώδικας | 2ΕΝΑ | 2μι | 2σολ | 2J |
ΤΑΙΝΙΑ ΚΩΔ (Δείτε Διαγράμματα)
| Διάστημα | 7.5mm | 10mm | 15mm |
| Συσκευασία | Α ή Ρ | ΕΝΑ | ΕΝΑ |
| Κώδικας | RT2 | RT3 | RT4 |
ΠΑΡΑΔΕΙΓΜΑΤΑ ΣΤΥΛ ΜΟΛΥΒΟΥ
ΑΚΤΙΝΙΚΗ ΔΙΑΣΤΑΣΗ ΜΟΛΥΔΙΟΥ
* Το Leadspace είναι ευθεία μη διαμορφωμένο πρωτότυπο Leadspace.
| mm | 7.5 | 10 | 15 | 22.5 | 27.5 |
| Κώδικας | 075 | 100 | 150 | 225 | 275 |
ΜΗΚΟΣ ΜΟΛΥΔΙΟΥ ΑΠΟ ΤΟ ΚΑΘΙΣΜΑ (εάν συσκευάζεται χύμα)
| mm | 5 | 10 | 15 | 20 | 25 |
| Κώδικας | 050 | 100 | 150 | 200 | 250 |
ΣΥΣΚΕΥΑΣΙΑ
| Meth | ορε | Ογκος | Πυρομαχικά | Καρούλι |
| Κώδικας | σι | ΕΝΑ | R | |
ΜΟΛΥΔΥΤΙΚΟ ΣΤΥΛ
| Κώδικας | Στυλ |
| μικρό | Ευθεία |
| K | Kink-In (Απέχω) |
| φά | Φόρμα έξω |
| εγώ | Φόρμα Εισαγωγή |
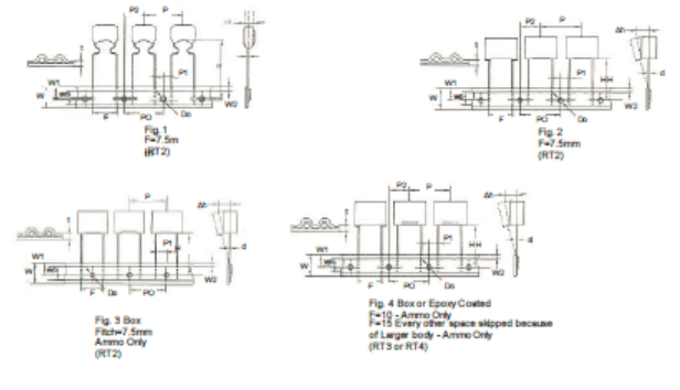
ΔΙΑΓΡΑΜΜΑ ΚΩΔΙΚΟΥ ΑΚΤΙΝΗΤΙΚΗΣ ΤΑΠΗΣ
Προδιαγραφές
| Περιγραφή |
Επιστολή |
Διάσταση (mm) |
Περιγραφή |
Επιστολή |
Διάσταση (mm) | ||||||||
| RT1 | RT2 | RT3 | RT4 | Τολ. | RT1 | RT2 | RT3 | RT4 | Τολ. | ||||
| Διάμετρος καλωδίου μολύβδου | ρε | 0.5 / 0.6 | 0.5 / 0.6 | 0.6 | 0.6 / 0.8 | + 0.05 | Πλάτος ταινίας φορέα | W | 18 | 18 | 18 | 18 | + 1;-0.5 |
| Tape Pitch | Π | 12.7 | 12.7 | 12.7 | 25.4 | + 1 | Κρατήστε πατημένο το πλάτος ταινίας | WO | 6 | 6 | 9 | 10 | Ελάχ |
| Τρύπα τροφοδοσίας | ΤΑΧΥΔΡΟΜΕΙΟ | 12.7 | 12.87 | 12.7 | 12.7 | + 0.2 | Θέση τρύπας | W1 | 9 | 9 | 9 | 9 | + 0.5 |
| Κεντράρισμα του καλωδίου μολύβδου | P1 | 3.85 | 2.6 / 3.75 | 7.7 | 5.2 | + 0.7 | Κρατήστε πατημένο τη θέση της ταινίας | W2 | 3 | 3 | 3 | 3 | Μέγ |
| Κεντράρισμα του Σώματος | P2 | 6.35 | 6.35 | 12.7 | 12.7 | + 1.3 | Διάμετρος οπής τροφοδοσίας | Κάνω | 4 | 4 | 4 | 4 | + 0.2 |
| Διάστημα απαγωγών (Πίσσα) | φά | 5 | 7.5 | 10 | 15 | + 0.6;-0.1 | Πάχος ταινίας | t | 0.7 | 0.7 | 0.7 | 0.07 | + 0.2 |
| Ευθυγράμμιση εξαρτημάτων | ∆h | 0 | 0 | 0 | 0 | + 2 | Εικόνα | σύκο | 1 ή 2 | 1.2 ή 3 | 4 | 4 | |
| Ύψος εξαρτήματος από το Tape Center | H | 18.5 | 18.5 | 18.5 | 18.5 | + 0.5 | |||||||
Παρατήρηση: *Επίδομα συσσωρευμένου βήματος μικρότερο από 1 mm στο άθροισμα των 20 γήπεδα.
*Συνεχές κενό στοιχείο μικρότερο από 3 διαδοχικά κομμάτια.
*Συνολικά κενό σε έναν τροχό λιγότερο από 1%.
ΕΙΣΑΓΩΓΗ
Οι σειρές CDBC είναι κατασκευασμένες με επιμεταλλωμένο διηλεκτρικό φιλμ πολυπροπυλενίου, επίστρωση από χαλκό μόλυβδο και επιβραδυντική φλόγα εποξειδικής ρητίνης. Κατάλληλο μπλοκάρισμα, με- πέρασμα, σύζευξη, αποσύνδεση, φιλτράρισμα, συγχρονισμός, κούρδισμα, αντιστάθμιση θερμοκρασίας και ιδανικό για χρήση σε στραγγαλιστικά πηνία, μεταγωγή τροφοδοτικών, τηλεπικοινωνιακό εξοπλισμό, βιομηχανικά όργανα, συστήματα αυτόματου ελέγχου και άλλος γενικός ηλεκτρονικός εξοπλισμός.













