Μεταλλικός πυκνωτής φιλμ πολυεστέρας |Ultra Mini Size | Cdad
Η σειρά CDAD έχει κατασκευαστεί ειδικά για ενεργά κυκλώματα φιλτραρίσματος όπως αυτά που χρησιμοποιούνται σε εφαρμογές διόρθωσης συντελεστή ισχύος.
Χαρακτηριστικά
◆ Θερμοκρασία λειτουργίας. Σειρά :-40°C~105°C (V R Derates 1.25% ανά °C πάνω από 85 °C)
◆ Εύρος χωρητικότητας:0.1~ 10UF
◆ Ανοχή χωρητικότητας: J = 5% k = 10% m = 20%
◆ Ονομαστική τάση V R 85°C: 100V 250V 400V 630V
◆ Συντελεστής διάχυσης: 1% MAX @1KHZ 25℃
Παράδειγμα αριθμού εξαρτήματος
Προδιαγραφές
| Αντικείμενα | Εκτέλεση | ||||
| Εύρος τάσης λειτουργίας | 450VDC, 630VDC | ||||
| Ονομαστική θερμοκρασία | -40 °C ~ +85°C | ||||
| Χρήσιμη θερμοκρασία ανώτερης κατηγορίας | +110° C
(Λόγος μείωσης της ονομαστικής τάσης πάνω +85 °C ~ +110 °C: 1.5% ανά °C ονομαστικής τάσης) |
||||
| Εύρος χωρητικότητας | 0.033 μF ~ 3.3 μF | ||||
| Ανοχή χωρητικότητας | +2% (σολ), +5% (J), +10% (K) | ||||
| Συντελεστής διαρροής | 1.0% (μέγ.) ότι 1KHz 1.6% (μέγ.) στα 10KHz | ||||
| Ακροδέκτη αντίστασης μόνωσης στο τερματικό | Φόρτιση τάσης: 100Vdc x 1 λεπτό (στο 20 °C+5°C)
> 9,000MΏ για το C < 0.33μF > 3,000MΏ x µF για C >0.33μF |
||||
|
Αντοχή στην τάση |
Τερματικό σε τερματικό:(στο 20 ° C + 5° C) | ||||
| 1.6 Το X VR υποβλήθηκε σε εφαρμοσμένη για 2sec. (Κόψτε το τρέχον 10mA) | |||||
| Επιβράδυνση ταχύτητας τάσης: 100V/sec | |||||
| Ονομαστική Κλίση Παλμού Τάσης dV/dt (V/μs) | Π
VR |
10mm | 15mm | 22.5mm | |
| 450VDC | 110 | 45 | 20 | ||
| 630VDC | 160 | 65 | 30 | ||
ΕΚΤΕΛΕΣΗ
| Είδος | Δοκιμή Μέθοδοι | Απαιτήσεις |
| Αντοχή στη θερμότητα συγκόλλησης IEC 60068-2-20″ | Λουτρό συγκόλλησης: 260°C+ 5°C Χρόνος βύθισης: 10δευτ + 1δευτ | Αλλαγή χωρητικότητας |ΔC/C| :<2% DF Αλλαγή τανδ: 0.5% στο 1KHz IR: > οριακή τιμή |
| Αντοχή σε κραδασμούς IEC 60068-2-6″ | Εύρος Συχνοτήτων: 10Πλάτος Hz έως 55 Hz:
1.5m/m Διάρκεια: 6 ώρες |
Δεν θα υπάρχει ορατή ζημιά, Μην διακόπτετε
Επαφή, Χωρίς ανοιχτό ή βραχυκύκλωμα |
| Υγρή Θερμότητα, Σταθερή κατάσταση IEC 60068-2-3″ | Θερμοκρασία: 40° C + 2°C Σχετική Υγρασία: 90% να 95%
Διάρκεια: 1,000 ώρες |
Αλλαγή χωρητικότητας |ΔC/C |: <5% DF Αλλαγή τανδ: 0.5% στο 1KHz IR: > 50% οριακή τιμή |
| Electrical Endurance IEC 60384-2″ | Θερμοκρασία: 85° C + 2°C Εφαρμοσμένη τάση: 1.10 x VR(ΫΟ) Διάρκεια: 1,000 ώρες | Αλλαγή χωρητικότητας |ΔC/C |: <5% DF Αλλαγή τανδ: 0.5% στο 1KHz IR: > 50% οριακή τιμή |
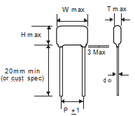
ΜΕΓΙΣΤΕΣ ΔΙΑΣΤΑΣΕΙΣ (mm)
| R.V. | 450VDC (2W) | ||||||||||
| Εσείς
μι |
W | H | Τ | Π | dΦ | Εσείς
μι |
W | H | Τ | Π | dΦ |
| (μF) | (μF) | ||||||||||
| 0.047 | 13.0 | 13 | 5 | 10 | 0.6 |
1.0 |
13 | 19 | 8 | 10 | 0.8 |
| 0.068 | 12.5 | 10 | 5 | 10 | 0.6 | 18.0 | 17 | 7.5 | 15 | 0.8 | |
| 0.1 | 12.5 | 9.5 | 4.5 | 10 | 0.6 | 26.0 | 16 | 7 | 22.5 | 0.8 | |
| 18.0 | 11 | 5 | 15 | 0.8 | 1.2 | 18.0 | 18 | 8 | 15 | 0.8 | |
| 0.15 | 12.5 | 12 | 4.5 | 10 | 0.6 |
1.5 |
13.0 | 21.5 | 9.5 | 10 | 0.8 |
| 0.22 | 12.5 | 12 | 6.5 | 10 | 0.6 | 18.0 | 18.5 | 8.5 | 15 | 0.8 | |
| 18.0 | 11.5 | 6 | 15 | 0.8 | 26.0 | 17.5 | 7 | 22.5 | 0.8 | ||
| 0.33 | 12.5 | 12 | 6 | 10 | 0.6 | 2.2 | 18.0 | 21.5 | 11.5 | 15 | 0.8 |
| 18.0 | 13 | 5 | 15 | 0.8 | 26.0 | 19 | 9 | 22.5 | 0.8 | ||
| 0.47 | 12.5 | 15.5 | 6.5 | 10 | 0.6 | 3.3 | 26.0 | 23.5 | 13 | 22.5 | 0.8 |
| 18.0 | 13 | 5.5 | 15 | 0.8 | |||||||
| 0.68 | 12.5 | 16 | 7.5 | 10 | 0.6 | ||||||
| 18.0 | 15.5 | 5.5 | 15 | 0.8 | |||||||
| R.V. | 630VDC (2J) | ||||
| Είσθε | W | H | Τ | Π | dΦ |
| (μF) | |||||
| 0.033 | 12.5 | 10.5 | 4.5 | 10 | 0.6 |
| 0.047 | 12.5 | 13 | 5 | 10 | 0.6 |
| 18.0 | 11 | 5 | 15 | 0.8 | |
| 0.068 | 13.0 | 13 | 6 | 10 | 0.6 |
| 18.0 | 11 | 5 | 15 | 0.8 | |
| 0.1 | 12.5 | 16 | 6 | 10 | 0.6 |
| 18.0 | 11 | 5 | 15 | 0.8 | |
| 0.22 | 18.0 | 13 | 5 | 15 | 0.8 |
| 0.33 | 18.0 | 13 | 5 | 15 | 0.8 |
| 0.47 | 18.0 | 17.5 | 9 | 15 | 0.8 |
| 0.68 | 18.0 | 20.5 | 10.5 | 15 | 0.8 |
| 1.0 | 26.0 | 20.5 | 9.5 | 22.5 | 0.8 |
ΟΝΟΜΑΣΤΙΚΗ ΤΑΣΗ (Vrms) VS. ΣΥΧΝΟΤΗΤΑ
ΜΕΓ. ΫΟ & ΤΑΣΗ AC VS ΘΕΡΜΟΚΡΑΣΙΑ
ΜΕΓΙΣΤΟ ΡΕΥΜΑ, AMPS (rms)
450VDC / 200Vac
| ΚΑΠΑΚΙ (μF) | Π | 15.75
KHz |
35
KHz |
45
KHz |
65
KHz |
80
KHz |
100
Khz |
| 0.047 | 10 | 0.18 | 0.20 | 0.21 | 0.23 | 0.24 | 0.25 |
| 0.068 | 10 | 0.20 | 0.22 | 0.23 | 0.24 | 0.25 | 0.26 |
| 0.1 | 10 | 0.36 | 0.46 | 0.50 | 0.56 | 0.60 | 0.64 |
| 15 | 0.15 | 0.17 | 0.19 | 0.20 | 0.21 | 0.22 | |
| 0.15 | 10 | 0.40 | 0.48 | 0.53 | 0.58 | 0.62 | 0.66 |
| 0.22 | 10 | 0.45 | 0.57 | 0.61 | 0.69 | 0.73 | 0.78 |
| 15 | 0.18 | 0.19 | 0.20 | 0.21 | 0.22 | 0.23 | |
| 0.33 | 10 | 0.48 | 0.60 | 0.65 | 0.72 | 0.74 | 0.80 |
| 15 | 0.77 | 0.97 | 1.05 | 1.17 | 1.25 | 1.32 | |
| 0.47 | 10 | 0.50 | 0.70 | 0.80 | 0.90 | 1.00 | 1.10 |
| 15 | 0.67 | 0.88 | 0.99 | 1.06 | 1.17 | 1.31 | |
| 0.68 | 10 | 0.60 | 0.90 | 1.00 | 1.10 | 1.20 | 1.30 |
| 15 | 0.88 | 1.13 | 1.24 | 1.41 | 1.48 | 1.63 | |
| 1.0 | 10 | 0.80 | 1.20 | 1.30 | 1.50 | 1.60 | 1.80 |
| 15 | 1.06 | 1.38 | 1.59 | 1.77 | 1.84 | 1.91 | |
| 1.2 | 15 | 1.20 | 1.50 | 1.65 | 1.85 | 2.00 | 2.20 |
|
1.5 |
10 | 0.98 | 1.30 | 1.40 | 1.60 | 1.70 | 1.90 |
| 15 | 1.40 | 1.70 | 1.80 | 2.00 | 2.20 | 2.40 | |
| 22.5 | 1.38 | 1.68 | 1.78 | 1.96 | 2.00 | 2.04 | |
| 2.2 | 15 | 1.70 | 2.00 | 2.20 | 2.35 | 2.50 | 2.70 |
| 22.5 | 2.30 | 2.37 | 2.43 | 2.52 | 2.55 | 2.60 | |
| 3.3 | 22.5 | 2.65 | 2.69 | 2.80 | 2.81 | 2.82 | 2.90 |
ΜΕΓΙΣΤΟ ΡΕΥΜΑ, AMPS (rms)
630VDC / 250Vac
| ΚΑΠΑΚΙ (μF) | Π | 15.75
KHz |
35
KHz |
45
KHz |
65
KHz |
80
KHz |
100
KHz |
| 0.033 | 10 | 0.14 | 0.20 | 0.22 | 0.25 | 0.27 | 0.30 |
| 0.047 | 10 | 0.18 | 0.24 | 0.30 | 0.35 | 0.39 | 0.42 |
| 0.068 | 10 | 0.21 | 0.29 | 0.32 | 0.37 | 0.41 | 0.44 |
| 0.1 | 10 | 0.25 | 0.37 | 0.45 | 0.50 | 0.55 | 0.63 |
| 0.047 | 15 | 0.16 | 0.22 | 0.24 | 0.27 | 0.30 | 0.32 |
| 0.068 | 15 | 0.23 | 0.26 | 0.32 | 0.35 | 0.40 | 0.44 |
| 0.1 | 15 | 0.42 | 0.55 | 0.58 | 0.65 | 0.69 | 0.73 |
| 0.22 | 15 | 0.58 | 0.62 | 0.67 | 0.78 | 0.80 | 0.85 |
| 0.33 | 15 | 0.91 | 1.15 | 1.25 | 1.40 | 1.48 | 1.58 |
| 0.5 | 15 | 0.85 | 1.08 | 1.18 | 1.30 | 1.40 | 1.49 |
| 0.68 | 15 | 1.16 | 1.48 | 1.60 | 1.80 | 1.90 | 2.05 |
| 1.0 | 22.5 | 1.85 | 2.25 | 2.36 | 2.60 | 2.70 | 2.85 |
ΣΥΣΚΕΥΑΣΙΑ ΚΩΔ
| Metho ρε | Ογκος | Πυρομαχικά | Καρούλι |
| Κώδικας | σι | ΕΝΑ | R |
ΜΗΚΟΣ ΜΟΛΥΔΙΟΥ ΑΠΟ ΤΟ ΚΑΘΙΣΜΑ
| mm | 5 | 10 | 15 | 20 | 25 |
| Κώδικας | 050 | 100 | 150 | 200 | 250 |
ΤΑΙΝΙΑ ΚΩΔ (Διάστιχο της ταινίας, αν κολληθεί με ταινία)
| Διάστημα | 10mm | 15mm |
| Συσκευασία | ΕΝΑ | ΕΝΑ |
| Κώδικας | RT3 | RT4 |
ΠΑΡΑΔΕΙΓΜΑ ΚΩΔΙΚΟΥ ΣΤΥΛ ΜΟΛΥΔΙΟΥ
ΕΙΣΑΓΩΓΗ
Οι σειρές CDAC είναι κατασκευασμένες με διηλεκτρικό μεταλλικό φιλμ πολυεστέρα, επίστρωση από χαλκό μόλυβδο και εποξική ρητίνη. Είναι κατάλληλα για μπλοκάρισμα, σύζευξη, αποσύνδεση, φιλτράρισμα, κύκλωμα χρονισμού παράκαμψης και ιδανικό για χρήση σε δεδομένα / τηλεπικοινωνιακό εξοπλισμό, βιομηχανικό όργανο, συστήματα αυτόματου ελέγχου και άλλες γενικές ηλεκτρονικές εφαρμογές.
















