Υψηλής ενέργειας υβριδικούς πυκνωτές tantalum|CBEC
Θήκη τανταλίου, Ερμητικά Σφραγισμένο, Κυλινδρικός, Ακτινικό μόλυβδο, Ετεροπολικότητα, με βίδες, βολικό για στερέωση Συνδυάζεται με ηλεκτρολυτικό πυκνωτή τανταλίου και ηλεκτροχημικό πυκνωτή, Μικρό μέγεθος, Σούπερ χωρητικότητα
Σταθερό σε Ηλεκτρικές Αποδόσεις, Υψηλή Αξιοπιστία, Μεγάλη διάρκεια ζωής, Μέγιστη Πυκνότητα Χωρητικότητας και Ενέργειας, Η ονομαστική χωρητικότητα είναι υψηλότερη από τη σειρά CBEF
Ενσωματωμένη ως μπαταρία σε κύκλωμα συνομιλίας ενέργειας & Παλμικό κύκλωμα ισχύος, λειτούργησε ως φιλτράρισμα, αποθήκευσης ενέργειας,κύκλωμα χρονικής καθυστέρησης.
Προδιαγραφές
Θερμοκρασία λειτουργίας:-55℃ έως +125℃ (έως +125℃, με βαθμολογημένη
Θερμοκρασία αποθήκευσης:-62℃ ~ +130℃
Ανοχή χωρητικότητας:Q: (-10%~+30%), K: (± 10%), M: (±20%)
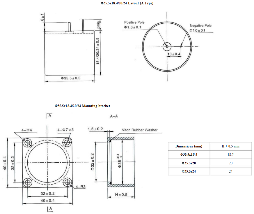
Διαστάσεις (μονάδα: mm)
Σημείωμα
1.Μην χρησιμοποιείτε πολύμετρο μέσω των διαδικασιών μέτρησης (μπορεί να προκαλέσει μη αναστρέψιμη βλάβη και να οδηγήσει σε απόρριψη).
2.Χωρητικότητα και DF μετρημένα στα 100Hz, U_=2.200 V, U = 1,00- V Η δοκιμή εφαρμόζεται μόνο σε ισοδύναμο κύκλωμα σειράς.
3.Η υποβάθμιση τάσης εφαρμόζεται στους +125℃. (Η παράμετρος DCL θα πρέπει να διαβαστεί μετά 5 λεπτά όταν συνδέθηκε στο κύκλωμα).
4.Το ειδικό μέγεθος και η ζήτηση θα μπορούσαν να συμβουλευτούν μαζί μας.
Παράδειγμα αριθμού εξαρτήματος

Χαρακτηριστικά και Εφαρμογή
◆Θήκη τανταλίου, Ερμητικά Σφραγισμένο, Κυλινδρικός, Ακτινικό μόλυβδο, Ετεροπολικότητα
◆ Συνδυάζεται με ηλεκτρολυτικό πυκνωτή τανταλίου και ηλεκτροχημικό πυκνωτή, Μικρό μέγεθος, Σούπερ χωρητικότητα.
◆Σταθερό σε Ηλεκτρικές Αποδόσεις, Υψηλή Αξιοπιστία, Μεγάλη διάρκεια ζωής, Μέγιστη Πυκνότητα Χωρητικότητας και Ενέργειας
◆Ενσωματωμένη ως μπαταρία σε κύκλωμα συνομιλίας ενέργειας & Παλμικό κύκλωμα ισχύος, λειτούργησε ως φιλτράρισμα, αποθήκευσης ενέργειας, κύκλωμα χρονικής καθυστέρησης













