Fémes polipropilén filmkondenzátor | Kettős | CDBB
Jellemzők
◆High moisture resistance
◆Névleges feszültség : 250~2000Vdc (180~700Vac)
◆Kapacitás tartomány : 0.00022 ~3.9 uF
◆Flame-retardant epoxy resin (Megfelel az UL 94V-nak-0)
◆RoHS Compliant and lead-free terminations
For high dv/dt application
Jellemzők
◆ Magas nedvességállóság
◆ Névleges feszültség : 250~2000Vdc(180~700Vac)
◆ Kapacitás tartomány : 0.00022 ~3.9uF
◆ Lángálló epoxigyanta (Megfelel az UL 94V-nak-0)
◆ RoHS-kompatibilis és ólommentes lezárások
◆ For high dv/dt application
Cikkszám példa
ELEKTROMOS JELLEMZŐK
| Tételek | Teljesítmény | ||||||||||||
| Üzemi feszültség tartomány | 250Vdc ~ 2000Vdc | ||||||||||||
| Névleges hőmérséklet | -40°C ~ +105 °C (Derates over 85°C at 1.25% per °C) | ||||||||||||
| Klimatikus kategória | 40 / 105 / 56 | ||||||||||||
| Kapacitás tartomány | 0.00022 µF ~ 3.9µF | ||||||||||||
| Kapacitástűrés | ± 5% (J), ± 10% (K -), other tolerances on request | ||||||||||||
|
Disszipációs tényező (tan fiÅ |
C ≤0.1µF | 0.1µF < C ≤ 1.0µF | C > 1.0µF | ||||||||||
| 1KHz, 20° C | 0.0003 | 0.0003 | 0.0003 | ||||||||||
| 1KHz, 20° C | 0.0004 | 0.0006 | — | ||||||||||
| 100KHz, 20° C | 0.0015 | — | — | ||||||||||
|
Szigetelési ellenállás |
Measured at 20°C, 100Vdc for 1 perc | ||||||||||||
|
|||||||||||||
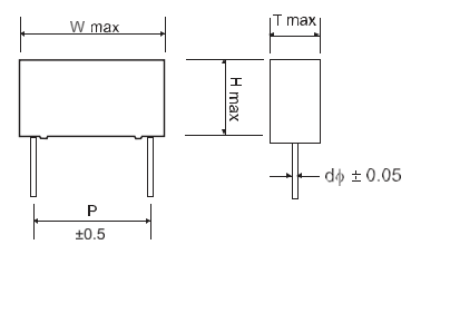
ÉRTÉKELÉSEK & MÉRETEK (mm)

Hullámforrasztási ajánlások
|
(μF) |
Workin g
Feszültség |
250VDC (2E) | 400VDC (2G) | 630VDC (2J) | |||||||||||||||
| 180Vakáció | 250Vakáció | 400Vakáció | |||||||||||||||||
| Kód | W | H | T | P | meghal | dv/dt | W | H | T | P | meghal | dv/dt | W | H | T | P | meghal | dv/dt | |
| 0.01 | 103 | 13.0 | 11.0 | 5.0 | 10.0 | 0.6 | 3,000 | ||||||||||||
| 0.012 | 123 | 13.0 | 11.0 | 5.0 | 10.0 | 0.6 | 3,000 | ||||||||||||
| 0.015 | 153 | 13.0 | 12.0 | 6.0 | 10.0 | 0.6 | 3,000 | ||||||||||||
| 0.018 | 183 | 18.0 | 11.0 | 5.0 | 15.0 | 0.8 | 2,500 | ||||||||||||
| 0.022 | 223 | 18.0 | 11.0 | 5.0 | 15.0 | 0.8 | 2,500 | ||||||||||||
| 0.027 | 273 | 13.0 | 11.0 | 5.0 | 10.0 | 0.6 | 1,400 | 18.0 | 11.0 | 5.0 | 15.0 | 0.8 | 2,500 | ||||||
| 0.033 | 333 | 13.0 | 11.0 | 5.0 | 10.0 | 0.6 | 1,400 | 18.0 | 12.0 | 6.0 | 15.0 | 0.8 | 2,500 | ||||||
| 0.039 | 393 | 13.0 | 12.0 | 6.0 | 10.0 | 0.6 | 1,400 | 18.0 | 12.0 | 6.0 | 15.0 | 0.8 | 2,500 | ||||||
| 0.047 | 473 | 13.0 | 11.0 | 5.0 | 10.0 | 0.6 | 1,000 | 18.0 | 11.0 | 5.0 | 15.0 | 0.8 | 1,000 | 18.0 | 12.0 | 6.0 | 15.0 | 0.8 | 2,500 |
| 0.056 | 563 | 13.0 | 11.0 | 5.0 | 10.0 | 0.6 | 1,000 | 18.0 | 11.0 | 5.0 | 15.0 | 0.8 | 1,000 | 26.5 | 15.0 | 6.0 | 22.5 | 0.8 | 1,800 |
| 0.068 | 683 | 13.0 | 12.0 | 6.0 | 10.0 | 0.6 | 1,000 | 18.0 | 12.0 | 6.0 | 15.0 | 0.8 | 1,000 | 26.5 | 15.0 | 6.0 | 22.5 | 0.8 | 1,800 |
| 0.082 | 823 | 18.0 | 11.0 | 5.0 | 15.0 | 0.8 | 600 | 18.0 | 12.0 | 6.0 | 15.0 | 0.8 | 1,000 | 26.5 | 15.0 | 6.0 | 22.5 | 0.8 | 1,800 |
| 0.1 | 104 | 18.0 | 11.0 | 5.0 | 15.0 | 0.8 | 600 | 18.0 | 13.5 | 7.5 | 15.0 | 0.8 | 1,000 | 26.5 | 15.0 | 6.0 | 22.5 | 0.8 | 1,800 |
| 0.12 | 124 | 18.0 | 12.0 | 6.0 | 15.0 | 0.8 | 600 | 18.0 | 13.5 | 7.5 | 15.0 | 0.8 | 1,000 | 26.5 | 16.0 | 7.0 | 22.5 | 0.8 | 1,800 |
| 0.15 | 154 | 18.0 | 12.0 | 6.0 | 15.0 | 0.8 | 600 | 26.5 | 15.0 | 6.0 | 22.5 | 0.8 | 600 | 26.5 | 17.0 | 8.5 | 22.5 | 0.8 | 1,800 |
| 0.18 | 184 | 18.0 | 13.5 | 7.5 | 15.0 | 0.8 | 600 | 26.5 | 15.0 | 6.0 | 22.5 | 0.8 | 600 | 32.0 | 18.0 | 9.0 | 27.5 | 0.8 | 1,100 |
| 0.22 | 224 | 18.0 | 13.5 | 7.5 | 15.0 | 0.8 | 600 | 26.5 | 16.0 | 7.0 | 22.5 | 0.8 | 600 | 32.0 | 18.0 | 9.0 | 27.5 | 0.8 | 1,100 |
| 0.27 | 274 | 18.0 | 14.5 | 8.5 | 15.0 | 0.8 | 600 | 26.5 | 17.0 | 8.5 | 22.5 | 0.8 | 600 | 32.0 | 18.0 | 9.0 | 27.5 | 0.8 | 1,100 |
| 0.33 | 334 | 18.0 | 16.0 | 10.0 | 15.0 | 0.8 | 600 | 26.5 | 17.0 | 8.5 | 22.5 | 0.8 | 600 | 32.0 | 20.0 | 11.0 | 27.5 | 0.8 | 1,100 |
| 0.39 | 394 | 26.5 | 16.0 | 7.0 | 22.5 | 0.8 | 400 | 26.5 | 18.5 | 10.0 | 22.5 | 0.8 | 600 | 32.0 | 20.0 | 11.0 | 27.5 | 0.8 | 1,100 |
| 0.47 | 474 | 26.5 | 16.0 | 7.0 | 22.5 | 0.8 | 400 | 32.0 | 18.0 | 9.0 | 27.5 | 0.8 | 500 | 32.0 | 22.0 | 13.0 | 27.5 | 0.8 | 1,100 |
| 0.56 | 564 | 26.5 | 17.0 | 8.5 | 22.5 | 0.8 | 400 | 32.0 | 20.0 | 11.0 | 27.5 | 0.8 | 500 | 32.0 | 22.0 | 13.0 | 27.5 | 0.8 | 1,100 |
| 0.68 | 684 | 26.5 | 18.5 | 10.0 | 22.5 | 0.8 | 400 | 32.0 | 20.0 | 11.0 | 27.5 | 0.8 | 500 | 32.0 | 24.5 | 15.0 | 27.5 | 0.8 | 1,100 |
| 0.82 | 824 | 26.5 | 18.5 | 10.0 | 22.5 | 0.8 | 400 | 32.0 | 22.0 | 13.0 | 27.5 | 0.8 | 500 | 32.0 | 28.0 | 14.0 | 27.5 | 0.8 | 1,100 |
| 1 | 105 | 32.0 | 20.0 | 11.0 | 27.5 | 0.8 | 300 | 32.0 | 24.5 | 15.0 | 27.5 | 0.8 | 500 | 32.0 | 33.0 | 18.0 | 27.5 | 0.8 | 1,100 |
| 1.2 | 125 | 32.0 | 20.0 | 11.0 | 27.5 | 0.8 | 300 | 32.0 | 24.5 | 15.0 | 27.5 | 0.8 | 500 | 32.0 | 33.0 | 18.0 | 27.5 | 0.8 | 1,100 |
| 1.5 | 155 | 32.0 | 22.0 | 13.0 | 27.5 | 0.8 | 300 | 32.0 | 33.0 | 18.0 | 27.5 | 0.8 | 500 |
folytassa …… |
|||||
| 1.8 | 185 | 32.0 | 24.5 | 15.0 | 27.5 | 0.8 | 300 | 32.0 | 33.0 | 18.0 | 27.5 | 0.8 | 500 | ||||||
| 2.2 | 225 | 32.0 | 24.5 | 15.0 | 27.5 | 0.8 | 300 |
|
|||||||||||
| 2.7 | 275 | 32.0 | 33.0 | 18.0 | 27.5 | 0.8 | 300 | ||||||||||||
| 3.3 | 335 | 32.0 | 33.0 | 18.0 | 27.5 | 0.8 | 300 | ||||||||||||
| 3.9 | 395 | 32.0 | 33.0 | 18.0 | 27.5 | 0.8 | 300 | ||||||||||||
ÉRTÉKELÉSEK & MÉRETEK (mm)
| ( F) | Workin g
Feszültség |
1000VDC(3A) | 1600VDC (3C) | 2000VDC (3D) | |||||||||||||||
| 600Vakáció | 650Vakáció | 700Vakáció | |||||||||||||||||
|
Kód |
W | H | T | P | meghal | dv/dt | W | H | T | P | meghal | dv/dt | W | H | T | P | meghal | dv/dt | |
| 0.00022 | 221 | 18.0 | 11.0 | 5.0 | 15.0 | 0.8 | 10,000 | ||||||||||||
| 0.00027 | 271 | 18.0 | 11.0 | 5.0 | 15.0 | 0.8 | 10,000 | ||||||||||||
| 0.00033 | 331 | 18.0 | 11.0 | 5.0 | 15.0 | 0.8 | 10,000 | ||||||||||||
| 0.00047 | 471 | 18.0 | 11.0 | 5.0 | 15.0 | 0.8 | 10,000 | ||||||||||||
| 0.00056 | 561 | 18.0 | 11.0 | 5.0 | 15.0 | 0.8 | 10,000 | ||||||||||||
| 0.00068 | 681 | 18.0 | 11.0 | 5.0 | 15.0 | 0.8 | 6,000 | 18.0 | 11.0 | 5.0 | 15.0 | 0.8 | 10,000 | ||||||
| 0.00082 | 821 | 18.0 | 11.0 | 5.0 | 15.0 | 0.8 | 6,000 | 18.0 | 11.0 | 5.0 | 15.0 | 0.8 | 10,000 | ||||||
| 0.001 | 102 | 18.0 | 11.0 | 5.0 | 15.0 | 0.8 | 6,000 | 18.0 | 11.0 | 5.0 | 15.0 | 0.8 | 10,000 | ||||||
| 0.0012 | 122 | 18.0 | 11.0 | 5.0 | 15.0 | 0.8 | 6,000 | 18.0 | 11.0 | 5.0 | 15.0 | 0.8 | 10,000 | ||||||
| 0.0015 | 152 | 18.0 | 11.0 | 5.0 | 15.0 | 0.8 | 6,000 | 18.0 | 11.0 | 5.0 | 15.0 | 0.8 | 10,000 | ||||||
| 0.0018 | 182 | 18.0 | 11.0 | 5.0 | 15.0 | 0.8 | 6,000 | 18.0 | 11.0 | 5.0 | 15.0 | 0.8 | 10,000 | ||||||
| 0.0022 | 222 | 18.0 | 11.0 | 5.0 | 15.0 | 0.8 | 6,000 | 18.0 | 11.0 | 5.0 | 15.0 | 0.8 | 10,000 | ||||||
| 0.0027 | 272 | 18.0 | 11.0 | 5.0 | 15.0 | 0.8 | 6,000 | 18.0 | 11.0 | 5.0 | 15.0 | 0.8 | 10,000 | ||||||
| 0.0033 | 332 | 18.0 | 11.0 | 5.0 | 15.0 | 0.8 | 6,000 | 18.0 | 11.0 | 5.0 | 15.0 | 0.8 | 10,000 | ||||||
| 0.0039 | 392 | 13.0 | 11.0 | 5.0 | 10.0 | 0.6 | 6,000 | 18.0 | 11.0 | 5.0 | 15.0 | 0.8 | 6,000 | 18.0 | 11.0 | 5.0 | 15.0 | 0.8 | 10,000 |
| 0.0047 | 472 | 13.0 | 11.0 | 5.0 | 10.0 | 0.6 | 6,000 | 18.0 | 11.0 | 5.0 | 15.0 | 0.8 | 6,000 | 18.0 | 11.0 | 5.0 | 15.0 | 0.8 | 10,000 |
| 0.0056 | 562 | 13.0 | 12.0 | 6.0 | 10.0 | 0.6 | 6,000 | 18.0 | 11.0 | 5.0 | 15.0 | 0.8 | 6,000 | 18.0 | 13.5 | 7.5 | 15.0 | 0.8 | 10,000 |
| 0.0068 | 682 | 13.0 | 12.0 | 6.0 | 10.0 | 0.6 | 6,000 | 18.0 | 11.0 | 5.0 | 15.0 | 0.8 | 6,000 | 18.0 | 13.5 | 7.5 | 15.0 | 0.8 | 10,000 |
| 0.0082 | 822 | 18.0 | 11.0 | 5.0 | 15.0 | 0.8 | 3,300 | 18.0 | 12.0 | 6.0 | 15.0 | 0.8 | 6,000 | 26.5 | 15.0 | 6.0 | 22.5 | 0.8 | 5,000 |
| 0.01 | 103 | 18.0 | 11.0 | 5.0 | 15.0 | 0.8 | 3,300 | 18.0 | 12.0 | 6.0 | 15.0 | 0.8 | 6,000 | 26.5 | 15.0 | 6.0 | 22.5 | 0.8 | 5,000 |
| 0.012 | 123 | 18.0 | 11.0 | 5.0 | 15.0 | 0.8 | 3,300 | 18.0 | 13.5 | 7.5 | 15.0 | 0.8 | 6,000 | 26.5 | 15.0 | 6.0 | 22.5 | 0.8 | 5,000 |
| 0.015 | 153 | 18.0 | 11.0 | 5.0 | 15.0 | 0.8 | 3,300 | 18.0 | 13.5 | 7.5 | 15.0 | 0.8 | 6,000 | 26.5 | 16.0 | 7.0 | 22.5 | 0.8 | 5,000 |
| 0.018 | 183 | 18.0 | 13.5 | 7.5 | 15.0 | 0.8 | 3,300 | 18.0 | 14.5 | 8.5 | 15.0 | 0.8 | 6,000 | 26.5 | 16.0 | 7.0 | 22.5 | 0.8 | 5,000 |
| 0.022 | 223 | 18.0 | 13.5 | 7.5 | 15.0 | 0.8 | 3,300 | 18.0 | 14.5 | 8.5 | 15.0 | 0.8 | 6,000 | 26.5 | 17.0 | 8.5 | 22.5 | 0.8 | 5,000 |
| 0.027 | 273 | 18.0 | 14.5 | 8.5 | 15.0 | 0.8 | 3,300 | 26.5 | 15.0 | 6.0 | 22.5 | 0.8 | 3,000 | 26.5 | 18.5 | 10.0 | 22.5 | 0.8 | 5,000 |
| 0.033 | 333 | 26.5 | 15.0 | 6.0 | 22.5 | 0.8 | 2,100 | 26.5 | 16.0 | 7.0 | 22.5 | 0.8 | 3,000 | 26.5 | 18.5 | 10.0 | 22.5 | 0.8 | 5,000 |
| 0.039 | 393 | 26.5 | 15.0 | 6.0 | 22.5 | 0.8 | 2,100 | 26.5 | 17.0 | 8.5 | 22.5 | 0.8 | 3,000 | 26.5 | 22.0 | 12.0 | 22.5 | 0.8 | 5,000 |
| 0.047 | 473 | 26.5 | 16.0 | 7.0 | 22.5 | 0.8 | 2,100 | 26.5 | 18.5 | 10.0 | 22.5 | 0.8 | 3,000 | 32.0 | 20.0 | 11.0 | 27.5 | 0.8 | 2,200 |
| 0.056 | 563 | 26.5 | 16.0 | 7.0 | 22.5 | 0.8 | 2,100 | 26.5 | 18.5 | 10.0 | 22.5 | 0.8 | 3,000 | 32.0 | 22.0 | 13.0 | 27.5 | 0.8 | 2,200 |
| 0.068 | 683 | 26.5 | 17.0 | 8.5 | 22.5 | 0.8 | 2,100 | 26.5 | 22.0 | 12.0 | 22.5 | 0.8 | 3,000 | 32.0 | 22.0 | 13.0 | 27.5 | 0.8 | 2,200 |
| 0.082 | 823 | 26.5 | 18.5 | 10.0 | 22.5 | 0.8 | 2,100 | 32.0 | 20.0 | 11.0 | 27.5 | 0.8 | 2,000 | 32.0 | 24.5 | 15.0 | 27.5 | 0.8 | 2,200 |
| 0.1 | 104 | 26.5 | 18.5 | 10.0 | 22.5 | 0.8 | 2,100 | 32.0 | 20.0 | 11.0 | 27.5 | 0.8 | 2,000 | 32.0 | 28.0 | 14.0 | 27.5 | 0.8 | 2,200 |
| 0.12 | 124 | 32.0 | 20.0 | 11.0 | 27.5 | 0.8 | 1,300 | 32.0 | 22.0 | 13.0 | 27.5 | 0.8 | 2,000 | 32.0 | 33.0 | 18.0 | 27.5 | 0.8 | 2,200 |
| 0.15 | 154 | 32.0 | 20.0 | 11.0 | 27.5 | 0.8 | 1,300 | 32.0 | 24.5 | 15.0 | 27.5 | 0.8 | 2,000 | 32.0 | 33.0 | 18.0 | 27.5 | 0.8 | 2,200 |
| 0.18 | 184 | 32.0 | 22.0 | 13.0 | 27.5 | 0.8 | 1,300 | 32.0 | 24.5 | 15.0 | 27.5 | 0.8 | 2,000 |
|
|||||
| 0.22 | 224 | 32.0 | 22.0 | 13.0 | 27.5 | 0.8 | 1,300 | 32.0 | 33.0 | 18.0 | 27.5 | 0.8 | 2,000 | ||||||
| 0.27 | 274 | 32.0 | 24.5 | 15.0 | 27.5 | 0.8 | 1,300 | 32.0 | 33.0 | 18.0 | 27.5 | 0.8 | 2,000 | ||||||
| 0.33 | 334 | 32.0 | 28.0 | 14.0 | 27.5 | 0.8 | 1,300 | 32.0 | 33.0 | 18.0 | 27.5 | 0.8 | 2,000 | ||||||
| 0.39 | 394 | 32.0 | 33.0 | 18.0 | 27.5 | 0.8 | 1,300 | ||||||||||||
| 0.47 | 474 | 32.0 | 33.0 | 18.0 | 27.5 | 0.8 | 1,300 | ||||||||||||
Vrms vs. Frekvencia, tipikus érték

RADIÁLIS SZALAGOZÁSI KÓDÁBRA

Füge. 4 Box or Expoxy Coated
F=10 = Ammo Only
F=15 Every other space skipped because
of Larger body – Ammo Only
(RT3 or RT4)
| Leírás |
Levél |
Dimenzió (mm) | |
| RT4 | Tol. | ||
| Ólomhuzal átmérője | D | 0.6 / 0.8 | ± 0.05 |
| Tape Pitch | P | 25.4 | ± 1 |
| Táplálási lyuk pályája | Po | 12.7 | ± 0.2 |
| Az ólomhuzal központosítása | P1 | 5.2 | ± 0.7 |
| A test központosítása | P2 | 12.7 | ± 1.3 |
| Ólom -távolság (Hangmagasság) | F | 15 | + 0.6; -0.1 |
| Alkatrészek igazítása | Δh | 0 | ± 2 |
| Az alkatrész magassága a szalag középpontjáról | H | 18.5 | ± 0.5 |
| Carrier Tape Width | W | 18 | + 1; -0.5 |
| Tartsa le a szalag szélességét | Jaj | 10 | Min |
| Lyukhely | W1 | 9 | ± 0.5 |
| Tartsa le a szalagos helyzetet | W2 | 3 | Max |
| Takarmányfurat átmérőjű | Csinál | 4 | ± 0.2 |
| Szalagvastagság | t | 0.5 | ± 0.2 |
| Ábra | füge | 4 | |
Megjegyzés: *A felhalmozódott hangmagasság, amely kevesebb, mint 1 mm 20 pályák.
*Folyamatos üres alkatrész kevesebb, mint 3 egymást követő darabok.
*Összesen üres egy tekercsen kevesebb, mint 1%.
BEVEZETÉS
CDBB Series are constructed specifically for Power Factor Correction (ŐRVEZETŐ) alkalmazásokat. Film was selected and metalization applied specifically for high dv/dt application










