Nagy energiájú hibrid tantalum kondenzátorok|CBEC
Tantál tok, Hermetikusan lezárt, Hengeres, Radiális vezetés, Heteropolaritás, csavarokkal, kényelmesen rögzíthető Elektrolitikus tantál kondenzátorral és elektrokémiai kondenzátorral keverve, Kis méret, Szuper kapacitás
Stabil elektromos teljesítményben, Magas Megbízhatóság, Hosszú élettartam, Maximum a kapacitás és az energia sűrűségében, A névleges kapacitás nagyobb, mint a CBEF sorozat
Beépített akkumulátorként energia-konvertált áramkörben & Teljesítmény-impulzus-áramkör, szűrőként működött, tárolási energia,időkésleltető áramkör.
Előírások
Üzemi hőmérséklet:-55℃ és +125 ℃ között (+125 ℃-ig, minősítéssel
Tárolási hőmérséklet:-62℃ ~ +130 ℃
Kapacitástűrés:K: (-10%~+30%), K -: (± 10%), M: (± 20%)
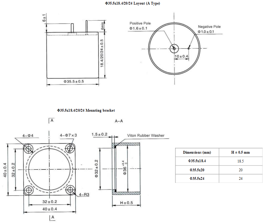
Méretek (egység: mm)
Jegyzet
1.Kérjük, ne használjon multimétert a mérési eljárások során (visszafordíthatatlan károkat okozhat, és kidobáshoz vezethet).
2.A kapacitás és a DF 100 Hz-en mérve, U_=2,200 V, U = 1,00- V A tesztet csak soros egyenértékű áramkörben alkalmazzák.
3.A feszültségcsökkentést +125 ℃-on alkalmazzák. (A DCL paramétert utána kell olvasni 5 perc, amikor az áramkörhöz csatlakozik).
4.Különleges méret és igény konzultálhat velünk.
Cikkszám példa

Jellemzők és alkalmazás
◆Tantál tok, Hermetikusan lezárt, Hengeres, Radiális vezetés, Heteropolaritás
◆Az elektrolitikus tantál kondenzátor és az elektrokémiai kondenzátor keveri, Kis méret, Szuper kapacitás.
◆Stabil elektromos teljesítmény, Magas Megbízhatóság, Hosszú élettartam, Maximum a kapacitás és az energia sűrűségében
◆Beépített akkumulátorként energia-átalakító áramkörben & Teljesítmény-impulzus-áramkör, szűrőként működött, tárolási energia, időkésleltető áramkör













