Metalliseeritud polüesterkile kondensaator |Ultra mini suurus | CDAD
CDAD-seeria on loodud spetsiaalselt aktiivsete filtreerimisahelate jaoks, nagu need, mida kasutatakse võimsusteguri korrigeerimise rakendustes.
Omadused
◆ Töötemperatuur. Vahemik :-40°C~105 °C (VR Derates 1.25% °C kohta üle 85 °C)
◆ Mahtuvusvahemik:0.1~10uF
◆ Mahtuvustaluvus: J = 5% K = 10% M = 20%
◆ Nimipinge V R 85°C: 100V 250V 400V 630V
◆ Hajumistegur: 1% MAX @1KHZ 25℃
Osa numbri näide
Spetsifikatsioonid
| Esemed | Esinemine | ||||
| Tööpinge vahemik | 450Vdc, 630Vdc | ||||
| Nimitemperatuur | -40 °C ~ +85 °C | ||||
| Kasutatav ülemise kategooria temperatuur | +110° C
(Nimipinge alandamise suhe üle +85 °C ~ +110 °C: 1.5% °C nimipinge kohta) |
||||
| Mahtuvusvahemik | 0.033 µF ~ 3.3 µF | ||||
| Mahtuvustolerants | +2% (G), +5% (J), +10% (K) | ||||
| Hajumistegur | 1.0% (max.) see 1KHz 1.6% (max.) sagedusel 10KHz | ||||
| Isolatsioonitakistuse klemm terminalile | Pinge laadimine: 100Vdc x 1 min (juures 20 °C+5°C)
> 9,000MΏ C jaoks < 0.33µF > 3,000MΏ x µF C jaoks >0.33µF |
||||
|
Pinget taluma |
Terminalist terminali:(juures 20 ° C + 5° C) | ||||
| 1.6 x VR rakendati 2 sekundit. (katkestas voolu 10mA) | |||||
| Pinge kiiruse aeglustumine: 100V/sek | |||||
| Nimipinge impulsi kalle dV/dt (V/µs) | P
VR |
10mm | 15mm | 22.5mm | |
| 450Vdc | 110 | 45 | 20 | ||
| 630Vdc | 160 | 65 | 30 | ||
ESITUS
| Ese | Test meetodid | Nõuded |
| Vastupidavus jootmiskuumusele IEC 60068-2-20″ | Jootevann: 260°C+ 5°C Sukeldusaeg: 10sek + 1sek | Mahtuvus |ΔC/C| :<2% DF Muuda tanδ: 0.5% 1KHz IR juures: > piirväärtus |
| Vibratsioonikindlus IEC 60068-2-6″ | Sagedusvahemik: 10Hz kuni 55 Hz amplituud:
1.5m/m Kestus: 6 tööaeg |
Nähtavaid kahjustusi ei tohi olla, Ärge katkestage
Kontakt, Avatud või lühis puudub |
| Niiske kuumus, Püsiseisund IEC 60068-2-3″ | Temperatuur: 40° C + 2°C Suhteline õhuniiskus: 90% juurde 95%
Kestus: 1,000 tööaeg |
Mahtuvus |ΔC/C |: <5% DF Muuda tanδ: 0.5% 1KHz IR juures: > 50% piirväärtus |
| Elektriline vastupidavus IEC 60384-2″ | Temperatuur: 85° C + 2°C Rakendatud pinge: 1.10 x Vr(DC) Kestus: 1,000 tööaeg | Mahtuvus |ΔC/C |: <5% DF Muuda tanδ: 0.5% 1KHz IR juures: > 50% piirväärtus |
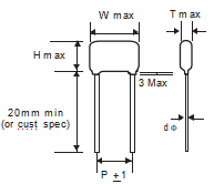
MAKSIMAALSED MÕÕTMED (mm)
| R.V. | 450Vdc (2W) | ||||||||||
| Sina
e |
W | H | T | P | dΦ | Sina
e |
W | H | T | P | dΦ |
| (µF) | (µF) | ||||||||||
| 0.047 | 13.0 | 13 | 5 | 10 | 0.6 |
1.0 |
13 | 19 | 8 | 10 | 0.8 |
| 0.068 | 12.5 | 10 | 5 | 10 | 0.6 | 18.0 | 17 | 7.5 | 15 | 0.8 | |
| 0.1 | 12.5 | 9.5 | 4.5 | 10 | 0.6 | 26.0 | 16 | 7 | 22.5 | 0.8 | |
| 18.0 | 11 | 5 | 15 | 0.8 | 1.2 | 18.0 | 18 | 8 | 15 | 0.8 | |
| 0.15 | 12.5 | 12 | 4.5 | 10 | 0.6 |
1.5 |
13.0 | 21.5 | 9.5 | 10 | 0.8 |
| 0.22 | 12.5 | 12 | 6.5 | 10 | 0.6 | 18.0 | 18.5 | 8.5 | 15 | 0.8 | |
| 18.0 | 11.5 | 6 | 15 | 0.8 | 26.0 | 17.5 | 7 | 22.5 | 0.8 | ||
| 0.33 | 12.5 | 12 | 6 | 10 | 0.6 | 2.2 | 18.0 | 21.5 | 11.5 | 15 | 0.8 |
| 18.0 | 13 | 5 | 15 | 0.8 | 26.0 | 19 | 9 | 22.5 | 0.8 | ||
| 0.47 | 12.5 | 15.5 | 6.5 | 10 | 0.6 | 3.3 | 26.0 | 23.5 | 13 | 22.5 | 0.8 |
| 18.0 | 13 | 5.5 | 15 | 0.8 | |||||||
| 0.68 | 12.5 | 16 | 7.5 | 10 | 0.6 | ||||||
| 18.0 | 15.5 | 5.5 | 15 | 0.8 | |||||||
| R.V. | 630Vdc (2J) | ||||
| Sa oled | W | H | T | P | dΦ |
| (µF) | |||||
| 0.033 | 12.5 | 10.5 | 4.5 | 10 | 0.6 |
| 0.047 | 12.5 | 13 | 5 | 10 | 0.6 |
| 18.0 | 11 | 5 | 15 | 0.8 | |
| 0.068 | 13.0 | 13 | 6 | 10 | 0.6 |
| 18.0 | 11 | 5 | 15 | 0.8 | |
| 0.1 | 12.5 | 16 | 6 | 10 | 0.6 |
| 18.0 | 11 | 5 | 15 | 0.8 | |
| 0.22 | 18.0 | 13 | 5 | 15 | 0.8 |
| 0.33 | 18.0 | 13 | 5 | 15 | 0.8 |
| 0.47 | 18.0 | 17.5 | 9 | 15 | 0.8 |
| 0.68 | 18.0 | 20.5 | 10.5 | 15 | 0.8 |
| 1.0 | 26.0 | 20.5 | 9.5 | 22.5 | 0.8 |
NIMIPINGE (Vrms) VS. SAGEDUS
MAX. DC & AC PINGE VS TEMPERATUUR
MAXIMUM VOOLU, AMPS (rms)
450Vdc / 200Vac
| ÜPP (µF) | P | 15.75
KHz |
35
KHz |
45
KHz |
65
KHz |
80
KHz |
100
Khz |
| 0.047 | 10 | 0.18 | 0.20 | 0.21 | 0.23 | 0.24 | 0.25 |
| 0.068 | 10 | 0.20 | 0.22 | 0.23 | 0.24 | 0.25 | 0.26 |
| 0.1 | 10 | 0.36 | 0.46 | 0.50 | 0.56 | 0.60 | 0.64 |
| 15 | 0.15 | 0.17 | 0.19 | 0.20 | 0.21 | 0.22 | |
| 0.15 | 10 | 0.40 | 0.48 | 0.53 | 0.58 | 0.62 | 0.66 |
| 0.22 | 10 | 0.45 | 0.57 | 0.61 | 0.69 | 0.73 | 0.78 |
| 15 | 0.18 | 0.19 | 0.20 | 0.21 | 0.22 | 0.23 | |
| 0.33 | 10 | 0.48 | 0.60 | 0.65 | 0.72 | 0.74 | 0.80 |
| 15 | 0.77 | 0.97 | 1.05 | 1.17 | 1.25 | 1.32 | |
| 0.47 | 10 | 0.50 | 0.70 | 0.80 | 0.90 | 1.00 | 1.10 |
| 15 | 0.67 | 0.88 | 0.99 | 1.06 | 1.17 | 1.31 | |
| 0.68 | 10 | 0.60 | 0.90 | 1.00 | 1.10 | 1.20 | 1.30 |
| 15 | 0.88 | 1.13 | 1.24 | 1.41 | 1.48 | 1.63 | |
| 1.0 | 10 | 0.80 | 1.20 | 1.30 | 1.50 | 1.60 | 1.80 |
| 15 | 1.06 | 1.38 | 1.59 | 1.77 | 1.84 | 1.91 | |
| 1.2 | 15 | 1.20 | 1.50 | 1.65 | 1.85 | 2.00 | 2.20 |
|
1.5 |
10 | 0.98 | 1.30 | 1.40 | 1.60 | 1.70 | 1.90 |
| 15 | 1.40 | 1.70 | 1.80 | 2.00 | 2.20 | 2.40 | |
| 22.5 | 1.38 | 1.68 | 1.78 | 1.96 | 2.00 | 2.04 | |
| 2.2 | 15 | 1.70 | 2.00 | 2.20 | 2.35 | 2.50 | 2.70 |
| 22.5 | 2.30 | 2.37 | 2.43 | 2.52 | 2.55 | 2.60 | |
| 3.3 | 22.5 | 2.65 | 2.69 | 2.80 | 2.81 | 2.82 | 2.90 |
MAXIMUM VOOLU, AMPS (rms)
630Vdc / 250Vac
| ÜPP (µF) | P | 15.75
KHz |
35
KHz |
45
KHz |
65
KHz |
80
KHz |
100
KHz |
| 0.033 | 10 | 0.14 | 0.20 | 0.22 | 0.25 | 0.27 | 0.30 |
| 0.047 | 10 | 0.18 | 0.24 | 0.30 | 0.35 | 0.39 | 0.42 |
| 0.068 | 10 | 0.21 | 0.29 | 0.32 | 0.37 | 0.41 | 0.44 |
| 0.1 | 10 | 0.25 | 0.37 | 0.45 | 0.50 | 0.55 | 0.63 |
| 0.047 | 15 | 0.16 | 0.22 | 0.24 | 0.27 | 0.30 | 0.32 |
| 0.068 | 15 | 0.23 | 0.26 | 0.32 | 0.35 | 0.40 | 0.44 |
| 0.1 | 15 | 0.42 | 0.55 | 0.58 | 0.65 | 0.69 | 0.73 |
| 0.22 | 15 | 0.58 | 0.62 | 0.67 | 0.78 | 0.80 | 0.85 |
| 0.33 | 15 | 0.91 | 1.15 | 1.25 | 1.40 | 1.48 | 1.58 |
| 0.5 | 15 | 0.85 | 1.08 | 1.18 | 1.30 | 1.40 | 1.49 |
| 0.68 | 15 | 1.16 | 1.48 | 1.60 | 1.80 | 1.90 | 2.05 |
| 1.0 | 22.5 | 1.85 | 2.25 | 2.36 | 2.60 | 2.70 | 2.85 |
PAKENDI KOOD
| Metho d | Mass | Laskemoon | Rull |
| Kood | B | A | R |
JUHI PIKKUS ISTELE LENKULT
| mm | 5 | 10 | 15 | 20 | 25 |
| Kood | 050 | 100 | 150 | 200 | 250 |
LINT KOOD (Lindi juhtmevahe, kui teibitakse)
| Vahekaugus | 10mm | 15mm |
| Pakkimine | A | A |
| Kood | RT3 | RT4 |
PLII STIILI KOODI NÄIDE
Sissejuhatus
CDAC-seeria on valmistatud metalliseeritud polüesterkile dielektriga, vasest plii ja epoksüvaigu kate. Need sobivad blokeerimiseks, sidumine, lahtisidumine, filtreerimine, möödaviigu ajastusahel ja sobib ideaalselt andmesides kasutamiseks / telekommunikatsiooni seadmed, tööstuslik instrument, automaatjuhtimissüsteemid ja muud üldised elektroonilised rakendused.
















