Suure energiaga hübriidne tantaalkondensaatorid|CBEA
Tantaali korpus, Hermeetiliselt suletud, Silindriline, Radiaal-plii, Heteropolaarsus
Segatud elektrolüütilise tantaalkondensaatori ja elektrokeemilise kondensaatoriga, Väike suurus, Super mahtuvus.
Stabiilne elektriliste toimingute osas, Kõrge töökindlus, Pikk eluiga, Maksimaalne mahtuvuse ja energia tihedus Sisseehitatud akuna energiamuundusahelas & Power-impulss-ahel, toimis filtrina, salvestav energia, viivitusahel.
Spetsifikatsioonid
Töötemperatuur: -55℃ kuni +125 ℃ (kuni +125 ℃, nimipinge vähendamisega)
Säilitustemperatuur: -62℃ ~ +130 ℃
Mahtuvusitaluvus:K: (-10%~+30%), K: (±10%), M: (± 20%)
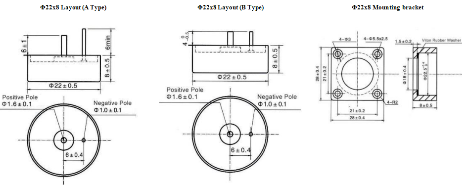
Mõõtmed (üksus: mm)
Täiendavate värskendusandmete saamiseks külastage meie veebisaiti, need andmed & spetsifikatsioone võidakse ette teatamata muuta.
Osa numbri näide

Mõõtmed (üksus: mm)
Mõõtmed (üksus: mm)
Märk:
1.Ärge kasutage mõõtmisprotseduurides multimeetrit (võib põhjustada pöördumatuid kahjustusi ja viia kasutuselt kõrvaldamiseni).
2.Mahtuvus ja DF mõõdetuna 100 Hz juures, U_=2,200-1,0V, U~=1,00-0,5 V Testi rakendatakse ainult seerias samaväärses vooluringis.
3.Pinge vähendamist rakendatakse temperatuuril +125 ℃. (DCL parameetrit tuleks lugeda pärast 5 minutit, kui see on vooluringiga ühendatud).
4.Spetsiaalne suurus ja nõudlus võiksid meiega nõu pidada.
Omadused ja rakendus
◆Tantaalist ümbris, Hermeetiliselt suletud, Silindriline, Radiaal-plii, Heteropolaarsus
◆ Segatud elektrolüütilise tantaalkondensaatori ja elektrokeemilise kondensaatoriga, Väike suurus, Super mahtuvus.
◆ Stabiilne elektriliste toimingute osas, Kõrge töökindlus, Pikk eluiga, Maksimaalne mahtuvuse ja energia tiheduses
◆Sisseehitatud akuna energia muundatud vooluringis & Power-impulss-ahel, toimis filtrina, salvestav energia, viivitusahel















