Kovový kondenzátor filmu polyesteru |Ultra mini velikost | CDAD
Řada CDAD je konstruována speciálně pro aktivní filtrační obvody, jako jsou obvody používané v aplikacích korekce účiníku.
Funkce
◆ Provozní teplota. Rozsah :-40°C~105 °C (VR snižuje 1.25% na °C nad 85 °C)
◆ Rozsah kapacity:0.1~10uF
◆ Tolerance kapacity: J=5% K=10% M=20%
◆ Jmenovité napětí VR 85°C: 100V 250V 400V 630V
◆ Faktor rozptylu: 1% MAX @1KHZ 25℃
Příklad čísla dílu
SPECIFIKACE
| Položky | Výkon | ||||
| Rozsah provozního napětí | 450Vdc, 630Vdc | ||||
| Jmenovitá teplota | -40 °C ~ +85 °C | ||||
| Použitelná teplota horní kategorie | +110° C.
(Poměr snížení jmenovitého napětí nad +85 °C ~ +110 °C: 1.5% na °C jmenovitého napětí) |
||||
| Rozsah kapacity | 0.033 uF~ 3.3 uF | ||||
| Tolerance kapacity | +2% (G), +5% (J), +10% (K) | ||||
| Faktor rozptylu | 1.0% (max.) že 1 kHz 1.6% (max.) při 10 kHz | ||||
| Izolační odporová svorka na svorku | Napětí: 100Vdc x 1min (na 20 °C + 5 °C)
> 9,000MΏ pro C < 0.33uF > 3,000MΏ x µF pro C >0.33uF |
||||
|
Odolné napětí |
Terminál k terminálu:(na 20 ° C. + 5° C.) | ||||
| 1.6 x VR aplikováno na 2 sekundy. (odříznout proud 10mA) | |||||
| Rychlost zpomaleného napětí: 100V/sec | |||||
| Jmenovité napětí Pulse Slope dV/dt (V/us) | P
VR |
10mm | 15mm | 22.5mm | |
| 450Vdc | 110 | 45 | 20 | ||
| 630Vdc | 160 | 65 | 30 | ||
VÝKON
| Položka | Test Metody | Požadavky |
| Odolnost vůči teplu při pájení IEC 60068-2-20″ | Pájecí lázeň: 260°C+ 5 °C Doba ponoření: 10sek + 1sek | Změna kapacity |AC/C| :<2% DF Změna tanδ: 0.5% při 1 kHz IR: > limitní hodnota |
| Odolnost proti vibracím IEC 60068-2-6″ | Frekvenční rozsah: 10Hz až 55Hz Amplituda:
1.5m/m Trvání: 6 hodin |
Nesmí dojít k žádnému viditelnému poškození, Nepřerušujte
Kontakt, Žádné přerušení nebo zkrat |
| Vlhké teplo, Ustálený stav IEC 60068-2-3″ | Teplota: 40° C. + 2°C Relativní vlhkost: 90% na 95%
Trvání: 1,000 hodin |
Změna kapacity |AC/C |: <5% DF Změna tanδ: 0.5% při 1 kHz IR: > 50% limitní hodnota |
| Elektrická odolnost IEC 60384-2″ | Teplota: 85° C. + 2°C Použité napětí: 1.10 x VR(DC) Trvání: 1,000 hodin | Změna kapacity |AC/C |: <5% DF Změna tanδ: 0.5% při 1 kHz IR: > 50% limitní hodnota |
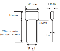
MAXIMÁLNÍ ROZMĚRY (mm)
| R.V. | 450Vdc (2W) | ||||||||||
| Vy
E |
W | H | T | P | dΦ | Vy
E |
W | H | T | P | dΦ |
| (uF) | (uF) | ||||||||||
| 0.047 | 13.0 | 13 | 5 | 10 | 0.6 |
1.0 |
13 | 19 | 8 | 10 | 0.8 |
| 0.068 | 12.5 | 10 | 5 | 10 | 0.6 | 18.0 | 17 | 7.5 | 15 | 0.8 | |
| 0.1 | 12.5 | 9.5 | 4.5 | 10 | 0.6 | 26.0 | 16 | 7 | 22.5 | 0.8 | |
| 18.0 | 11 | 5 | 15 | 0.8 | 1.2 | 18.0 | 18 | 8 | 15 | 0.8 | |
| 0.15 | 12.5 | 12 | 4.5 | 10 | 0.6 |
1.5 |
13.0 | 21.5 | 9.5 | 10 | 0.8 |
| 0.22 | 12.5 | 12 | 6.5 | 10 | 0.6 | 18.0 | 18.5 | 8.5 | 15 | 0.8 | |
| 18.0 | 11.5 | 6 | 15 | 0.8 | 26.0 | 17.5 | 7 | 22.5 | 0.8 | ||
| 0.33 | 12.5 | 12 | 6 | 10 | 0.6 | 2.2 | 18.0 | 21.5 | 11.5 | 15 | 0.8 |
| 18.0 | 13 | 5 | 15 | 0.8 | 26.0 | 19 | 9 | 22.5 | 0.8 | ||
| 0.47 | 12.5 | 15.5 | 6.5 | 10 | 0.6 | 3.3 | 26.0 | 23.5 | 13 | 22.5 | 0.8 |
| 18.0 | 13 | 5.5 | 15 | 0.8 | |||||||
| 0.68 | 12.5 | 16 | 7.5 | 10 | 0.6 | ||||||
| 18.0 | 15.5 | 5.5 | 15 | 0.8 | |||||||
| R.V. | 630Vdc (2J) | ||||
| ty jsi | W | H | T | P | dΦ |
| (uF) | |||||
| 0.033 | 12.5 | 10.5 | 4.5 | 10 | 0.6 |
| 0.047 | 12.5 | 13 | 5 | 10 | 0.6 |
| 18.0 | 11 | 5 | 15 | 0.8 | |
| 0.068 | 13.0 | 13 | 6 | 10 | 0.6 |
| 18.0 | 11 | 5 | 15 | 0.8 | |
| 0.1 | 12.5 | 16 | 6 | 10 | 0.6 |
| 18.0 | 11 | 5 | 15 | 0.8 | |
| 0.22 | 18.0 | 13 | 5 | 15 | 0.8 |
| 0.33 | 18.0 | 13 | 5 | 15 | 0.8 |
| 0.47 | 18.0 | 17.5 | 9 | 15 | 0.8 |
| 0.68 | 18.0 | 20.5 | 10.5 | 15 | 0.8 |
| 1.0 | 26.0 | 20.5 | 9.5 | 22.5 | 0.8 |
JMENOVITÉ NAPĚTÍ (Vrms) VS. FREKVENCE
MAX. DC & AC NAPĚTÍ VS TEPLOTA
MAXIMÁLNÍ PROUD, AMPS (rms)
450Vdc / 200Vac
| VÍČKO (uF) | P | 15.75
kHz |
35
kHz |
45
kHz |
65
kHz |
80
kHz |
100
Khz |
| 0.047 | 10 | 0.18 | 0.20 | 0.21 | 0.23 | 0.24 | 0.25 |
| 0.068 | 10 | 0.20 | 0.22 | 0.23 | 0.24 | 0.25 | 0.26 |
| 0.1 | 10 | 0.36 | 0.46 | 0.50 | 0.56 | 0.60 | 0.64 |
| 15 | 0.15 | 0.17 | 0.19 | 0.20 | 0.21 | 0.22 | |
| 0.15 | 10 | 0.40 | 0.48 | 0.53 | 0.58 | 0.62 | 0.66 |
| 0.22 | 10 | 0.45 | 0.57 | 0.61 | 0.69 | 0.73 | 0.78 |
| 15 | 0.18 | 0.19 | 0.20 | 0.21 | 0.22 | 0.23 | |
| 0.33 | 10 | 0.48 | 0.60 | 0.65 | 0.72 | 0.74 | 0.80 |
| 15 | 0.77 | 0.97 | 1.05 | 1.17 | 1.25 | 1.32 | |
| 0.47 | 10 | 0.50 | 0.70 | 0.80 | 0.90 | 1.00 | 1.10 |
| 15 | 0.67 | 0.88 | 0.99 | 1.06 | 1.17 | 1.31 | |
| 0.68 | 10 | 0.60 | 0.90 | 1.00 | 1.10 | 1.20 | 1.30 |
| 15 | 0.88 | 1.13 | 1.24 | 1.41 | 1.48 | 1.63 | |
| 1.0 | 10 | 0.80 | 1.20 | 1.30 | 1.50 | 1.60 | 1.80 |
| 15 | 1.06 | 1.38 | 1.59 | 1.77 | 1.84 | 1.91 | |
| 1.2 | 15 | 1.20 | 1.50 | 1.65 | 1.85 | 2.00 | 2.20 |
|
1.5 |
10 | 0.98 | 1.30 | 1.40 | 1.60 | 1.70 | 1.90 |
| 15 | 1.40 | 1.70 | 1.80 | 2.00 | 2.20 | 2.40 | |
| 22.5 | 1.38 | 1.68 | 1.78 | 1.96 | 2.00 | 2.04 | |
| 2.2 | 15 | 1.70 | 2.00 | 2.20 | 2.35 | 2.50 | 2.70 |
| 22.5 | 2.30 | 2.37 | 2.43 | 2.52 | 2.55 | 2.60 | |
| 3.3 | 22.5 | 2.65 | 2.69 | 2.80 | 2.81 | 2.82 | 2.90 |
MAXIMÁLNÍ PROUD, AMPS (rms)
630Vdc / 250Vac
| VÍČKO (uF) | P | 15.75
kHz |
35
kHz |
45
kHz |
65
kHz |
80
kHz |
100
kHz |
| 0.033 | 10 | 0.14 | 0.20 | 0.22 | 0.25 | 0.27 | 0.30 |
| 0.047 | 10 | 0.18 | 0.24 | 0.30 | 0.35 | 0.39 | 0.42 |
| 0.068 | 10 | 0.21 | 0.29 | 0.32 | 0.37 | 0.41 | 0.44 |
| 0.1 | 10 | 0.25 | 0.37 | 0.45 | 0.50 | 0.55 | 0.63 |
| 0.047 | 15 | 0.16 | 0.22 | 0.24 | 0.27 | 0.30 | 0.32 |
| 0.068 | 15 | 0.23 | 0.26 | 0.32 | 0.35 | 0.40 | 0.44 |
| 0.1 | 15 | 0.42 | 0.55 | 0.58 | 0.65 | 0.69 | 0.73 |
| 0.22 | 15 | 0.58 | 0.62 | 0.67 | 0.78 | 0.80 | 0.85 |
| 0.33 | 15 | 0.91 | 1.15 | 1.25 | 1.40 | 1.48 | 1.58 |
| 0.5 | 15 | 0.85 | 1.08 | 1.18 | 1.30 | 1.40 | 1.49 |
| 0.68 | 15 | 1.16 | 1.48 | 1.60 | 1.80 | 1.90 | 2.05 |
| 1.0 | 22.5 | 1.85 | 2.25 | 2.36 | 2.60 | 2.70 | 2.85 |
OBALOVÝ KÓD
| Metho d | Hromadně | Munice | Role |
| Kód | B | A | R |
DÉLKA VEDENÍ OD SEDADLA
| mm | 5 | 10 | 15 | 20 | 25 |
| Kód | 050 | 100 | 150 | 200 | 250 |
KÓD PÁSKY (Rozteč olova na pásce, pokud je nalepen)
| Vzdálenost | 10mm | 15mm |
| Balení | A | A |
| Kód | RT3 | RT4 |
PŘÍKLAD KÓDU STYLU LEAD
ZAVEDENÍ
Řada CDAC je konstruována s dielektrikem z metalizovaného polyesterového filmu, povlak z měděného olova a epoxidové pryskyřice. Jsou vhodné pro blokování, spojka, oddělení, filtrování, bypass časovací obvod a ideální pro použití v datech / telekomunikační zařízení, průmyslový nástroj, automatické řídicí systémy a další obecné elektronické aplikace.
















