Hybridní kondenzátory tantalu s vysokou energií|CBEE
Případ Tantalum, Hermeticky uzavřené, Cylindrical, Radiální vedení, Heteropolarita, se šrouby, vhodné k opravě Kombinace elektrolytického tantalového kondenzátoru a elektrochemického kondenzátoru, Malá velikost, Super kapacita
Stabilní v elektrických výkonech, Vysoká spolehlivost, Dlouhá životnost, Maximum v hustotě kapacity a energie, Nominální kapacita je vyšší než u řady CBEF
Vestavěný jako baterie v obvodu s přeměnou energie & Výkonový pulzní obvod, fungovala jako filtrace, akumulační energie,obvod s časovým zpožděním.
SPECIFIKACE
Provozní teplota:-55℃ až +125 ℃ (až +125 ℃, s hodnoceným
Skladovací teplota:-62℃ ~ +130 ℃
Tolerance kapacitance:Q: (-10%~+30%), K: (± 10%), M: (± 20%)
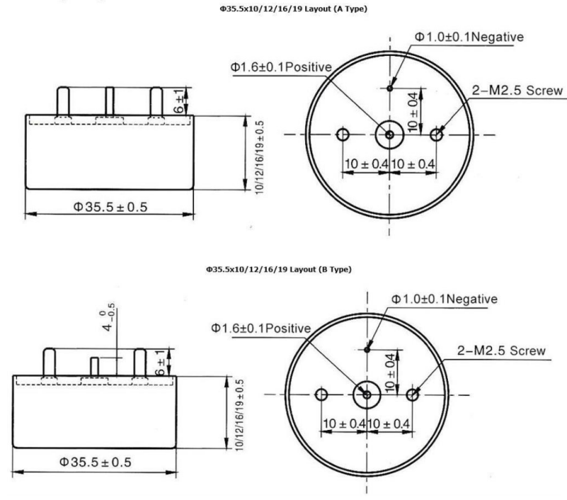
ROZMĚRY
Poznámka
1.Při měření nepoužívejte multimetr (může způsobit nevratné poškození a vést k vyřazení).
2.Kapacita a DF měřeny při 100Hz, U_=2,200 V, U = 1,00- V Test se používá pouze v sériovém ekvivalentním obvodu.
3.Snížení napětí se použije při +125℃. (Parametr DCL by měl být načten poté 5 minut po připojení k okruhu).
4.Speciální velikost a poptávku s námi můžete konzultovat.
Příklad čísla dílu

Charakteristiky a aplikace
◆Tantalové pouzdro, Hermeticky uzavřené, Cylindrical, Radiální vedení, Heteropolarita
◆Kombinovaný elektrolytickým tantalovým kondenzátorem a elektrochemickým kondenzátorem, Malá velikost, Super kapacita.
◆ Stabilní elektrické výkony, Vysoká spolehlivost, Dlouhá životnost, Maximum v hustotě kapacity a energie
◆Vestavěný jako baterie v obvodu s přeměnou energie & Výkonový pulzní obvod, fungovala jako filtrace, akumulační energie, obvod s časovým zpožděním













