SMD Aluminum Electrolytic Capacitors ▏105℃ 2,000Hrs ▏Low ESR ▏CAHA
FEATURES
105°C, 2000 hours assured
Low Impedance
Replaces RVHSeries
RoHS Compliant
105°C, 2000 hours assured
Low Impedance
Replaces RVHSeries
RoHS Compliant
SPECIFICATIONS
| Item | Performance | |||||||||
| Operating Temp. Range | -55°C ~ + 105°C | |||||||||
| Capacitance Tolerance | ± 20% (120Hz, 20°C) | |||||||||
| Leakage Current (at 20•C) | I=0.01CV or 3µA (whichever is greater) after 2 minutes, where C=rated capacitance in µF V=rated DC working Volts | |||||||||
| Dissipation Factor
Tanδ at 120 Hz, 20°C |
Rated Voltage | 6.3 | 10 | 16 | 25 | 35 | ||||
| Tanδ (max) | 0.30 | 0.26 | 0.22 | 0.16 | 0.13 | |||||
| Rated Voltage | 6.3 | 10 | 16 | 25 | 35 | |||||
| Low Temperature
Characteristics (at 120Hz) |
Impedance Ratio |
Z(-25°C) /Z(+20°C) | 4 | 3 | 2 | 2 | 2 | |||
| Z(-40°C) /Z(+20°C) | 8 | 5 | 4 | 3 | 3 | |||||
|
Life Test |
Test Time |
Load Life Shelf Life | ||||||||
| 2000 Hrs | 1000 Hrs | |||||||||
| Capacitance Change | Within ±20% of initial value | Within ± 20% of initial value | ||||||||
| Dissipation Factor | Less than 200% of specified value | Less than 200% of specified value | ||||||||
| Leakage Current | Within specified value | Within specified value | ||||||||
| Test Conditions | 20°C (after rated voltage applied for 2000 hours at
105°C |
20° C (after storage for 1000 hours at 105°C
without voltage) |
||||||||
| Ripple Current & Frequency Multilpiers | VDC(V) Freq. (Hz) | 50,60 | 120 | 1K | 10K up | |||||
| 6.3 ~ 35 | 0.64 | 0.8 | 0.93 | 1.0 | ||||||
| Standards | Satisfies Characteristic W of JIS C 5141 | |||||||||
DIMENSION, IMPEDANCE & PERMISSIBLE RIPPLE CURRENT
Ripple Current mA/rms at 120 Hz, 105°C
Impedance : at 100K Hz, 20ºC
| VDC
μF Contents |
6.3V (0J) | 10V (1A) | 16V (1C) | 25V (1E) | 35V (1V) | |||||||||||
| φD x L Imp. mA | φD x L Imp. mA | φD x L Imp. mA | φD x L Imp. mA | φD x L Imp. mA | ||||||||||||
| 47 | 470 | 8 x 10 | 0.45 | 369 | ||||||||||||
| 100 | 101 | 8 x 10 | 0.45 | 369 | 10 x 10 | 0.25 | 553 | |||||||||
| 150 | 151 | 8 x 10 | 0.45 | 369 | ||||||||||||
|
220 |
221 |
8 x 10 |
0.45 |
369 |
10 x 10 | 0.25 | 553 | |||||||||
| 8 x 10 | 0.45 | 369 | ||||||||||||||
|
330 |
331 |
8 x 10 |
0.45 |
369 |
553 | 10 x 10 | 0.25 | 553 | ||||||||
| 8 x 10 | 0.45 | 369 | ||||||||||||||
| 470 | 471 |
8 x 10 |
0.45 |
369 |
10 x 10 | 0.25 | 553 | 8 x 10 | 0.45 | 369 | ||||||
| 8 x 10 | 0.45 | 369 | ||||||||||||||
| 820 | 821 | 10 x 10 | 0.25 | 553 | ||||||||||||
| 1000 | 102 | 10 x 10 | 0.25 | 553 | ||||||||||||
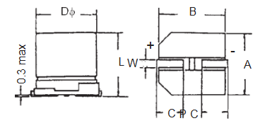
PAD SPACING AND DIAMETER
| φD±0.5 | L | A±0.2 | B±0.2 | C±0.2 | W | P±0.2 |
| 8 | 10±0.5 | 8.4 | 8.4 | 3.0 | 0.7 to 1.1 | 3.1 |
| 10 | 10±0.5 | 10.4 | 10.4 | 3.3 | 0.7 to 1.1 | 4.7 |
PART NUMBER EXAMPLE
CAHA 470 M 1V TR 080100
FEATURES
◆ 105°C, 2000 hours assured
◆ Low Impedance
◆ RoHS Compliant















